Осевые вентиляторы
Осевые вентиляторы (компактные с внешнероторным двигателем) предназначены для перемещения воздуха или других невзрывоопасных, неагрессивных газовых смесей в системах охлаждения, вентиляции и кондиционирования производственных, общественных и жилых сооружений.
Вытяжные установки производства ЭНЕРАЛ отличаются компактной конфигурацией, низким уровнем шума и высокой износостойкостью.
Класс защиты от поражения электротоком – 1, класс нагревостойкости изоляции электродвигателя - F, класс пылевлагозащиты - IP54, режим работы - S1.
Купить осевые вентиляторы вы можете оформив заказ на сайте или позвонив по телефону 8 (800) 100-49-10
Технические характеристики
Декларация соответствия на осевые вентиляторы ENERAL
| Тип | Напряжение, В | Потребляемая мощность, Вт | Ток, А | Частота вращения, Об/мин | Емкость конденсатора, мкФ | Максимальная производительность, м3/ч | Полное давление, Па | Шум, дБ | Масса, кг |
|---|---|---|---|---|---|---|---|---|---|
| ВО-2М200А | 220 | 80 | 0,35 | 2700 | 2 | 870 | 80 | 60 | 2,4 |
| ВО-4М200А | 220 | 29 | 0,12 | 1460 | 1 | 450 | 40 | 48 | 2,4 |
| ВО-2М250А | 220 | 180 | 0,78 | 2500 | 4 | 1800 | 90 | 68 | 3.0 |
| ВО-4М250А | 220 | 50 | 0,22 | 1380 | 1,5 | 1000 | 50 | 50 | 3,0 |
| ВО-4М300А | 220 | 90 | 0,38 | 1370 | 3 | 1900 | 76 | 55 | 4,5 |
| ВО-4Т300А | 380 | 95 | 0,26 | 1400 | - | 1950 | 76 | 55 | 4,5 |
| ВО-4М350А | 220 | 138 | 0,68 | 1370 | 4 | 2700 | 101 | 62 | 4,9 |
| ВО-4Т350А | 380 | 145 | 0,37 | 1390 | - | 3110 | 100 | 63 | 4,7 |
| ВО-4М400А | 220 | 180 | 0,81 | 1350 | 6 | 3900 | 160 | 67 | 6,1 |
| ВО-4Т400А | 380 | 190 | 0,48 | 1380 | - | 3900 | 160 | 67 | 6,1 |
| ВО-4М450А | 220 | 250 | 1,15 | 1380 | 8 | 5100 | 130 | 71 | 7,0 |
| ВО-4Т450А | 380 | 250 | 0,58 | 1400 | - | 5000 | 130 | 68 | 7,0 |
| ВО-4М500А | 220 | 420 | 1,85 | 1320 | 12 | 7000 | 166 | 72 | 9,5 |
| ВО-4Т500А | 380 | 450 | 0,93 | 1320 | - | 7000 | 165 | 72 | 9,5 |
| ВО-4М550А | 220 | 550 | 2,45 | 1310 | 12 | 8500 | 156 | 74 | 10,7 |
| ВО-4М600А | 220 | 810 | 3,5 | 1315 | 16 | 10300 | 155 | 76 | 15 |
| ВО-4Т600А | 380 | 860 | 1,95 | 1365 | - | 10800 | 155 | 79 | 15 |
| ВО-4М630А | 220 | 810 | 3,5 | 1315 | 16 | 12500 | 180 | 78 | 16,7 |
| ВО-4Т630А | 380 | 860 | 1,95 | 1365 | - | 13000 | 180 | 81 | 16,7 |
| ВО-4М650А | 220 | 1100 | 5,1 | 1330 | 36 | 12500 | 200 | 83 | 18 |
| ВО-4Т650А | 380 | 1100 | 2,3 | 1330 | - | 12500 | 200 | 83 | 18 |
| ВО-4Т710А | 380 | 2700 | 4,6 | 1350 | - | 22500 | 200 | 87 | 33,2 |
| ВО-6Т710А | Δ/Y380 | 1100/700 | 2,35/1,2 | 900/760 | - | 15800/13500 | 142/97 | 79/73 | 29 |
| ВО-6Т800А | Δ/Y380 | 1650/1060 | 3,65/1.94 | 880/700 | - | 20500/16900 | 184/115 | 80/74 | 31 |
| ВО-6Т910А | 380 | 3100 | 5,4 | 89 | - | 30000 | 200 | 82 | 42 |
| ВО-6Т910А | Δ/Y380 | 2450/1500 | 4,7/2,6 | 870/670 | - | 25500/21000 | 244/129 | 82/75 | 38 |
| Тип | Напряжение, В | Потребляемая мощность, Вт | Ток, А | Частота вращения, Об/мин | Емкость конденсатора, мкФ | Максимальная производительность, м3/ч | Полное давление, Па | Шум, дБ | Масса, кг |
|---|---|---|---|---|---|---|---|---|---|
| ВО-2М200В | 220 | 80 | 0,35 | 2700 | 2 | 870 | 80 | 60 | 3,3 |
| ВО-4М200В | 220 | 29 | 0,12 | 1460 | 1 | 450 | 40 | 48 | 3,3 |
| ВО-2М250В | 220 | 180 | 0,78 | 2500 | 4 | 1800 | 90 | 68 | 4,4 |
| ВО-4М250В | 220 | 50 | 0,22 | 1380 | 1,5 | 1000 | 50 | 50 | 4.4 |
| ВО-4М300В | 220 | 90 | 0,38 | 1370 | 3 | 1900 | 76 | 55 | 6,2 |
| ВО-4Т300В | 80 | 95 | 0,26 | 1400 | - | 1950 | 76 | 55 | 6,2 |
| ВО-4М350В | 220 | 138 | 0,68 | 1370 | 4 | 2700 | 101 | 62 | 7,5 |
| ВО-4Т350В | 380 | 145 | 0,37 | 1390 | - | 3110 | 100 | 63 | 7,5 |
| ВО-4М400В | 220 | 180 | 0,81 | 1350 | 6 | 3900 | 160 | 67 | 9,2 |
| ВО-4Т400В | 380 | 190 | 0,48 | 1380 | - | 3900 | 160 | 67 | 9,2 |
| ВО-4М450В | 220 | 250 | 1,15 | 1380 | 8 | 5100 | 130 | 71 | 10,5 |
| ВО-4Т450В | 380 | 250 | 0,58 | 1400 | - | 5000 | 130 | 68 | 10,5 |
| ВО-4М500В | 220 | 420 | 1,85 | 1320 | 12 | 7000 | 166 | 72 | 15,1 |
| ВО-4Т500В | 380 | 450 | 0,93 | 1320 | - | 7000 | 165 | 72 | 15,1 |
| ВО-4М550В | 220 | 550 | 2,45 | 1310 | 12 | 8500 | 156 | 74 | 18,5 |
| ВО-4М600В | 220 | 810 | 3,5 | 1315 | 16 | 10300 | 155 | 76 | 22 |
| ВО-4Т600В | 380 | 860 | 1,95 | 1365 | - | 10800 | 155 | 79 | 22 |
| ВО-4М630В | 220 | 810 | 3,5 | 1315 | 16 | 12500 | 180 | 78 | 24,3 |
| ВО-4Т630В | 380 | 860 | 1,95 | 1365 | - | 13000 | 180 | 81 | 24,3 |
| ВО-4М650В | 220 | 1100 | 5,1 | 1330 | 36 | 12500 | 200 | 83 | 26 |
| ВО-4Т650В | 380 | 1100 | 2,3 | 1330 | - | 12500 | 200 | 83 | 26 |
| ВО-4Т710В | 380 | 2700 | 4,6 | 1350 | - | 22500 | 200 | 87 | 29 |
| ВО-6Т710В | Δ/Y380 | 1100/700 | 2,35/1,2 | 900/760 | - | 15800/13500 | 142/97 | 79/73 | 29 |
| ВО-6Т800В | Δ/Y380 | 1650/1060 | 3,65/1.94 | 880/700 | - | 20500/16900 | 184/115 | 80/74 | 47 |
| ВО-6Т910В | 380 | 3100 | 5,4 | 89 | - | 30000 | 200 | 82 | 50 |
| ВО-6Т910В | Δ/Y380 | 2450/1500 | 4,7/2,6 | 870/670 | - | 25500/21000 | 244/129 | 82/75 | 50 |
| Тип | Напряжение, В | Потребляемая мощность, Вт | Ток, А | Частота вращения, Об/мин | Емкость конденсатора, мкФ |
Максимальная производительность, м3/ч
|
Полное давление, Па | Шум, дБ | Масса, кг |
|---|---|---|---|---|---|---|---|---|---|
| ВО-2М200С | 220 | 80 | 0,35 | 2700 | 2 | 870 | 80 | 60 | 3,7 |
| ВО-4М200С | 220 | 29 | 0,12 | 1460 | 1 | 450 | 40 | 48 | 3,7 |
| ВО-2М250С | 220 | 180 | 0,78 | 2500 | 4 | 1800 | 90 | 68 | 4,6 |
| ВО-4М250С | 220 | 50 | 0,22 | 1380 | 1,5 | 1000 | 50 | 50 | 4,6 |
| ВО-4М300С | 220 | 90 | 0,38 | 1370 | 3 | 1900 | 76 | 55 | 5,9 |
| ВО-4Т300С | 380 | 95 | 0,26 | 1400 | - | 1950 | 76 | 55 | 5,9 |
| ВО-4М350С | 220 | 138 | 0,68 | 1370 | 4 | 2700 | 101 | 62 | 8,5 |
| ВО-4Т350С | 380 | 145 | 0,37 | 1390 | - | 3110 | 100 | 63 | 8,5 |
| ВО-4М400С | 220 | 180 | 0,81 | 1350 | 6 | 3900 | 160 | 67 | 9,5 |
| ВО-4Т400С | 380 | 190 | 0,48 | 1380 | - | 3900 | 160 | 67 | 9,5 |
| ВО-4М450С | 220 | 250 | 1,15 | 1380 | 8 | 5100 | 130 | 71 | 11 |
| ВО-4Т450С | 380 | 250 | 0,58 | 1400 | - | 5000 | 130 | 68 | 11 |
| ВО-4М500С | 220 | 420 | 1,85 | 1320 | 12 | 7000 | 166 | 72 | 16,2 |
| ВО-4Т500С | 380 | 450 | 0,93 | 1320 | - | 7000 | 165 | 72 | 16,2 |
| ВО-4М550С | 220 | 550 | 2,45 | 1310 | 12 | 8500 | 156 | 74 | 19,3 |
| ВО-4М600С | 220 | 810 | 3,5 | 1315 | 16 | 10300 | 155 | 76 | 20,5 |
| ВО-4Т600С | 380 | 860 | 1,95 | 1365 | - | 10800 | 155 | 79 | 20,5 |
| ВО-4М630С | 220 | 810 | 3,5 | 1315 | 16 | 12500 | 180 | 78 | 21,3 |
| ВО-4Т630С | 380 | 860 | 1,95 | 1365 | - | 13000 | 180 | 81 | 21,3 |
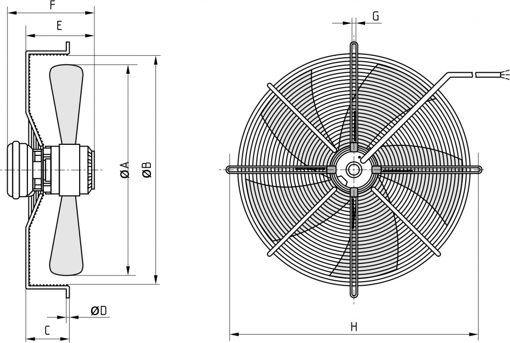
| Тип | A | B | C | D | E | F | G | H |
|---|---|---|---|---|---|---|---|---|
| ВО200 | 195 | 220 | 50 | 3 | 100 | 126 | 7 | 250 |
| ВО250 | 250 | 282 | 75 | 4 | 102 | 134 | 7 | 320 |
| ВО300 | 300 | 332 | 75 | 4 | 114 | 137 | 7 | 360 |
| ВО350 | 350 | 375 | 80 | 5 | 133 | 158 | 9 | 422 |
| ВО400 | 391 | 422 | 90 | 5 | 146 | 171 | 9 | 470 |
| ВО450 | 446 | 475 | 90 | 6 | 158 | 183 | 9 | 525 |
| ВО500 | 499 | 525 | 90 | 6 | 141 | 186 | 10 | 570 |
| ВО550 | 553 | 575 | 100 | 7 | 156 | 201 | 10 | 624 |
| ВО600 | 600 | 625 | 100 | 7 | 174 | 221 | 10 | 680 |
| ВО630 | 628 | 657 | 100 | 7,5 | 181 | 221 | 10 | 750 |
| ВО650 | 648 | 677 | 125 | 8 | 191 | 230 | 10 | 750 |
| ВО710 | 703 | 765 | 210 | - | 272 | 272 | 13 | 847 |
| ВО800 | 786 | 884 | 226 | - | 275 | 275 | 13 | 961 |
| ВО910 | 903 | 1047 | 220 | - | 297 | 297 | 10 | 1075 |
| Тип | A | B | C | D | E |
|---|---|---|---|---|---|
| ВО200 | 312 | 260 | 52 | 205 | 7 |
| ВО250 | 370 | 320 | 55 | 260 | 7 |
| ВО300 | 430 | 380 | 80 | 315 | 9 |
| ВО350 | 485 | 435 | 85 | 360 | 9 |
| ВО400 | 540 | 490 | 100 | 410 | 9 |
| ВО450 | 575 | 535 | 100 | 460 | 11 |
| ВО500 | 655 | 615 | 120 | 510 | 11 |
| ВО550 | 725 | 675 | 135 | 560 | 11 |
| ВО600 | 805 | 750 | 150 | 615 | 11 |
| ВО630 | 805 | 750 | 150 | 644 | 11 |
| ВО710 | 850 | 810 | 170 | 710 | 14,5 |
| ВО800 | 970 | 910 | 210 | 795 | 14,5 |
| ВО910 | 1070 | 1010 | 205 | 915 | 14,5 |
| Тип | A | B | C | N-отв | Е | C1 | F | H | D |
|---|---|---|---|---|---|---|---|---|---|
| ВО200 | 208 | 250 | 180 | 230 | 8 | 7 | 138 | 195 | 52 |
| ВО250 | 257 | 310 | 180 | 285 | 8 | 7 | 138 | 250 | 52 |
| ВО300 | 317 | 382 | 180 | 356 | 8 | 9,5 | 138 | 300 | 52 |
| ВО350 | 359 | 421 | 180 | 395 | 8 | 9,5 | 165 | 350 | 52 |
| ВО400 | 400 | 465 | 190 | 438 | 12 | 9,5 | 178 | 391 | 52 |
| ВО450 | 460 | 515 | 190 | 487 | 12 | 9,5 | 190 | 446 | 52 |
| ВО500 | 510 | 567 | 250 | 541 | 12 | 9,5 | 191 | 499 | 71 |
| ВО550 | 565 | 635 | 250 | 605 | 16 | 11,5 | 207 | 553 | 71 |
| ВО630 | 640 | 707 | 250 | 674 | 16 | 11,5 | 227 | 628 | 71 |





