Вентиляторы канальные
Канальные вентиляторы для круглых воздуховодов
Предназначены для перемещения воздуха или других невзрывоопасных, неагрессивных газовых смесей в системах охлаждения, вентиляции и кондиционирования производственных, общественных и жилых сооружений. Выгодно купить канальные вентиляторы для воздуховодов ENERAL®, потому что они отличаются компактным корпусом, низким уровнем шума и высокой износостойкостью.
Класс защиты от поражения электротоком – 1, класс нагревостойкости изоляции электродвигателя - F, класс пылевлагозащиты - IP54, режим работы- S1.
Декларация соответствия на канальный вентилятор ENERAL
| Тип | Диаметр рабочего колеса, мм | Напряжение, В | Потребляемая мощность, Вт | Ток, А | Частота вращения, Об/мин | Емкость конденсатора, мкФ | Производительность, м3/ч | Полное давление, Па | Шум, 1м от ВКК, дБ | Масса, кг |
|---|---|---|---|---|---|---|---|---|---|---|
| ВКК-100 | 192 | 220 | 70 | 0,3 | 2500 | 2 | 230 | 271 | 69 | 3,2 |
| ВКК-125 | 192 | 220 | 70 | 0,3 | 2400 | 2 | 340 | 277 | 59 | 3,3 |
| ВКК-160 | 200 | 220 | 115 | 0,5 | 2550 | 3 | 700 | 386 | 64 | 4,2 |
| ВКК-200 | 225 | 220 | 150 | 0,7 | 2600 | 4 | 900 | 492 | 65 | 4,9 |
| ВКК-250 | 250 | 220 | 200 | 0,9 | 2500 | 6 | 1080 | 547 | 70 | 5,1 |
| ВКК-315 | 280 | 220 | 280 | 1,1 | 2400 | 8 | 1560 | 653 | 68 | 6,1 |
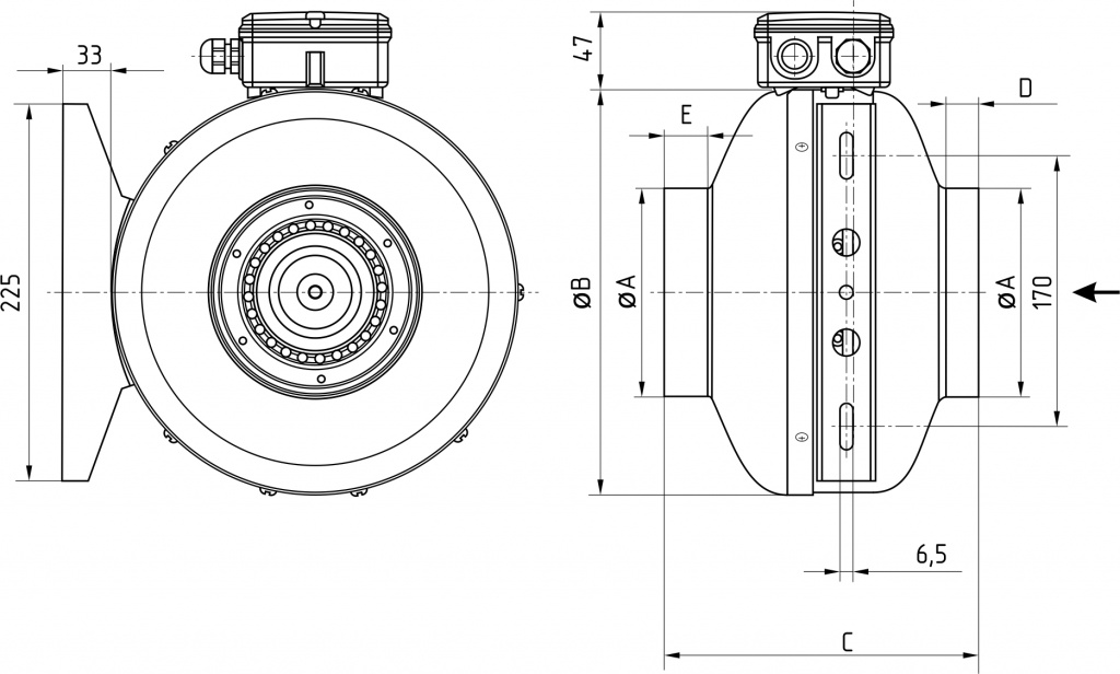
| Тип | А | В | С | D |
|---|---|---|---|---|
| ВКК-100 | 97 | 242 | 195 | 275 |
| ВКК-125 | 125 | 242 | 190 | 275 |
| ВКК-160 | 160 | 332 | 232 | 365 |
| ВКК-200 | 198 | 332 | 228 | 365 |
| ВКК-250 | 248 | 332 | 210 | 365 |
| ВКК-315 | 315 | 402 | 255 | 435 |

