ВАО - Взрывозащищенные электродвигатели купить по цене производителя в Екатеринбурге | Eneral
Пн-Пт 08:00 – 16:00 (МСК)
Ваш город:

Взрывозащищенные электродвигатели ВАО, 1ВАО

Двигатели асинхронные с короткозамкнутым ротором взрывозащищенные серий ВАО, 1ВАО (серии имеют одинаковые конструктивные особенности и технические характеристики) закрытого исполнения предназначены для привода механизмов внутренних и наружных установок, которые эксплуатируются во взрывоопасных зонах, где могут образоваться взрывоопасные смеси газов и паров категорий IIB по ГОСТ 30852.11-2002 и группе Т4 по  классификации ГОСТ 30852.5-2002, в соответствии с требованиями ГОСТ 30852.13-2002, ГОСТ 30852.14-2002 и ПУЭ (глава 7.3). Применяются на производствах химической, газовой, нефтеперерабатывающей и других смежных отраслей промышленности, в которых возможно образование взрывоопасных паров и газовоздушных смесей.

Двигатели допускают эксплуатацию при высоте до 4300 м над уров­нем моря. Электродвигатели сохраняют прочность и работоспособность во время и после сейсмического воздействия 10 баллов по MSK-64.

Двигатели имеют маркировку 1ExdIIBT4 по ГОСТ 30852.0-2002. Вид взрывозащиты – «взрывонепроницаемая оболочка» с высокой степенью механической прочности по ГОСТ 30852.1-2002. Максимальная температура наружной поверхности оболочки не превышает 135°С.


СТАНДАРТНОЕ ИСПОЛНЕНИЕ

  • Степень пылевлагозащиты двигателя - IP55. Степень пылевлагозащиты кожуха вентилятора: со стороны входа воздуха - IP20, со стороны выхода воздуха - IP10 по ГОСТ 14254-96;

  • Режим работы - S1;

  • Питание от сети переменного тока 50 Гц напряжением 220/380В, 380В, 380/660В;

  • Климатическое исполнение и категория размещения У2, УХЛ2, Т2;

  • Использование эмаль провода класса изоляции F (155 °С) или H (180 °С);

  • Датчики температурной защиты обмоток статора (в стандартном исполнении от 160 габарита).


МОДИФИКАЦИИ

  • Естественный способ охлаждения без дополнительного обдува (система охлаждения IC0041 по ГОСТ Р МЭК 60034-6-2012);

  • Подготовка для работы в составе ЧРП без применения независимой вентиляции: изоляция класса N, выдерживающая перегрев до 200 °C, и токоизолированный подшипник;

  • Установка подшипников повышенной прочности;

  • Установка дополнительных коробок выводов для подключения датчиков температуры обмоток для габаритов 315-355;

  • Установка дополнительных площадок для подключения датчиков вибрации и аппаратуры КИПиА на корпусе электродвигателя;

  • Установка датчиков удара, энкодеров, контроллеров;

  • Удлиненный вал (по чертежам заказчика);

  • Использование эмаль провода класса изоляции N (200 °С) или R (220 °С);

  • Использование специальных окрасочных материалов и схем окраски.





Сертификат соответствия на взрывозащищённые электродвигатели ENERAL серии ВАО

Скачать опросный лист
Печать
Тип Ток Мощность Частота вращения* КПД Cosφ Мп/Mн Мm/Мн Iп/Iн Масса**
380(A) 660(A) кВт об/мин % кг
Электродвигатель ВАО250S2 135,00 77,73 75 кВт 2975 об/мин
93,6 0,90 2,0 2,3 7,0 450
Электродвигатель BAO250M2 160,00 92,12 90 кВт 2975 об/мин 93,9 0,91 2,0 2,3 7,1 530
Электродвигатель BAO250S4 138,30 79,63 75 кВт 1480 об/мин 93,6 0,88 2,2 2,3 6,8 450
Электродвигатель BAO250M4 165,50 95,29 90 кВт 1480 об/мин 93,9 0,88 2,2 2,3 6,8 495
Электродвигатель BAO250S6 86,00 28,67 45 кВт 980 об/мин 92,5 0,86 2,1 2,0 7,0 465
Электродвигатель BAO250M6 104,00 34,67 55 кВт 980 об/мин 92,8 0,86 2,1 2,0 7,0 520
Электродвигатель BAO250S8 78,00 44,91 37 кВт 740 об/мин 91,5 0,79 1,9 2,0 6,6 465
Электродвигатель BAO250M8 94,00 54,12 45 кВт 740 об/мин 92,0 0,79 1,9 2,0 6,6 520
Электродвигатель ВАО280S2 195,00 112,27 110 кВт 2975 об/мин 94,0 0,91 1,8 2,2 7,1 650
Электродвигатель BAO280M2 233,00 134,15 132 кВт 2975 об/мин 94,5 0,91 1,8 2,2 7,1 745
Электродвигатель BAO280S4 201,00 115,73 110 кВт 1480 об/мин 94,5 0,88 2,1 2,2 6,9 650
Электродвигатель BAO280M4 240,00 138,18 132 кВт 1480 об/мин 94,8 0,88 2,1 2,2 6,9 745
Электродвигатель BAO280S6 142,00 81,76 75 кВт 985 об/мин 93,5 0,86 2,0 2,0 6,7 635
Электродвигатель BAO280M6 169,00 97,30 90 кВт 985 об/мин 93,8 0,86 2,0 2,0 6,7 740
Электродвигатель BAO280S8 111,00 63,91 55 кВт 740 об/мин 92,8 0,81 1,8 2,0 6,6 635
Электродвигатель BAO280M8 150,00 86,36 75 кВт 740 об/мин 93,5 0,81 1,8 2,0 6,2 740
Электродвигатель ВАО315S2 279,00 160,64 160 кВт 2975 об/мин 94,6 0,92 1,8 2,2 7,1 1170
Электродвигатель BAO315M2 348,00 200,36 200 кВт 2975 об/мин 94,8 0,92 1,8 2,2 7,1 1460
Электродвигатель BAO315S4 288,00 165,82 160 кВт 1480 об/мин 94,9 0,89 2,1 2,2 6,9 1120
Электродвигатель BAO315M4 360,00 207,27 200 кВт 1480 об/мин 94,9 0,89 2,1 2,2 6,9 1385
Электродвигатель BAO315S6 207,00 119,18 110 кВт 985 об/мин 94,0 0,86 2,0 2,0 6,7 1050
Электродвигатель BAO315M6 245,00 141,06 132 кВт 985 об/мин 94,2 0,87 2,0 2,0 6,7 1210
Электродвигатель BAO315S8 178,00 102,48 90 кВт 740 об/мин 93,8 0,82 1,8 2,0 6,4 1050
Электродвигатель BAO315M8 217,00 124,94 110 кВт 740 об/мин 94,0 0,82 1,8 2,0 6,4 1210
Электродвигатель ВАО355S2 433,00 249,30 250 кВт 2980 об/мин 95,2 0,92 1,6 2,2 7,1 1900
Электродвигатель BAO355M2 545,00 313,79 315 кВт 2980 об/мин 95,4 0,92 1,6 2,2 7,1 2300
Электродвигатель BAO355S4 443,00 255,06 250 кВт 1490 об/мин 95,2 0,90 2,1 2,2 6,9 1820
Электродвигатель BAO355M4 559,00 321,85 315 кВт 1490 об/мин 95,2 0,90 2,1 2,2 6,9 2243
Электродвигатель BAO355S6 292,00 168,12 160 кВт 990 об/мин 94,5 0,88 1,9 2,0 6,7 1625
Электродвигатель BAO355MA6 365,00 210,15 200 кВт 990 об/мин 94,5 0,88 1,9 2,0 6,7 1781
Электродвигатель BAO355MB6 457,00 263,12 250 кВт 990 об/мин 94,5 0,88 1,9 2,0 6,7 1810
Электродвигатель BAO355S8 261,00 150,27 132 кВт 740 об/мин 93,7 0,82 1,8 2,0 6,4 2080
Электродвигатель BAO355MA8 315,00 181,36 160 кВт 740 об/мин 94,2 0,82 1,8 2,0 6,4 2225
Электродвигатель BAO355MB8 387,00 222,82 200 кВт 740 об/мин 94,5 0,83 1,8 2,0 6,4 2372

* Указанная частота вращения (синхронная частота) является справочной характеристикой. Принимая во внимание принцип работы асинхронного электродвигателя, в результате механических потерь номинальная частота вращения всегда ниже синхронной. Данные отличия не влияют на эксплуатационные характеристики оборудования. 


** Указанная масса электродвигателя является справочной характеристикой. Точная масса указана на паспортной табличке электродвигателя. Данные отличия не влияют на эксплуатационные характеристики оборудования.


Печать

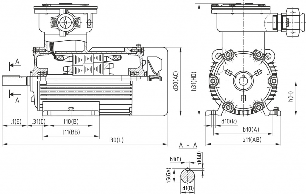
Конструктивное исполнение IM1081

vao_gabarit.jpg

Тип

Габаритные размеры Установочные и присоединительные размеры
l30 h31 d30 b31 b10 b11 l10 l11 l31 d1 l1 b1 h5 h1 h d10 b31
L HD AC AD A AB B BB C D E F GA GD H K HA
ВАО250S-2 980 682 490 420 406 490 311 420 168 65 140 18 69 11 250 24 30
ВАО250M-2 980 682 490 420 406 490 349 420 168 65 140 18 69 11 250 24 30
ВАО250S4,6,8 980 682 490 420 406 490 311 420 168 75 140 20 79,5 12 250 24 30
ВАО250M4,6,8 980 682 490 420 406 490 349 420 168 75 140 20 79,5 12 250 24 30
ВАО280S2 1080 730 550 440 457 540 368 438 190 75 140 20 79,5 12 280 24 35
ВАО280M2 1080 730 550 440 457 540 419 438 190 75 140 20 79,5 12 280 24 35
BAO280S4,6,8 1110 730 550 440 457 540 368 489 190 80 170 22 85 14 280 24 35
BAO280M4,6,8 1110 730 550 440 457 540 368 489 190 80 170 22 85 14 280 24 35
ВАО315S2 1280 910 630 575 508 628 457 550 216 75 140 20 79,5 12 315 28 45
ВАО315M2 1280 910 630 575 508 628 457 550 216 75 140 20 79,5 12 315 28 45
BAO315S4,6,8 1400 910 630 575 508 628 457 680 216 90 170 25 95 14 315 28 45
ВАО315M4,6,8 1400 910 630 575 508 628 457 680 216 90 170 25 95 14 315 28 45
ВАО355S2 1550 1050 700 640 610 726 500 636 216 85 170 22 90 14 355 28 45
ВАО355M2 1550 1050 700 640 610 726 560 636 216 85 170 22 90 14 355 28 45
ВАО355S4,6,8,10 1630 1050 700 640 610 726 500 696 216 100 210 28 106 16 355 28 45
ВАО355M4,6,8,10 1630 1050 700 640 610 726 560 696 216 100 210 28 106 16 355 28 45
ВАО355L 1740 1050 700 640 610 726 630 766 254 100 210 28 106 16 355 28 45


ВАЖНО: указанные размеры являются справочной характеристикой. Производственная группа ЭНЕРАЛ имеет право вносить изменения в конструкцию электродвигателя, в результате чего фактические габаритные и присоединительные размеры могут отличаться от значений в каталоге или на сайте. Данные отличия не влияют на эксплуатационные характеристики оборудования.


Печать

Условное обозначение монтажного исполнения АИР.png


Монтажное исполнение АИР все.png

Штриховка обозначает опорную сторону.
*Сторона привода.
** Малый фланец - щит с отверстиями в корпусе электродвигателя. Крепление к оборудованию винтами.

В зависимости от габарита электродвигателя некоторые монтажные исполнения могут быть недоступны.
Возможно производство электродвигателей в других монтажных исполнениях, не указанных в таблице.

Печать

Электродвигатели асинхронные трехфазные изготавливаются на номинальные напряжения: 380, 660, 220/380, 380/660В при частоте 50 Гц по ГОСТ IEC 60034-1-2014.

Возможно изготовление на другие номинальные напряжения и на частоту 60Гц, по согласованию с заказчиком.

Однофазные двигатели предназначены для работы от сети переменного тока напряжением 220 В частотой 50 Гц.


Печать

Степень защиты обозначается IP…по ГОСТ IEC 60034-5-2011.

 stepen_zashiti.jpg

 Для примера обозначение IP55 это электродвигатель, защищенный от пыли и водяных струй со всех направлений.

Печать

Электродвигатели общепромышленного назначения могут работать в различных режимах в соответствии с ГОСТ IEC 60034-1-2014 и обозначается S…(1, 2, 3, 4, 5, 6, 7, 8), где:

S1 – продолжительный режим работы

S2 – кратковременный режим работы

S3 – периодический повторно-кратковременный режим работы

S4 – периодический повторно-кратковременный режим работы с влиянием пусковых процессов

S5 – периодический повторно-кратковременный режим работы с влиянием пусковых процессов и электрическим торможением

S6 – перемежающийся режим работы

S7 – периодический перемежающийся режим работы с влиянием пусковых процессов и электрическим торможением

S8 – периодический перемежающийся режим работы с периодически меняющейся частотой вращения

Печать

Двигатели могут использоваться в макроклиматических районах с климатом в условиях определяемых категориями размещения по ГОСТ 15150-69.

 

U2.jpg
 

Климатические факторы

Климатическое исполнение Категория размещения Верхнее значение рабочей температуры, °С Нижнее значение рабочей температуры,°С Максимальное значение относительной влажности, %
У 1,2 +40 -45 100 при 25°С
У 3 +40 -45 98 при 25°С
УХЛ 4 +35 +1 80 при 25°С
Т 2 +50 -10 100 при 25°С
ХЛ, УХЛ 1,2 +40 -60 100 при 25°С
Печать

Электродвигатели с нормальным КПД и электродвигатели с повышенным КПД (энергосберегающие), и соответственно обозначение класса энергетической эффективности по международному стандарту IEC 60034-30:

IE1 - "стандартный" класс КПД;

IE2 - "повышенный" класс КПД;

IE3 - "премиум" класс КПД;

IE4 - "суперпремиум" класс КПД.

Печать

Электродвигатели серий ВАО и 1ВАО – это надежные асинхронные двигатели, специально разработанные для работы в условиях повышенной взрывоопасности. Они применяются в таких отраслях, как нефтегазовая промышленность, химическое производство, горнодобывающий сектор и другие области, где важно обеспечить безопасность работы оборудования.


Основная задача взрывозащищенных двигателей – предотвращение возгорания и минимизация рисков, связанных с искрообразованием или перегревом. Асинхронные двигатели ВАО и 1ВАО идеально подходят для эксплуатации в сложных условиях, где требуется стабильная работа при различной частоте и подачах разного напряжения.


Благодаря своей конструкции, эти двигатели обеспечивают надежность работы в опасных средах и соответствуют самым строгим требованиям безопасности. В сочетании с системами управления и трансформаторами, двигатели ВАО и 1ВАО позволяют эффективно решать задачи по автоматизации производственных процессов.


Основные преимущества электродвигателей ВАО, 1ВАО перед аналогами


Одно из ключевых достоинств двигателей ВАО и 1ВАО – их способность стабильно работать при различных показателях частоты. Это особенно важно для объектов, где точное регулирование скорости и нагрузки является критическим фактором. Современные асинхронные двигатели этих серий обеспечивают высокий КПД даже при нестабильном напряжении, что делает их универсальными для применения в самых разных условиях.

Асинхронные двигатели ВАО и 1ВАО выделяются следующими преимуществами:


  1. Широкий диапазон частоты работы. Это позволяет использовать их с разными параметрами сети, а также эффективно интегрировать с трансформаторами для адаптации к специфическим требованиям производства.

  2. Устойчивость к перепадам напряжения. Они сохраняют стабильную работу, что особенно важно в условиях нестабильной энергоснабжающей инфраструктуры.

  3. Высокая степень взрывозащиты. Двигатели отвечают международным стандартам и исключают риск возгорания, что делает их незаменимыми на объектах с повышенными требованиями к безопасности.

  4. Простота интеграции с системами управления. Возможность работы с современными преобразователями частоты и трансформаторами повышает их универсальность.

  5. Надежность и долговечность. Благодаря качественным материалам и проработанной конструкции, двигатели сохраняют свои эксплуатационные характеристики даже в сложных условиях.


Асинхронные двигатели ВАО и 1ВАО выгодно отличаются от аналогов стабильной работой при нестабильных параметрах сети. Они поддерживают оптимальный режим работы при изменении частоты, что позволяет исключить перегрузки и продлить срок службы оборудования.


Использование взрывозащищенных асинхронных двигателей совместно с качественными трансформаторами делает их идеальным решением для безопасной и эффективной работы в любой отрасли. Уникальная способность этих двигателей адаптироваться к разным уровням напряжения и поддерживать стабильные характеристики на всех этапах работы обеспечивает их популярность среди промышленных предприятий.


Выбирая двигатели ВАО или 1ВАО, вы получаете надежность, безопасность и эффективность, которые помогут вам успешно решить производственные задачи в сложных и опасных условиях.



Оставьте заявку и мы свяжемся с вами

CAPTCHA