Редукторы червячные одноступенчатые NMRW, NRW
Червячные редукторы типа NMRW и NRW одноступенчатые - в их составе одна червячная передача.
Использование комплектующих к редукторам ENERAL позволяет сопрягать редуктор с приводимым механизмом и электродвигателем различными способами - доступно 8 вариантов исполнения редуктора.
Конструктивно редукторы являются самостоятельным узлом. Мотор-редуктор представляет собой редуктор, агрегатированный с электродвигателем. Для изменения скорости вращения выходного вала мотор-редуктор может агрегатироваться с вариатором или эксплуатироваться с преобразователем частоты.
Редукторы ENERAL типа NMRW и NRW изготовлены в соответствии с ГОСТ 31592-2012. Климатическое исполнение: У, УХЛ и Т по ГОСТ 15150-69.
Подробнее о преимуществах червячных редукторов ENERAL
Гарантия - 12 месяцев с даты ввода в эксплуатацию, но не более 18 месяцев с даты продажи.

* - при отсутствии данного модуля или детали в условном обозначении ничего не указывается.

* - при отсутствии данного модуля или детали в условном обозначении ничего не указывается.

* - при отсутствии данного модуля или детали в условном обозначении ничего не указывается.
| Габарит редуктора |
i | 5 | 7,5 | 10 | 15 | 20 | 25 | 30 | 40 | 50 | 60 | 80 | 100 |
|---|---|---|---|---|---|---|---|---|---|---|---|---|---|
| 030 | m | 1,5 | 1,5 | 1,5 | 1,5 | 1 | 1,75 | 1,5 | 1 | 0,9 | 0,75 | 0,55 | / |
| Z1 | 6 | 4 | 3 | 2 | 2 | 1 | 1 | 1 | 1 | 1 | 1 | / | |
| γ | 29°03’ | 20°19’ | 15°31’ | 10°29’ | 5°42’ | 6°10’ | 5°17’ | 2°52’ | 3°26’ | 2°52’ | 1°58’ | / | |
| ηd | 0,874 | 0,856 | 0,829 | 0,782 | 0,673 | 0,7 | 0,667 | 0,52 | 0,567 | 0,52 | 0,422 | / | |
| ηs | 0,723 | 0,675 | 0,637 | 0,559 | 0,461 | 0,442 | 0,4 | 0,308 | 0,319 | 0,275 | 0,221 | / | |
| 040 | m | 2 | 2 | 2 | 2 | 1,6 | 1,25 | 2 | 1,6 | 1,25 | 1 | 0,8 | 0,65 |
| Z1 | 6 | 4 | 3 | 2 | 2 | 2 | 1 | 1 | 1 | 1 | 1 | 1 | |
| γ | 30°58’ | 21°48’ | 16°42’ | 11°19’ | 11°19’ | 8°08’ | 5°43’ | 5°43’ | 4°05’ | 2°52’ | 2°52’ | 2°29’ | |
| ηd | 0,886 | 0,862 | 0,839 | 0,805 | 0,792 | 0,738 | 0,675 | 0,668 | 0,604 | 0,541 | 0,513 | 0,477 | |
| ηs | 0,737 | 0,703 | 0,661 | 0,589 | 0,559 | 0,502 | 0,434 | 0,411 | 0,351 | 0,284 | 0,276 | 0,243 | |
| 050 | m | 2,5 | 2,5 | 2,5 | 2,5 | 2 | 1,6 | 2,5 | 2 | 1,6 | 1,25 | 1 | 0,8 |
| Z1 | 6 | 4 | 3 | 2 | 2 | 2 | 1 | 1 | 1 | 1 | 1 | 1 | |
| γ | 30°58’ | 21°48’ | 16°42’ | 11°19’ | 11°19’ | 9°05’ | 5°43’ | 5°43’ | 4°21’ | 2°52’ | 2°52’ | 2°17’ | |
| ηd | 0,887 | 0,874 | 0,852 | 0,808 | 0,805 | 0,771 | 0,711 | 0,693 | 0,634 | 0,532 | 0,53 | 0,483 | |
| ηs | 0,737 | 0,695 | 0,654 | 0,581 | 0,561 | 0,517 | 0,434 | 0,403 | 0,352 | 0,289 | 0,27 | 0,227 | |
| 063 | m | / | 3,25 | 3,25 | 3,25 | 2,5 | 2 | 3,25 | 2,5 | 2 | 1,6 | 1,25 | 1 |
| Z1 | / | 4 | 3 | 2 | 2 | 2 | 1 | 1 | 1 | 1 | 1 | 1 | |
| γ | / | 24°31’ | 18°53’ | 12°51’ | 11°19’ | 8°45’ | 6°30’ | 5°43’ | 4°24’ | 3°03’ | 2°52’ | 2°12’ | |
| ηd | / | 0,88 | 0,87 | 0,83 | 0,82 | 0,78 | 0,74 | 0,716 | 0,66 | 0,571 | 0,562 | 0,486 | |
| ηs | / | 0,71 | 0,67 | 0,6 | 0,557 | 0,51 | 0,45 | 0,409 | 0,36 | 0,304 | 0,276 | 0,229 | |
| 075 | m | / | 4 | 4 | 4 | 3 | 2,5 | 4 | З | 2,5 | 2 | 1,6 | 1,25 |
| Z1 | / | 4 | 3 | 2 | 2 | 2 | 1 | 1 | 1 | 1 | 1 | 1 | |
| γ | / | 28°04’ | 21°48’ | 14°56’ | 11°19’ | 11°19’ | 7°36’ | 5°43’ | 5°43’ | 3°49’ | 4°21’ | 2°52’ | |
| ηd | / | 0,912 | 0,904 | 0,876 | 0,85 | 0,848 | 0,81 | 0,77 | 0,769 | 0,695 | 0,719 | 0,626 | |
| ηs | / | 0,712 | 0,683 | 0,614 | 0,57 | 0,542 | 0,466 | 0,42 | 0,395 | 0,342 | 0,316 | 0,267 | |
| 090 | m | / | 5 | 5 | 5 | 3,75 | 3 | 5 | 3,75 | 3 | 2,5 | 1,9 | 1,5 |
| Z1 | / | 4 | 3 | 2 | 2 | 2 | 1 | 1 | 1 | 1 | 1 | 1 | |
| γ | / | 33°41’ | 26°34’ | 18°26’ | 14°02’ | 11°19’ | 9°28’ | 7°08’ | 5°43’ | 4°46’ | 3°53’ | 2°52’ | |
| ηd | / | 0,905 | 0,898 | 0,873 | 0,849 | 0,824 | 0,804 | 0,765 | 0,727 | 0,69 | 0,638 | 0,572 | |
| ηs | / | 0,734 | 0,706 | 0,65 | 0,606 | 0,563 | 0,505 | 0,459 | 0,414 | 0,38 | 0,342 | 0,271 | |
| 110 | m | / | 5,9 | 5,9 | 5,9 | 4,6 | 3,75 | 5,9 | 4,6 | 3,75 | 3,15 | 2,4 | 1,9 |
| Z1 | / | 4 | 3 | 2 | 2 | 2 | 1 | 1 | 1 | 1 | 1 | 1 | |
| γ | / | 28°46’ | 22°22’ | 15°21’ | 14°20’ | 14°02’ | 7°49’ | 7°17’ | 7°08’ | 5°48’ | 4°54’ | 3°37’ | |
| ηd | / | 0,901 | 0,891 | 0,862 | 0,848 | 0,851 | 0,793 | 0,776 | 0,768 | 0,729 | 0,692 | 0,628 | |
| ηs | / | 0,721 | 0,691 | 0,631 | 0,618 | 0,598 | 0,482 | 0,478 | 0,451 | 0,415 | 0,372 | 0,319 | |
| 130 | m | / | 7 | 7 | 7 | 5,4 | 4,4 | 7 | 5,4 | 4,4 | 3,75 | 2,75 | 2,25 |
| Z1 | / | 4 | З | 2 | 2 | 2 | 1 | 1 | 1 | 1 | 1 | 1 | |
| γ | / | 29°15’ | 22°47’ | 15°39’ | 13°47’ | 12°24’ | 7°58’ | 7°00’ | 6°17’ | 6°07’ | 3°56’ | 3°41’ | |
| ηd | / | 0,911 | 0,891 | 0,872 | 0,86 | 0,845 | 0,803 | 0,779 | 0,758 | 0,749 | 0,671 | 0,657 | |
| ηs | / | 0,721 | 0,691 | 0,631 | 0,61 | 0,583 | 0,492 | 0,46 | 0,435 | 0,406 | 0,335 | 0,308 | |
| 150 | m | / | 5,4 | 6,16 | 5,4 | 6,16 | 5 | 4,2 | 6,16 | 5 | 4,2 | 3,15 | 2,5 |
| Z1 | / | 6 | 4 | З | 2 | 2 | 2 | 1 | 1 | 1 | 1 | 1 | |
| γ | / | 29°37’ | 24°41’ | 15°52’ | 12°56’ | 11°19’ | 9°56’ | 6°34’ | 5°43’ | 5°00’ | 3°45’ | 2°52’ | |
| ηd | / | 0,911 | 0,901 | 0,881 | 0,858 | 0,851 | 0,832 | 0,776 | 0,778 | 0,738 | 0,701 | 0,638 | |
| ηs | / | 0,731 | 0,711 | 0,661 | 0,599 | 0,577 | 0,542 | 0,448 | 0,43 | 0,394 | 0,34 | 0,289 |
nd –
динамический КПД
ns – статический КПД
m – модуль осевой
Z1 – число витков червяка
γ – угол подъема витка червяка на делитель цилиндра
n2 |
M2 |
S.f. |
i |
Габарит |
Мощность / обороты двигателя |
Fr |
|---|---|---|---|---|---|---|
| 0,09 кВт | ||||||
| 560 | 1 | 5,9 | 5 | NMRW025 | 0,09/2800 | 349 |
| 373,3 | 2 | 3,9 | 7,5 | NMRW025 | 0,09/2800 | 399 |
| 280 | 3 | 3,4 | 10 | NMRW025 | 0,09/2800 | 439 |
| 186,7 | 4 | 2,4 | 15 | NMRW025 | 0,09/2800 | 503 |
| 140 | 5 | 1,9 | 20 | NMRW025 | 0,09/2800 | 553 |
| 93,3 | 7 | 1,3 | 30 | NMRW025 | 0,09/2800 | 633 |
| 70 | 8 | 1,1 | 40 | NMRW025 | 0,09/2800 | 697 |
| 56 | 10 | 0,9 | 50 | NMRW025 | 0,09/2800 | 751 |
| 46,7 | 11 | 0,7 | 60 | NMRW025 | 0,09/2800 | 798 |
| 280 | 3 | 4,1 | 5 | NMRW025 | 0,09/1400 | 439 |
| 186,7 | 4 | 2,8 | 7,5 | NMRW025 | 0,09/1400 | 503 |
| 140 | 5 | 2,4 | 10 | NMRW025 | 0,09/1400 | 553 |
| 93,3 | 7 | 1,6 | 15 | NMRW025 | 0,09/1400 | 633 |
| 70 | 9 | 1,3 | 20 | NMRW025 | 0,09/1400 | 697 |
| 46,7 | 12 | 1,1 | 30 | NMRW025 | 0,09/1400 | 798 |
| 35 | 15 | 0,9 | 40 | NMRW025 | 0,09/1400 | 878 |
| 560 | 1 | 8,8 | 5 | NMRW030 | 0,09/2800 | 474 |
| 373,3 | 2 | 6,5 | 7,5 | NMRW030 | 0,09/2800 | 542 |
| 280 | 3 | 4,9 | 10 | NMRW030 | 0,09/2800 | 597 |
| 186,7 | 4 | 3,4 | 15 | NMRW030 | 0,09/2800 | 683 |
| 140 | 5 | 2,5 | 20 | NMRW030 | 0,09/2800 | 752 |
| 112 | 6 | 2,8 | 25 | NMRW030 | 0,09/2800 | 810 |
| 93,3 | 7 | 2,3 | 30 | NMRW030 | 0,09/2800 | 861 |
| 70 | 8 | 1,7 | 40 | NMRW030 | 0,09/2800 | 948 |
| 56 | 10 | 1,3 | 50 | NMRW030 | 0,09/2800 | 1021 |
| 46,7 | 11 | 1,1 | 60 | NMRW030 | 0,09/2800 | 1085 |
| 35 | 13 | 0,8 | 80 | NMRW030 | 0,09/2800 | 1194 |
| 280 | 3 | 7,1 | 5 | NMRW030 | 0,09/1400 | 597 |
| 186,7 | 4 | 4,9 | 7,5 | NMRW030 | 0,09/1400 | 683 |
| 140 | 5 | 3,7 | 10 | NMRW030 | 0,09/1400 | 752 |
| 93,3 | 7 | 2,6 | 15 | NMRW030 | 0,09/1400 | 861 |
| 70 | 9 | 2 | 20 | NMRW030 | 0,09/1400 | 948 |
| 56 | 11 | 2,1 | 25 | NMRW030 | 0,09/1400 | 1021 |
| 46,7 | 12 | 1,7 | 30 | NMRW030 | 0,09/1400 | 1085 |
| 35 | 15 | 1,3 | 40 | NMRW030 | 0,09/1400 | 1194 |
| 28 | 17 | 1 | 50 | NMRW030 | 0,09/1400 | 1286 |
| 23,3 | 19 | 0,8 | 60 | NMRW030 | 0,09/1400 | 1367 |
| 180 | 4 | 5,2 | 5 | NMRW030 | 0,09/900 | 692 |
| 120 | 6 | 3,5 | 7,5 | NMRW030 | 0,09/900 | 792 |
| 90 | 8 | 2,7 | 10 | NMRW030 | 0,09/900 | 871 |
| 60 | 11 | 2 | 15 | NMRW030 | 0,09/900 | 997 |
| 45 | 14 | 1,5 | 20 | NMRW030 | 0,09/900 | 1098 |
| 36 | 16 | 1,5 | 25 | NMRW030 | 0,09/900 | 1183 |
| 30 | 18 | 1,2 | 30 | NMRW030 | 0,09/900 | 1257 |
| 22,5 | 21 | 1 | 40 | NMRW030 | 0,09/900 | 1383 |
| 18 | 25 | 0,8 | 50 | NMRW030 | 0,09/900 | 1490 |
| 56 | 11 | 2,8 | 50 | NMRW040 | 0,09/2800 | 1964 |
| 46,7 | 12 | 2,3 | 60 | NMRW040 | 0,09/2800 | 2087 |
| 35 | 15 | 1,7 | 80 | NMRW040 | 0,09/2800 | 2298 |
| 28 | 17 | 1,4 | 100 | NMRW040 | 0,09/2800 | 2475 |
| 28 | 19 | 2,2 | 50 | NMRW040 | 0,09/1400 | 2475 |
| 23,3 | 22 | 1,7 | 60 | NMRW040 | 0,09/1400 | 2630 |
| 17,5 | 26 | 1,3 | 80 | NMRW040 | 0,09/1400 | 2895 |
| 14 | 29 | 1 | 100 | NMRW040 | 0,09/1400 | 3118 |
| 45 | 15 | 3,3 | 20 | NMRW040 | 0,09/900 | 2113 |
| 36 | 17 | 2,6 | 25 | NMRW040 | 0,09/900 | 2276 |
| 30 | 19 | 2,8 | 30 | NMRW040 | 0,09/900 | 2419 |
| 22,5 | 24 | 2,1 | 40 | NMRW040 | 0,09/900 | 2662 |
| 18 | 28 | 1,7 | 50 | NMRW040 | 0,09/900 | 2868 |
| 15 | 32 | 1,3 | 60 | NMRW040 | 0,09/900 | 3047 |
| 11,3 | 37 | 0,9 | 80 | NMRW040 | 0,09/900 | 3354 |
| 9 | 42 | 0,8 | 100 | NMRW040 | 0,09/900 | 3490 |
| 18 | 29 | 2,8 | 50 | NMRW050 | 0,09/900 | 3936 |
| 15 | 32 | 2,4 | 60 | NMRW050 | 0,09/900 | 4183 |
| 11,3 | 38 | 1,8 | 80 | NMRW050 | 0,09/900 | 4604 |
| 9 | 43 | 1,3 | 100 | NMRW050 | 0,09/900 | 4840 |
| 0,12 кВт | ||||||
| 373,3 | 3 | 3 | 7,5 | NMRW025 | 0,12/900 | 399 |
| 280 | 4 | 2,6 | 10 | NMRW025 | 0,12/900 | 439 |
| 186,7 | 5 | 1,8 | 15 | NMRW025 | 0,12/900 | 503 |
| 140 | 6 | 1,4 | 20 | NMRW025 | 0,12/900 | 553 |
| 93,3 | 9 | 1 | 30 | NMRW025 | 0,12/900 | 633 |
| 70 | 11 | 0,8 | 40 | NMRW025 | 0,12/900 | 697 |
| 186,7 | 5 | 2,6 | 15 | NMRW030 | 0,12/900 | 683 |
| 140 | 6 | 1,9 | 20 | NMRW030 | 0,12/900 | 752 |
| 112 | 8 | 2,1 | 25 | NMRW030 | 0,12/900 | 810 |
| 93,3 | 9 | 1,7 | 30 | NMRW030 | 0,12/900 | 861 |
| 70 | 11 | 1,3 | 40 | NMRW030 | 0,12/900 | 948 |
| 56 | 13 | 1 | 50 | NMRW030 | 0,12/900 | 1021 |
| 46,7 | 14 | 0,8 | 60 | NMRW030 | 0,12/900 | 1085 |
| 140 | 7 | 2,8 | 10 | NMRW030 | 0,12/1400 | 752 |
| 93,3 | 10 | 2 | 15 | NMRW030 | 0,12/1400 | 861 |
| 70 | 12 | 1,5 | 20 | NMRW030 | 0,12/1400 | 948 |
| 56 | 14 | 1,6 | 25 | NMRW030 | 0,12/1400 | 1021 |
| 46,7 | 16 | 1,3 | 30 | NMRW030 | 0,12/1400 | 1085 |
| 35 | 20 | 1 | 40 | NMRW030 | 0,12/1400 | 1194 |
| 28 | 23 | 0,8 | 50 | NMRW030 | 0,12/1400 | 1286 |
| 120 | 8 | 2,6 | 7,5 | NMRW030 | 0,12/900 | 792 |
| 90 | 10 | 2 | 10 | NMRW030 | 0,12/900 | 871 |
| 60 | 14 | 1,5 | 15 | NMRW030 | 0,12/900 | 997 |
| 45 | 18 | 1,1 | 20 | NMRW030 | 0,12/900 | 1098 |
| 36 | 21 | 1,2 | 25 | NMRW030 | 0,12/900 | 1183 |
| 30 | 24 | 0,9 | 30 | NMRW030 | 0,12/900 | 1257 |
| 22,5 | 29 | 0,7 | 40 | NMRW030 | 0,12/900 | 1383 |
| 56 | 14 | 2,1 | 50 | NMRW040 | 0,12/900 | 1964 |
| 46,7 | 16 | 1,7 | 60 | NMRW040 | 0,12/900 | 2087 |
| 35 | 20 | 1,3 | 80 | NMRW040 | 0,12/900 | 2298 |
| 28 | 23 | 1 | 100 | NMRW040 | 0,12/900 | 2475 |
| 70 | 13 | 3,3 | 20 | NMRW040 | 0,12/1400 | 1824 |
| 56 | 16 | 2,5 | 25 | NMRW040 | 0,12/1400 | 1964 |
| 46,7 | 17 | 2,8 | 30 | NMRW040 | 0,12/1400 | 2087 |
| 35 | 22 | 2,1 | 40 | NMRW040 | 0,12/1400 | 2298 |
| 28 | 26 | 1,6 | 50 | NMRW040 | 0,12/1400 | 2475 |
| 23,3 | 29 | 1,3 | 60 | NMRW040 | 0,12/1400 | 2630 |
| 17,5 | 35 | 1 | 80 | NMRW040 | 0,12/1400 | 2895 |
| 14 | 39 | 0,7 | 100 | NMRW040 | 0,12/1400 | 3118 |
| 60 | 15 | 3,3 | 15 | NMRW040 | 0,12/900 | 1920 |
| 45 | 19 | 2,5 | 20 | NMRW040 | 0,12/900 | 2113 |
| 36 | 23 | 1,9 | 25 | NMRW040 | 0,12/900 | 2276 |
| 30 | 26 | 2,1 | 30 | NMRW040 | 0,12/900 | 2419 |
| 22,5 | 32 | 1,6 | 40 | NMRW040 | 0,12/900 | 2662 |
| 18 | 37 | 1,2 | 50 | NMRW040 | 0,12/900 | 2868 |
| 15 | 42 | 1 | 60 | NMRW040 | 0,12/900 | 3047 |
| 11,3 | 50 | 0,7 | 80 | NMRW040 | 0,12/900 | 3354 |
| 28 | 26 | 2,9 | 50 | NMRW050 | 0,12/1400 | 3397 |
| 23,3 | 29 | 2,4 | 60 | NMRW050 | 0,12/1400 | 3610 |
| 17,5 | 35 | 1,8 | 80 | NMRW050 | 0,12/1400 | 3973 |
| 14 | 41 | 1,3 | 100 | NMRW050 | 0,12/1400 | 4280 |
| 22,5 | 33 | 2,7 | 40 | NMRW050 | 0,12/900 | 3654 |
| 18 | 38 | 2,1 | 50 | NMRW050 | 0,12/900 | 3936 |
| 15 | 43 | 1,8 | 60 | NMRW050 | 0,12/900 | 4183 |
| 11,3 | 51 | 1,3 | 80 | NMRW050 | 0,12/900 | 4604 |
| 9 | 57 | 1 | 100 | NMRW050 | 0,12/900 | 4840 |
| 0,18 кВт | ||||||
| 373,3 | 4 | 3,2 | 7,5 | NMRW030 | 0,18/2800 | 542 |
| 280 | 5 | 2,5 | 10 | NMRW030 | 0,18/2800 | 597 |
| 186,7 | 8 | 1,7 | 15 | NMRW030 | 0,18/2800 | 683 |
| 140 | 10 | 1,2 | 20 | NMRW030 | 0,18/2800 | 752 |
| 112 | 12 | 1,4 | 25 | NMRW030 | 0,18/2800 | 810 |
| 93,3 | 13 | 1,1 | 30 | NMRW030 | 0,18/2800 | 861 |
| 70 | 16 | 0,9 | 40 | NMRW030 | 0,18/2800 | 948 |
| 186,7 | 8 | 2,4 | 7,5 | NMRW030 | 0,18/1400 | 683 |
| 140 | 10 | 1,9 | 10 | NMRW030 | 0,18/1400 | 752 |
| 93,3 | 14 | 1,3 | 15 | NMRW030 | 0,18/1400 | 861 |
| 70 | 18 | 1 | 20 | NMRW030 | 0,18/1400 | 948 |
| 56 | 21 | 1 | 25 | NMRW030 | 0,18/1400 | 1021 |
| 46,7 | 24 | 0,9 | 30 | NMRW030 | 0,18/1400 | 1085 |
| 140 | 10 | 2,8 | 20 | NMRW040 | 0,18/2800 | 1447 |
| 112 | 12 | 2,3 | 25 | NMRW040 | 0,18/2800 | 1559 |
| 93,3 | 14 | 2,4 | 30 | NMRW040 | 0,18/2800 | 1657 |
| 70 | 18 | 1,7 | 40 | NMRW040 | 0,18/2800 | 1824 |
| 56 | 21 | 1,4 | 50 | NMRW040 | 0,18/2800 | 1964 |
| 46,7 | 24 | 1,2 | 60 | NMRW040 | 0,18/2800 | 2087 |
| 35 | 29 | 0,8 | 80 | NMRW040 | 0,18/2800 | 2298 |
| 93,3 | 15 | 2,9 | 15 | NMRW040 | 0,18/1400 | 1657 |
| 70 | 19 | 2,2 | 20 | NMRW040 | 0,18/1400 | 1824 |
| 56 | 23 | 1,7 | 25 | NMRW040 | 0,18/1400 | 1964 |
| 46,7 | 26 | 1,8 | 30 | NMRW040 | 0,18/1400 | 2087 |
| 35 | 32 | 1,4 | 40 | NMRW040 | 0,18/1400 | 2298 |
| 28 | 39 | 1,1 | 50 | NMRW040 | 0,18/1400 | 2475 |
| 23,3 | 43 | 0,9 | 60 | NMRW040 | 0,18/1400 | 2630 |
| 90 | 16 | 3 | 10 | NMRW040 | 0,18/900 | 1677 |
| 60 | 23 | 2,2 | 15 | NMRW040 | 0,18/900 | 1920 |
| 45 | 29 | 1,7 | 20 | NMRW040 | 0,18/900 | 2113 |
| 36 | 35 | 1,3 | 25 | NMRW040 | 0,18/900 | 2276 |
| 30 | 38 | 1,4 | 30 | NMRW040 | 0,18/900 | 2419 |
| 22,5 | 48 | 1 | 40 | NMRW040 | 0,18/900 | 2662 |
| 70 | 18 | 3,2 | 40 | NMRW050 | 0,18/2800 | 2503 |
| 56 | 21 | 2,5 | 50 | NMRW050 | 0,18/2800 | 2696 |
| 46,7 | 25 | 2 | 60 | NMRW050 | 0,18/2800 | 2865 |
| 35 | 30 | 1,5 | 80 | NMRW050 | 0,18/2800 | 3153 |
| 28 | 35 | 1,1 | 100 | NMRW050 | 0,18/2800 | 3397 |
| 35 | 33 | 2,5 | 40 | NMRW050 | 0,18/1400 | 3153 |
| 28 | 39 | 2 | 50 | NMRW050 | 0,18/1400 | 3397 |
| 23,3 | 44 | 1,6 | 60 | NMRW050 | 0,18/1400 | 3610 |
| 17,5 | 53 | 1,2 | 80 | NMRW050 | 0,18/1400 | 3973 |
| 14 | 61 | 0,9 | 100 | NMRW050 | 0,18/1400 | 4280 |
| 45 | 29 | 2,8 | 20 | NMRW050 | 0,18/900 | 2900 |
| 36 | 35 | 2,1 | 25 | NMRW050 | 0,18/900 | 3124 |
| 30 | 40 | 2,4 | 30 | NMRW050 | 0,18/900 | 3320 |
| 22,5 | 49 | 1,8 | 40 | NMRW050 | 0,18/900 | 3654 |
| 18 | 57 | 1,4 | 50 | NMRW050 | 0,18/900 | 3936 |
| 15 | 64 | 1,2 | 60 | NMRW050 | 0,18/900 | 4183 |
| 11,3 | 76 | 0,9 | 80 | NMRW050 | 0,18/900 | 4604 |
| 22,5 | 50 | 3,4 | 40 | NMRW063 | 0,18/900 | 4776 |
| 18 | 59 | 2,7 | 50 | NMRW063 | 0,18/900 | 5145 |
| 15 | 68 | 2,3 | 60 | NMRW063 | 0,18/900 | 5467 |
| 11,3 | 81 | 1,7 | 80 | NMRW063 | 0,18/900 | 6018 |
| 9 | 92 | 1,4 | 100 | NMRW063 | 0,18/900 | 6270 |
| 15 | 71 | 3,5 | 60 | NMRW075 | 0,18/900 | 6453 |
| 11,3 | 86 | 2,6 | 80 | NMRW075 | 0,18/900 | 7103 |
| 9 | 97 | 2 | 100 | NMRW075 | 0,18/900 | 7380 |
| 0,25 кВт | ||||||
| 560 | 4 | 3,2 | 5 | NMRW030 | 0,25/2800 | 474 |
| 373,3 | 6 | 2,3 | 7,5 | NMRW030 | 0,25/2800 | 542 |
| 280 | 7 | 1,8 | 10 | NMRW030 | 0,25/2800 | 597 |
| 186,7 | 10 | 1,2 | 15 | NMRW030 | 0,25/2800 | 683 |
| 140 | 13 | 0,9 | 20 | NMRW030 | 0,25/2800 | 752 |
| 112 | 16 | 1 | 25 | NMRW030 | 0,25/2800 | 810 |
| 93,3 | 18 | 0,8 | 30 | NMRW030 | 0,25/2800 | 861 |
| 280 | 7 | 2,6 | 5 | NMRW030 | 0,25/1400 | 597 |
| 186,7 | 11 | 1,7 | 7,5 | NMRW030 | 0,25/1400 | 683 |
| 140 | 14 | 1,3 | 10 | NMRW030 | 0,25/1400 | 752 |
| 93,3 | 20 | 1 | 15 | NMRW030 | 0,25/1400 | 861 |
| 70 | 25 | 0,7 | 20 | NMRW030 | 0,25/1400 | 948 |
| 56 | 29 | 0,7 | 25 | NMRW030 | 0,25/1400 | 1021 |
| 186,7 | 11 | 2,9 | 15 | NMRW040 | 0,25/2800 | 1315 |
| 140 | 14 | 2 | 20 | NMRW040 | 0,25/2800 | 1447 |
| 112 | 17 | 1,6 | 25 | NMRW040 | 0,25/2800 | 1559 |
| 93,3 | 20 | 1,7 | 30 | NMRW040 | 0,25/2800 | 1657 |
| 70 | 25 | 1,2 | 40 | NMRW040 | 0,25/2800 | 1824 |
| 56 | 29 | 1 | 50 | NMRW040 | 0,25/2800 | 1964 |
| 46,7 | 34 | 0,8 | 60 | NMRW040 | 0,25/2800 | 2087 |
| 28 | 54 | 0,8 | 50 | NMRW040 | 0,25/1400 | 2475 |
| 140 | 15 | 3 | 10 | NMRW040 | 0,25/1400 | 1447 |
| 93,3 | 21 | 2,1 | 15 | NMRW040 | 0,25/1400 | 1657 |
| 70 | 27 | 1,6 | 20 | NMRW040 | 0,25/1400 | 1824 |
| 56 | 32 | 1,2 | 25 | NMRW040 | 0,25/1400 | 1964 |
| 46,7 | 36 | 1,3 | 30 | NMRW040 | 0,25/1400 | 2087 |
| 35 | 45 | 1 | 40 | NMRW040 | 0,25/1400 | 2298 |
| 120 | 17 | 2,7 | 7,5 | NMRW040 | 0,25/900 | 1524 |
| 90 | 22 | 2,2 | 10 | NMRW040 | 0,25/900 | 1677 |
| 60 | 31 | 1,6 | 15 | NMRW040 | 0,25/900 | 1920 |
| 45 | 40 | 1,2 | 20 | NMRW040 | 0,25/900 | 2113 |
| 36 | 48 | 0,9 | 25 | NMRW040 | 0,25/900 | 2276 |
| 30 | 53 | 1 | 30 | NMRW040 | 0,25/900 | 2419 |
| 22,5 | 67 | 0,7 | 40 | NMRW040 | 0,25/900 | 2662 |
| 70 | 25 | 2,3 | 40 | NMRW050 | 0,25/2800 | 2503 |
| 56 | 30 | 1,8 | 50 | NMRW050 | 0,25/2800 | 2696 |
| 46,7 | 34 | 1,5 | 60 | NMRW050 | 0,25/2800 | 2865 |
| 35 | 42 | 1,1 | 80 | NMRW050 | 0,25/2800 | 3153 |
| 28 | 49 | 0,8 | 100 | NMRW050 | 0,25/2800 | 3397 |
| 35 | 46 | 1,8 | 40 | NMRW050 | 0,25/1400 | 3153 |
| 28 | 55 | 1,4 | 50 | NMRW050 | 0,25/1400 | 3397 |
| 23,3 | 61 | 1,2 | 60 | NMRW050 | 0,25/1400 | 3610 |
| 17,5 | 74 | 0,9 | 80 | NMRW050 | 0,25/1400 | 3973 |
| 70 | 27 | 2,9 | 20 | NMRW050 | 0,25/1400 | 2503 |
| 56 | 33 | 2,2 | 25 | NMRW050 | 0,25/1400 | 2696 |
| 46,7 | 37 | 2,4 | 30 | NMRW050 | 0,25/1400 | 2865 |
| 60 | 32 | 2,9 | 15 | NMRW050 | 0,25/900 | 2635 |
| 45 | 41 | 2 | 20 | NMRW050 | 0,25/900 | 2900 |
| 36 | 49 | 1,5 | 25 | NMRW050 | 0,25/900 | 3124 |
| 30 | 55 | 1,7 | 30 | NMRW050 | 0,25/900 | 3320 |
| 22,5 | 68 | 1,3 | 40 | NMRW050 | 0,25/900 | 3654 |
| 18 | 80 | 1 | 50 | NMRW050 | 0,25/900 | 3936 |
| 15 | 89 | 0,9 | 60 | NMRW050 | 0,25/900 | 4183 |
| 35 | 48 | 3,1 | 40 | NMRW063 | 0,25/1400 | 4122 |
| 28 | 57 | 2,5 | 50 | NMRW063 | 0,25/1400 | 4440 |
| 23,3 | 64 | 2,1 | 60 | NMRW063 | 0,25/1400 | 4719 |
| 17,5 | 79 | 1,5 | 80 | NMRW063 | 0,25/1400 | 5193 |
| 14 | 89 | 1,3 | 100 | NMRW063 | 0,25/1400 | 5595 |
| 36 | 50 | 3 | 25 | NMRW063 | 0,25/900 | 4084 |
| 30 | 57 | 3,1 | 30 | NMRW063 | 0,25/900 | 4339 |
| 22,5 | 70 | 2,4 | 40 | NMRW063 | 0,25/900 | 4776 |
| 18 | 82 | 2 | 50 | NMRW063 | 0,25/900 | 5145 |
| 15 | 94 | 1,6 | 60 | NMRW063 | 0,25/900 | 5467 |
| 11,3 | 113 | 1,2 | 80 | NMRW063 | 0,25/900 | 6018 |
| 9 | 127 | 1 | 100 | NMRW063 | 0,25/900 | 6270 |
| 23,3 | 68 | 3,2 | 60 | NMRW075 | 0,25/1400 | 5569 |
| 17,5 | 83 | 2,3 | 80 | NMRW075 | 0,25/1400 | 6130 |
| 14 | 96 | 1,9 | 100 | NMRW075 | 0,25/1400 | 6603 |
| 18 | 85 | 3 | 50 | NMRW075 | 0,25/900 | 6073 |
| 15 | 99 | 2,5 | 60 | NMRW075 | 0,25/900 | 6453 |
| 11,3 | 119 | 1,9 | 80 | NMRW075 | 0,25/900 | 7103 |
| 9 | 135 | 1,4 | 100 | NMRW075 | 0,25/900 | 7380 |
| 0,37 кВт | ||||||
| 560 | 6 | 2,1 | 5 | NMRW030 | 0,37/2800 | 474 |
| 373,3 | 8 | 1,6 | 7,5 | NMRW030 | 0,37/2800 | 542 |
| 280 | 11 | 1,2 | 10 | NMRW030 | 0,37/2800 | 597 |
| 186,7 | 16 | 0,8 | 15 | NMRW030 | 0,37/2800 | 683 |
| 373,3 | 8 | 3,3 | 7,5 | NMRW040 | 0,37/2800 | 1044 |
| 280 | 11 | 2,6 | 10 | NMRW040 | 0,37/2800 | 1149 |
| 186,7 | 16 | 1,9 | 15 | NMRW040 | 0,37/2800 | 1315 |
| 140 | 21 | 1,4 | 20 | NMRW040 | 0,37/2800 | 1447 |
| 112 | 25 | 1,1 | 25 | NMRW040 | 0,37/2800 | 1559 |
| 93,3 | 29 | 1,2 | 30 | NMRW040 | 0,37/2800 | 1657 |
| 70 | 37 | 0,8 | 40 | NMRW040 | 0,37/2800 | 1824 |
| 280 | 11 | 3,2 | 5 | NMRW040 | 0,37/1400 | 1149 |
| 186,7 | 16 | 2,5 | 7,5 | NMRW040 | 0,37/1400 | 1315 |
| 140 | 21 | 2,1 | 10 | NMRW040 | 0,37/1400 | 1447 |
| 93,3 | 31 | 1,4 | 15 | NMRW040 | 0,37/1400 | 1657 |
| 70 | 40 | 1,1 | 20 | NMRW040 | 0,37/1400 | 1824 |
| 56 | 48 | 0,8 | 25 | NMRW040 | 0,37/1400 | 1964 |
| 46,7 | 54 | 0,9 | 30 | NMRW040 | 0,37/1400 | 2087 |
| 180 | 17 | 2,5 | 5 | NMRW040 | 0,37/900 | 1331 |
| 120 | 25 | 1,8 | 7,5 | NMRW040 | 0,37/900 | 1524 |
| 90 | 33 | 1,5 | 10 | NMRW040 | 0,37/900 | 1677 |
| 60 | 47 | 1,1 | 15 | NMRW040 | 0,37/900 | 1920 |
| 45 | 60 | 0,8 | 20 | NMRW040 | 0,37/900 | 2113 |
| 70 | 37 | 1,6 | 40 | NMRW050 | 0,37/2800 | 2503 |
| 56 | 44 | 1,2 | 50 | NMRW050 | 0,37/2800 | 2696 |
| 46,7 | 51 | 1 | 60 | NMRW050 | 0,37/2800 | 2865 |
| 35 | 63 | 0,7 | 80 | NMRW050 | 0,37/2800 | 3153 |
| 186,7 | 16 | 3,5 | 15 | NMRW050 | 0,37/2800 | 1805 |
| 140 | 21 | 2,5 | 20 | NMRW050 | 0,37/2800 | 1987 |
| 112 | 26 | 2 | 25 | NMRW050 | 0,37/2800 | 2140 |
| 93,3 | 29 | 2,2 | 30 | NMRW050 | 0,37/2800 | 2274 |
| 93,3 | 31 | 2,6 | 15 | NMRW050 | 0,37/1400 | 2274 |
| 70 | 40 | 1,9 | 20 | NMRW050 | 0,37/1400 | 2503 |
| 56 | 49 | 1,5 | 25 | NMRW050 | 0,37/1400 | 2696 |
| 46,7 | 55 | 1,6 | 30 | NMRW050 | 0,37/1400 | 2865 |
| 35 | 69 | 1,2 | 40 | NMRW050 | 0,37/1400 | 3153 |
| 28 | 81 | 1 | 50 | NMRW050 | 0,37/1400 | 3397 |
| 23,3 | 91 | 0,8 | 60 | NMRW050 | 0,37/1400 | 3610 |
| 22,5 | 101 | 0,9 | 40 | NMRW050 | 0,37/900 | 3654 |
| 90 | 33 | 2,8 | 10 | NMRW050 | 0,37/900 | 2302 |
| 60 | 47 | 2 | 15 | NMRW050 | 0,37/900 | 2635 |
| 45 | 60 | 1,4 | 20 | NMRW050 | 0,37/900 | 2900 |
| 36 | 73 | 1 | 25 | NMRW050 | 0,37/900 | 3124 |
| 30 | 81 | 1,2 | 30 | NMRW050 | 0,37/900 | 3320 |
| 70 | 38 | 2,9 | 40 | NMRW063 | 0,37/2800 | 3272 |
| 56 | 45 | 2,3 | 50 | NMRW063 | 0,37/2800 | 3524 |
| 46,7 | 52 | 1,9 | 60 | NMRW063 | 0,37/2800 | 3745 |
| 35 | 65 | 1,4 | 80 | NMRW063 | 0,37/2800 | 4122 |
| 28 | 74 | 1,1 | 100 | NMRW063 | 0,37/2800 | 4440 |
| 56 | 50 | 2,7 | 25 | NMRW063 | 0,37/1400 | 3524 |
| 46,7 | 57 | 2,8 | 30 | NMRW063 | 0,37/1400 | 3745 |
| 35 | 72 | 2,1 | 40 | NMRW063 | 0,37/1400 | 4122 |
| 28 | 85 | 1,7 | 50 | NMRW063 | 0,37/1400 | 4440 |
| 23,3 | 95 | 1,4 | 60 | NMRW063 | 0,37/1400 | 4719 |
| 17,5 | 117 | 1 | 80 | NMRW063 | 0,37/1400 | 5193 |
| 14 | 131 | 0,9 | 100 | NMRW063 | 0,37/1400 | 5595 |
| 45 | 61 | 2,7 | 20 | NMRW063 | 0,37/900 | 3791 |
| 36 | 75 | 2 | 25 | NMRW063 | 0,37/900 | 4084 |
| 30 | 84 | 2,1 | 30 | NMRW063 | 0,37/900 | 4339 |
| 22,5 | 104 | 1,7 | 40 | NMRW063 | 0,37/900 | 4776 |
| 18 | 122 | 1,3 | 50 | NMRW063 | 0,37/900 | 5145 |
| 15 | 139 | 1,1 | 60 | NMRW063 | 0,37/900 | 5467 |
| 11,3 | 167 | 0,8 | 80 | NMRW063 | 0,37/900 | 6018 |
| 56 | 47 | 3,5 | 50 | NMRW075 | 0,37/2800 | 4160 |
| 46,7 | 55 | 2,9 | 60 | NMRW075 | 0,37/2800 | 4421 |
| 35 | 68 | 2,1 | 80 | NMRW075 | 0,37/2800 | 4865 |
| 28 | 78 | 1,7 | 100 | NMRW075 | 0,37/2800 | 5241 |
| 35 | 74 | 3,3 | 40 | NMRW075 | 0,37/1400 | 4865 |
| 28 | 88 | 2,5 | 50 | NMRW075 | 0,37/1400 | 5241 |
| 23,3 | 100 | 2,1 | 60 | NMRW075 | 0,37/1400 | 5569 |
| 17,5 | 123 | 1,6 | 80 | NMRW075 | 0,37/1400 | 6130 |
| 14 | 141 | 1,3 | 100 | NMRW075 | 0,37/1400 | 6603 |
| 36 | 77 | 3,1 | 25 | NMRW075 | 0,37/900 | 4820 |
| 30 | 87 | 3,3 | 30 | NMRW075 | 0,37/900 | 5122 |
| 22,5 | 108 | 2,6 | 40 | NMRW075 | 0,37/900 | 5637 |
| 18 | 126 | 2 | 50 | NMRW075 | 0,37/900 | 6073 |
| 15 | 146 | 1,7 | 60 | NMRW075 | 0,37/900 | 6453 |
| 11,3 | 176 | 1,3 | 80 | NMRW075 | 0,37/900 | 7103 |
| 9 | 200 | 1 | 100 | NMRW075 | 0,37/900 | 7380 |
| 18 | 136 | 3,2 | 50 | NMRW090 | 0,37/900 | 6719 |
| 15 | 153 | 2,5 | 60 | NMRW090 | 0,37/900 | 7140 |
| 11,3 | 189 | 1,7 | 80 | NMRW090 | 0,37/900 | 7859 |
| 9 | 216 | 1,3 | 100 | NMRW090 | 0,37/900 | 8180 |
| 11,3 | 201 | 2,8 | 80 | NMRW110 | 0,37/900 | 9931 |
| 9 | 232 | 2,2 | 100 | NMRW110 | 0,37/900 | 10320 |
| 0,55 кВт | ||||||
| 560 | 8 | 2,8 | 5 | NMRW040 | 0,55/2800 | 912 |
| 373,3 | 13 | 2,2 | 7,5 | NMRW040 | 0,55/2800 | 1044 |
| 280 | 17 | 1,8 | 10 | NMRW040 | 0,55/2800 | 1149 |
| 186,7 | 24 | 1,3 | 15 | NMRW040 | 0,55/2800 | 1315 |
| 140 | 31 | 0,9 | 20 | NMRW040 | 0,55/2800 | 1447 |
| 112 | 38 | 0,7 | 25 | NMRW040 | 0,55/2800 | 1559 |
| 93,3 | 43 | 0,8 | 30 | NMRW040 | 0,55/2800 | 1657 |
| 280 | 17 | 2,2 | 5 | NMRW040 | 0,55/1400 | 1149 |
| 186,7 | 24 | 1,7 | 7,5 | NMRW040 | 0,55/1400 | 1315 |
| 140 | 32 | 1,4 | 10 | NMRW040 | 0,55/1400 | 1447 |
| 93,3 | 47 | 0,9 | 15 | NMRW040 | 0,55/1400 | 1657 |
| 70 | 59 | 0,7 | 20 | NMRW040 | 0,55/1400 | 1824 |
| 280 | 17 | 3,2 | 10 | NMRW050 | 0,55/2800 | 1577 |
| 186,7 | 24 | 2,4 | 15 | NMRW050 | 0,55/2800 | 1805 |
| 140 | 31 | 1,7 | 20 | NMRW050 | 0,55/2800 | 1987 |
| 112 | 38 | 1,3 | 25 | NMRW050 | 0,55/2800 | 2140 |
| 93,3 | 43 | 1,5 | 30 | NMRW050 | 0,55/2800 | 2274 |
| 70 | 56 | 1,1 | 40 | NMRW050 | 0,55/2800 | 2503 |
| 56 | 66 | 0,8 | 50 | NMRW050 | 0,55/2800 | 2696 |
| 35 | 102 | 0,8 | 40 | NMRW050 | 0,55/1400 | 3153 |
| 186,7 | 25 | 3,1 | 7,5 | NMRW050 | 0,55/1400 | 1805 |
| 140 | 33 | 2,4 | 10 | NMRW050 | 0,55/1400 | 1987 |
| 93,3 | 47 | 1,7 | 15 | NMRW050 | 0,55/1400 | 2274 |
| 70 | 60 | 1,3 | 20 | NMRW050 | 0,55/1400 | 2503 |
| 56 | 72 | 1 | 25 | NMRW050 | 0,55/1400 | 2696 |
| 46,7 | 82 | 1,1 | 30 | NMRW050 | 0,55/1400 | 2865 |
| 180 | 26 | 3,2 | 5 | NMRW050 | 0,55/900 | 1827 |
| 120 | 38 | 2,4 | 7,5 | NMRW050 | 0,55/900 | 2091 |
| 90 | 50 | 1,9 | 10 | NMRW050 | 0,55/900 | 2302 |
| 60 | 70 | 1,3 | 15 | NMRW050 | 0,55/900 | 2635 |
| 45 | 90 | 0,9 | 20 | NMRW050 | 0,55/900 | 2900 |
| 36 | 108 | 0,7 | 25 | NMRW050 | 0,55/900 | 3124 |
| 30 | 121 | 0,8 | 30 | NMRW050 | 0,55/900 | 3320 |
| 140 | 32 | 3,3 | 20 | NMRW063 | 0,55/2800 | 2597 |
| 112 | 39 | 2,5 | 25 | NMRW063 | 0,55/2800 | 2797 |
| 93,3 | 44 | 2,7 | 30 | NMRW063 | 0,55/2800 | 2973 |
| 70 | 57 | 2 | 40 | NMRW063 | 0,55/2800 | 3272 |
| 56 | 68 | 1,5 | 50 | NMRW063 | 0,55/2800 | 3524 |
| 46,7 | 78 | 1,3 | 60 | NMRW063 | 0,55/2800 | 3745 |
| 35 | 97 | 0,9 | 80 | NMRW063 | 0,55/2800 | 4122 |
| 28 | 111 | 0,7 | 100 | NMRW063 | 0,55/2800 | 4440 |
| 93,3 | 47 | 3,2 | 15 | NMRW063 | 0,55/1400 | 2973 |
| 70 | 62 | 2,4 | 20 | NMRW063 | 0,55/1400 | 3272 |
| 56 | 74 | 1,8 | 25 | NMRW063 | 0,55/1400 | 3524 |
| 46,7 | 84 | 1,9 | 30 | NMRW063 | 0,55/1400 | 3745 |
| 35 | 107 | 1,4 | 40 | NMRW063 | 0,55/1400 | 4122 |
| 28 | 126 | 1,1 | 50 | NMRW063 | 0,55/1400 | 4440 |
| 23,3 | 142 | 0,9 | 60 | NMRW063 | 0,55/1400 | 4719 |
| 17,5 | 174 | 0,7 | 80 | NMRW063 | 0,55/1400 | 5193 |
| 90 | 50 | 3,1 | 10 | NMRW063 | 0,55/900 | 3009 |
| 60 | 72 | 2,4 | 15 | NMRW063 | 0,55/900 | 3444 |
| 45 | 91 | 1,8 | 20 | NMRW063 | 0,55/900 | 3791 |
| 36 | 111 | 1,3 | 25 | NMRW063 | 0,55/900 | 4084 |
| 30 | 124 | 1,4 | 30 | NMRW063 | 0,55/900 | 4339 |
| 22,5 | 154 | 1,1 | 40 | NMRW063 | 0,55/900 | 4776 |
| 18 | 181 | 0,9 | 50 | NMRW063 | 0,55/900 | 5145 |
| 15 | 207 | 0,7 | 60 | NMRW063 | 0,55/900 | 5467 |
| 70 | 59 | 3,1 | 40 | NMRW075 | 0,55/2800 | 3862 |
| 56 | 70 | 2,3 | 50 | NMRW075 | 0,55/2800 | 4160 |
| 46,7 | 81 | 2 | 60 | NMRW075 | 0,55/2800 | 4421 |
| 35 | 101 | 1,4 | 80 | NMRW075 | 0,55/2800 | 4865 |
| 28 | 116 | 1,1 | 100 | NMRW075 | 0,55/2800 | 5241 |
| 56 | 76 | 2,8 | 25 | NMRW075 | 0,55/1400 | 4160 |
| 46,7 | 87 | 2,9 | 30 | NMRW075 | 0,55/1400 | 4421 |
| 35 | 110 | 2,2 | 40 | NMRW075 | 0,55/1400 | 4865 |
| 28 | 131 | 1,7 | 50 | NMRW075 | 0,55/1400 | 5241 |
| 23,3 | 149 | 1,4 | 60 | NMRW075 | 0,55/1400 | 5569 |
| 17,5 | 183 | 1,1 | 80 | NMRW075 | 0,55/1400 | 6130 |
| 14 | 210 | 0,9 | 100 | NMRW075 | 0,55/1400 | 6603 |
| 45 | 93 | 2,9 | 20 | NMRW075 | 0,55/900 | 4474 |
| 36 | 114 | 2,1 | 25 | NMRW075 | 0,55/900 | 4820 |
| 30 | 130 | 2,2 | 30 | NMRW075 | 0,55/900 | 5122 |
| 22,5 | 161 | 1,7 | 40 | NMRW075 | 0,55/900 | 5637 |
| 18 | 187 | 1,4 | 50 | NMRW075 | 0,55/900 | 6073 |
| 15 | 217 | 1,1 | 60 | NMRW075 | 0,55/900 | 6453 |
| 11,3 | 262 | 0,8 | 80 | NMRW075 | 0,55/900 | 7103 |
| 35 | 114 | 3,5 | 40 | NMRW090 | 0,55/1400 | 5383 |
| 28 | 137 | 2,7 | 50 | NMRW090 | 0,55/1400 | 5799 |
| 23,3 | 158 | 2,2 | 60 | NMRW090 | 0,55/1400 | 6163 |
| 17,5 | 192 | 1,5 | 80 | NMRW090 | 0,55/1400 | 6783 |
| 14 | 225 | 1,2 | 100 | NMRW090 | 0,55/1400 | 7306 |
| 36 | 117 | 3,5 | 25 | NMRW090 | 0,55/900 | 5333 |
| 22,5 | 168 | 2,7 | 40 | NMRW090 | 0,55/900 | 6238 |
| 18 | 201 | 2,1 | 50 | NMRW090 | 0,55/900 | 6719 |
| 15 | 228 | 1,7 | 60 | NMRW090 | 0,55/900 | 7140 |
| 11,3 | 280 | 1,1 | 80 | NMRW090 | 0,55/900 | 7859 |
| 9 | 321 | 0,9 | 100 | NMRW090 | 0,55/900 | 8180 |
| 17,5 | 204 | 2,5 | 80 | NMRW110 | 0,55/1400 | 8571 |
| 14 | 240 | 2 | 100 | NMRW110 | 0,55/1400 | 9232 |
| 15 | 242 | 2,8 | 60 | NMRW110 | 0,55/900 | 9023 |
| 11,3 | 299 | 1,9 | 80 | NMRW110 | 0,55/900 | 9931 |
| 9 | 344 | 1,5 | 100 | NMRW110 | 0,55/900 | 10320 |
| 0,75 кВт | ||||||
| 560 | 12 | 2,1 | 5 | NMRW040 | 0,75/2800 | 912 |
| 373,3 | 17 | 1,6 | 7,5 | NMRW040 | 0,75/2800 | 1044 |
| 280 | 23 | 1,3 | 10 | NMRW040 | 0,75/2800 | 1149 |
| 186,7 | 33 | 1 | 15 | NMRW040 | 0,75/2800 | 1315 |
| 70 | 76 | 0,8 | 40 | NMRW050 | 0,75/2800 | 2503 |
| 373,3 | 17 | 3 | 7,5 | NMRW050 | 0,75/2800 | 1433 |
| 280 | 23 | 2,4 | 10 | NMRW050 | 0,75/2800 | 1577 |
| 186,7 | 33 | 1,7 | 15 | NMRW050 | 0,75/2800 | 1805 |
| 140 | 42 | 1,2 | 20 | NMRW050 | 0,75/2800 | 1987 |
| 112 | 52 | 1 | 25 | NMRW050 | 0,75/2800 | 2140 |
| 93,3 | 59 | 1,1 | 30 | NMRW050 | 0,75/2800 | 2274 |
| 280 | 23 | 3 | 5 | NMRW050 | 0,75/1400 | 1577 |
| 186,7 | 34 | 2,3 | 7,5 | NMRW050 | 0,75/1400 | 1805 |
| 140 | 45 | 1,8 | 10 | NMRW050 | 0,75/1400 | 1987 |
| 93,3 | 64 | 1,3 | 15 | NMRW050 | 0,75/1400 | 2274 |
| 70 | 82 | 1 | 20 | NMRW050 | 0,75/1400 | 2503 |
| 56 | 99 | 0,7 | 25 | NMRW050 | 0,75/1400 | 2696 |
| 46,7 | 112 | 0,8 | 30 | NMRW050 | 0,75/1400 | 2865 |
| 180 | 35 | 2,3 | 5 | NMRW050 | 0,75/900 | 1827 |
| 120 | 51 | 1,8 | 7,5 | NMRW050 | 0,75/900 | 2091 |
| 90 | 68 | 1,4 | 10 | NMRW050 | 0,75/900 | 2302 |
| 60 | 96 | 1 | 15 | NMRW050 | 0,75/900 | 2635 |
| 186,7 | 33 | 3,3 | 15 | NMRW063 | 0,75/2800 | 2359 |
| 140 | 44 | 2,4 | 20 | NMRW063 | 0,75/2800 | 2597 |
| 112 | 53 | 1,8 | 25 | NMRW063 | 0,75/2800 | 2797 |
| 93,3 | 61 | 2 | 30 | NMRW063 | 0,75/2800 | 2973 |
| 70 | 78 | 1,4 | 40 | NMRW063 | 0,75/2800 | 3272 |
| 56 | 92 | 1,1 | 50 | NMRW063 | 0,75/2800 | 3524 |
| 46,7 | 106 | 0,9 | 60 | NMRW063 | 0,75/2800 | 3745 |
| 140 | 45 | 3 | 10 | NMRW063 | 0,75/1400 | 2597 |
| 93,3 | 64 | 2,3 | 15 | NMRW063 | 0,75/1400 | 2973 |
| 70 | 84 | 1,7 | 20 | NMRW063 | 0,75/1400 | 3272 |
| 56 | 101 | 1,3 | 25 | NMRW063 | 0,75/1400 | 3524 |
| 46,7 | 115 | 1,4 | 30 | NMRW063 | 0,75/1400 | 3745 |
| 35 | 145 | 1 | 40 | NMRW063 | 0,75/1400 | 4122 |
| 28 | 171 | 0,8 | 50 | NMRW063 | 0,75/1400 | 4440 |
| 120 | 53 | 2,9 | 7,5 | NMRW063 | 0,75/900 | 2734 |
| 90 | 68 | 2,3 | 10 | NMRW063 | 0,75/900 | 3009 |
| 60 | 98 | 1,7 | 15 | NMRW063 | 0,75/900 | 3444 |
| 45 | 124 | 1,3 | 20 | NMRW063 | 0,75/900 | 3791 |
| 36 | 151 | 1 | 25 | NMRW063 | 0,75/900 | 4084 |
| 30 | 170 | 1 | 30 | NMRW063 | 0,75/900 | 4339 |
| 22,5 | 210 | 0,8 | 40 | NMRW063 | 0,75/900 | 4776 |
| 112 | 54 | 2,9 | 25 | NMRW075 | 0,75/2800 | 3302 |
| 93,3 | 62 | 3 | 30 | NMRW075 | 0,75/2800 | 3509 |
| 70 | 80 | 2,3 | 40 | NMRW075 | 0,75/2800 | 3862 |
| 56 | 96 | 1,7 | 50 | NMRW075 | 0,75/2800 | 4160 |
| 46,7 | 111 | 1,4 | 60 | NMRW075 | 0,75/2800 | 4421 |
| 35 | 137 | 1 | 80 | NMRW075 | 0,75/2800 | 4865 |
| 28 | 159 | 0,8 | 100 | NMRW075 | 0,75/2800 | 5241 |
| 93,3 | 66 | 3,5 | 15 | NMRW075 | 0,75/1400 | 3509 |
| 70 | 85 | 2,8 | 20 | NMRW075 | 0,75/1400 | 3862 |
| 56 | 104 | 2,1 | 25 | NMRW075 | 0,75/1400 | 4160 |
| 46,7 | 118 | 2,1 | 30 | NMRW075 | 0,75/1400 | 4421 |
| 35 | 149 | 1,6 | 40 | NMRW075 | 0,75/1400 | 4865 |
| 28 | 179 | 1,3 | 50 | NMRW075 | 0,75/1400 | 5241 |
| 23,3 | 203 | 1,1 | 60 | NMRW075 | 0,75/1400 | 5569 |
| 17,5 | 250 | 0,8 | 80 | NMRW075 | 0,75/1400 | 6130 |
| 90 | 68 | 3,4 | 10 | NMRW075 | 0,75/900 | 3551 |
| 60 | 99 | 2,7 | 15 | NMRW075 | 0,75/900 | 4065 |
| 45 | 127 | 2,1 | 20 | NMRW075 | 0,75/900 | 4474 |
| 36 | 155 | 1,6 | 25 | NMRW075 | 0,75/900 | 4820 |
| 30 | 177 | 1,6 | 30 | NMRW075 | 0,75/900 | 5122 |
| 22,5 | 220 | 1,3 | 40 | NMRW075 | 0,75/900 | 5637 |
| 18 | 255 | 1 | 50 | NMRW075 | 0,75/900 | 6073 |
| 15 | 296 | 0,8 | 60 | NMRW075 | 0,75/900 | 6453 |
| 70 | 82 | 3,4 | 40 | NMRW090 | 0,75/2800 | 4273 |
| 56 | 99 | 2,7 | 50 | NMRW090 | 0,75/2800 | 4603 |
| 46,7 | 115 | 2,1 | 60 | NMRW090 | 0,75/2800 | 4891 |
| 35 | 143 | 1,6 | 80 | NMRW090 | 0,75/2800 | 5383 |
| 28 | 169 | 1,2 | 100 | NMRW090 | 0,75/2800 | 5799 |
| 35 | 156 | 2,5 | 40 | NMRW090 | 0,75/1400 | 5383 |
| 28 | 187 | 2 | 50 | NMRW090 | 0,75/1400 | 5799 |
| 23,3 | 215 | 1,6 | 60 | NMRW090 | 0,75/1400 | 6163 |
| 17,5 | 262 | 1,1 | 80 | NMRW090 | 0,75/1400 | 6783 |
| 14 | 307 | 0,9 | 100 | NMRW090 | 0,75/1400 | 7306 |
| 45 | 131 | 3,3 | 20 | NMRW090 | 0,75/900 | 4951 |
| 36 | 159 | 2,6 | 25 | NMRW090 | 0,75/900 | 5333 |
| 30 | 182 | 2,7 | 30 | NMRW090 | 0,75/900 | 5667 |
| 22,5 | 229 | 2 | 40 | NMRW090 | 0,75/900 | 6238 |
| 18 | 275 | 1,6 | 50 | NMRW090 | 0,75/900 | 6719 |
| 15 | 311 | 1,2 | 60 | NMRW090 | 0,75/900 | 7140 |
| 11,3 | 382 | 0,8 | 80 | NMRW090 | 0,75/900 | 7859 |
| 35 | 152 | 2,6 | 80 | NMRW110 | 0,75/2800 | 6803 |
| 28 | 179 | 2,1 | 100 | NMRW110 | 0,75/2800 | 7328 |
| 28 | 194 | 3,4 | 50 | NMRW110 | 0,75/1400 | 7328 |
| 23,3 | 227 | 2,7 | 60 | NMRW110 | 0,75/1400 | 7787 |
| 17,5 | 278 | 1,8 | 80 | NMRW110 | 0,75/1400 | 8571 |
| 14 | 328 | 1,5 | 100 | NMRW110 | 0,75/1400 | 9232 |
| 22,5 | 239 | 3,3 | 40 | NMRW110 | 0,75/900 | 7882 |
| 18 | 287 | 2,6 | 50 | NMRW110 | 0,75/900 | 8491 |
| 15 | 330 | 2,1 | 60 | NMRW110 | 0,75/900 | 9023 |
| 11,3 | 408 | 1,4 | 80 | NMRW110 | 0,75/900 | 9931 |
| 9 | 470 | 1,1 | 100 | NMRW110 | 0,75/900 | 10320 |
| 11,3 | 414 | 2,1 | 80 | NMRW130 | 0,75/900 | 12989 |
| 9 | 478 | 1,6 | 100 | NMRW130 | 0,75/900 | 13500 |
| 1,1 кВт | ||||||
| 560 | 17 | 2,6 | 5 | NMRW050 | 1,1/2800 | 1251 |
| 373,3 | 25 | 2,1 | 7,5 | NMRW050 | 1,1/2800 | 1433 |
| 280 | 33 | 1,6 | 10 | NMRW050 | 1,1/2800 | 1577 |
| 186,7 | 48 | 1,2 | 15 | NMRW050 | 1,1/2800 | 1805 |
| 140 | 62 | 0,9 | 20 | NMRW050 | 1,1/2800 | 1987 |
| 93,3 | 87 | 0,7 | 30 | NMRW050 | 1,1/2800 | 2274 |
| 280 | 33 | 2 | 5 | NMRW050 | 1,1/1400 | 1577 |
| 186,7 | 50 | 1,6 | 7,5 | NMRW050 | 1,1/1400 | 1805 |
| 140 | 65 | 1,2 | 10 | NMRW050 | 1,1/1400 | 1987 |
| 93,3 | 93 | 0,9 | 15 | NMRW050 | 1,1/1400 | 2274 |
| 280 | 33 | 3 | 10 | NMRW063 | 1,1/2800 | 2061 |
| 186,7 | 49 | 2,2 | 15 | NMRW063 | 1,1/2800 | 2359 |
| 140 | 64 | 1,6 | 20 | NMRW063 | 1,1/2800 | 2597 |
| 112 | 78 | 1,2 | 25 | NMRW063 | 1,1/2800 | 2797 |
| 93,3 | 89 | 1,4 | 30 | NMRW063 | 1,1/2800 | 2973 |
| 70 | 114 | 1 | 40 | NMRW063 | 1,1/2800 | 3272 |
| 56 | 135 | 0,8 | 50 | NMRW063 | 1,1/2800 | 3524 |
| 186,7 | 50 | 2,6 | 7,5 | NMRW063 | 1,1/1400 | 2359 |
| 140 | 65 | 2,1 | 10 | NMRW063 | 1,1/1400 | 2597 |
| 93,3 | 95 | 1,6 | 15 | NMRW063 | 1,1/1400 | 2973 |
| 70 | 123 | 1,2 | 20 | NMRW063 | 1,1/1400 | 3272 |
| 56 | 148 | 0,9 | 25 | NMRW063 | 1,1/1400 | 3524 |
| 46,7 | 169 | 0,9 | 30 | NMRW063 | 1,1/1400 | 3745 |
| 120 | 77 | 2 | 7,5 | NMRW063 | 1,1/900 | 2734 |
| 90 | 99 | 1,5 | 10 | NMRW063 | 1,1/900 | 3009 |
| 60 | 144 | 1,2 | 15 | NMRW063 | 1,1/900 | 3444 |
| 45 | 182 | 0,9 | 20 | NMRW063 | 1,1/900 | 3791 |
| 30 | 249 | 0,7 | 30 | NMRW063 | 1,1/900 | 4339 |
| 186,7 | 50 | 3,3 | 15 | NMRW075 | 1,1/2800 | 2785 |
| 140 | 65 | 2,7 | 20 | NMRW075 | 1,1/2800 | 3065 |
| 112 | 79 | 2 | 25 | NMRW075 | 1,1/2800 | 3302 |
| 93,3 | 91 | 2 | 30 | NMRW075 | 1,1/2800 | 3509 |
| 70 | 117 | 1,5 | 40 | NMRW075 | 1,1/2800 | 3862 |
| 56 | 141 | 1,2 | 50 | NMRW075 | 1,1/2800 | 4160 |
| 46,7 | 162 | 1 | 60 | NMRW075 | 1,1/2800 | 4421 |
| 35 | 201 | 0,7 | 80 | NMRW075 | 1,1/2800 | 4865 |
| 140 | 66 | 3 | 10 | NMRW075 | 1,1/1400 | 3065 |
| 93,3 | 97 | 2,4 | 15 | NMRW075 | 1,1/1400 | 3509 |
| 70 | 125 | 1,9 | 20 | NMRW075 | 1,1/1400 | 3862 |
| 56 | 152 | 1,4 | 25 | NMRW075 | 1,1/1400 | 4160 |
| 46,7 | 173 | 1,4 | 30 | NMRW075 | 1,1/1400 | 4421 |
| 35 | 219 | 1,1 | 40 | NMRW075 | 1,1/1400 | 4865 |
| 28 | 263 | 0,9 | 50 | NMRW075 | 1,1/1400 | 5241 |
| 23,3 | 297 | 0,7 | 60 | NMRW075 | 1,1/1400 | 5569 |
| 120 | 77 | 2,8 | 7,5 | NMRW075 | 1,1/900 | 3227 |
| 90 | 100 | 2,3 | 10 | NMRW075 | 1,1/900 | 3551 |
| 60 | 145 | 1,8 | 15 | NMRW075 | 1,1/900 | 4065 |
| 45 | 187 | 1,4 | 20 | NMRW075 | 1,1/900 | 4474 |
| 36 | 228 | 1,1 | 25 | NMRW075 | 1,1/900 | 4820 |
| 30 | 259 | 1,1 | 30 | NMRW075 | 1,1/900 | 5122 |
| 22,5 | 322 | 0,9 | 40 | NMRW075 | 1,1/900 | 5637 |
| 112 | 81 | 3,1 | 25 | NMRW090 | 1,1/2800 | 3653 |
| 93,3 | 93 | 3,3 | 30 | NMRW090 | 1,1/2800 | 3882 |
| 70 | 120 | 2,3 | 40 | NMRW090 | 1,1/2800 | 4273 |
| 56 | 145 | 1,8 | 50 | NMRW090 | 1,1/2800 | 4603 |
| 46,7 | 169 | 1,5 | 60 | NMRW090 | 1,1/2800 | 4891 |
| 35 | 210 | 1,1 | 80 | NMRW090 | 1,1/2800 | 5383 |
| 28 | 248 | 0,8 | 100 | NMRW090 | 1,1/2800 | 5799 |
| 70 | 128 | 3,1 | 20 | NMRW090 | 1,1/1400 | 4273 |
| 56 | 156 | 2,4 | 25 | NMRW090 | 1,1/1400 | 4603 |
| 46,7 | 178 | 2,4 | 30 | NMRW090 | 1,1/1400 | 4891 |
| 35 | 228 | 1,7 | 40 | NMRW090 | 1,1/1400 | 5383 |
| 28 | 274 | 1,4 | 50 | NMRW090 | 1,1/1400 | 5799 |
| 23,3 | 315 | 1,1 | 60 | NMRW090 | 1,1/1400 | 6163 |
| 17,5 | 384 | 0,7 | 80 | NMRW090 | 1,1/1400 | 6783 |
| 60 | 149 | 3,1 | 15 | NMRW090 | 1,1/900 | 4498 |
| 45 | 192 | 2,2 | 20 | NMRW090 | 1,1/900 | 4951 |
| 36 | 234 | 1,7 | 25 | NMRW090 | 1,1/900 | 5333 |
| 30 | 266 | 1,8 | 30 | NMRW090 | 1,1/900 | 5667 |
| 22,5 | 336 | 1,3 | 40 | NMRW090 | 1,1/900 | 6238 |
| 18 | 403 | 1,1 | 50 | NMRW090 | 1,1/900 | 6719 |
| 15 | 455 | 0,8 | 60 | NMRW090 | 1,1/900 | 7140 |
| 56 | 150 | 3,3 | 50 | NMRW110 | 1,1/2800 | 5816 |
| 46,7 | 176 | 2,7 | 60 | NMRW110 | 1,1/2800 | 6181 |
| 35 | 222 | 1,8 | 80 | NMRW110 | 1,1/2800 | 6803 |
| 28 | 263 | 1,4 | 100 | NMRW110 | 1,1/2800 | 7328 |
| 35 | 237 | 3 | 40 | NMRW110 | 1,1/1400 | 6803 |
| 28 | 285 | 2,3 | 50 | NMRW110 | 1,1/1400 | 7328 |
| 23,3 | 333 | 1,8 | 60 | NMRW110 | 1,1/1400 | 7787 |
| 17,5 | 408 | 1,3 | 80 | NMRW110 | 1,1/1400 | 8571 |
| 14 | 480 | 1 | 100 | NMRW110 | 1,1/1400 | 9232 |
| 36 | 239 | 3,2 | 25 | NMRW110 | 1,1/900 | 6739 |
| 30 | 270 | 3,1 | 30 | NMRW110 | 1,1/900 | 7161 |
| 22,5 | 350 | 2,3 | 40 | NMRW110 | 1,1/900 | 7882 |
| 18 | 420 | 1,8 | 50 | NMRW110 | 1,1/900 | 8491 |
| 15 | 483 | 1,4 | 60 | NMRW110 | 1,1/900 | 9023 |
| 11,3 | 598 | 0,9 | 80 | NMRW110 | 1,1/900 | 9931 |
| 9 | 689 | 0,7 | 100 | NMRW110 | 1,1/900 | 10320 |
| 11,3 | 607 | 1,4 | 80 | NMRW130 | 1,1/900 | 12989 |
| 9 | 701 | 1,1 | 100 | NMRW130 | 1,1/900 | 13500 |
| 17,5 | 414 | 2 | 80 | NMRW130 | 1,1/1400 | 11210 |
| 14 | 488 | 1,5 | 100 | NMRW130 | 1,1/1400 | 12076 |
| 1,5 кВт | ||||||
| 560 | 23 | 1,9 | 5 | NMRW050 | 1,5/2800 | 1251 |
| 373,3 | 35 | 1,5 | 7,5 | NMRW050 | 1,5/2800 | 1433 |
| 280 | 46 | 1,2 | 10 | NMRW050 | 1,5/2800 | 1577 |
| 186,7 | 66 | 0,9 | 15 | NMRW050 | 1,5/2800 | 1805 |
| 373,3 | 35 | 2,7 | 7,5 | NMRW063 | 1,5/2800 | 1873 |
| 280 | 46 | 2,2 | 10 | NMRW063 | 1,5/2800 | 2061 |
| 186,7 | 67 | 1,6 | 15 | NMRW063 | 1,5/2800 | 2359 |
| 140 | 87 | 1,2 | 20 | NMRW063 | 1,5/2800 | 2597 |
| 112 | 106 | 0,9 | 25 | NMRW063 | 1,5/2800 | 2797 |
| 93,3 | 121 | 1 | 30 | NMRW063 | 1,5/2800 | 2973 |
| 70 | 156 | 0,7 | 40 | NMRW063 | 1,5/2800 | 3272 |
| 186,7 | 68 | 1,9 | 7,5 | NMRW063 | 1,5/1400 | 2359 |
| 140 | 89 | 1,5 | 10 | NMRW063 | 1,5/1400 | 2597 |
| 93,3 | 129 | 1,2 | 15 | NMRW063 | 1,5/1400 | 2973 |
| 70 | 168 | 0,9 | 20 | NMRW063 | 1,5/1400 | 3272 |
| 120 | 105 | 2 | 7,5 | NMRW075 | 1,5/900 | 3227 |
| 90 | 137 | 1,7 | 10 | NMRW075 | 1,5/900 | 3551 |
| 60 | 198 | 1,3 | 15 | NMRW075 | 1,5/900 | 4065 |
| 45 | 255 | 1,1 | 20 | NMRW075 | 1,5/900 | 4474 |
| 36 | 311 | 0,8 | 25 | NMRW075 | 1,5/900 | 4820 |
| 30 | 354 | 0,8 | 30 | NMRW075 | 1,5/900 | 5122 |
| 280 | 46 | 3,3 | 10 | NMRW075 | 1,5/2800 | 2433 |
| 186,7 | 68 | 2,4 | 15 | NMRW075 | 1,5/2800 | 2785 |
| 140 | 88 | 2 | 20 | NMRW075 | 1,5/2800 | 3065 |
| 112 | 107 | 1,5 | 25 | NMRW075 | 1,5/2800 | 3302 |
| 93,3 | 124 | 1,5 | 30 | NMRW075 | 1,5/2800 | 3509 |
| 70 | 160 | 1,1 | 40 | NMRW075 | 1,5/2800 | 3862 |
| 56 | 192 | 0,9 | 50 | NMRW075 | 1,5/2800 | 4160 |
| 46,7 | 221 | 0,7 | 60 | NMRW075 | 1,5/2800 | 4421 |
| 186,7 | 68 | 2,7 | 7,5 | NMRW075 | 1,5/1400 | 2785 |
| 140 | 90 | 2,2 | 10 | NMRW075 | 1,5/1400 | 3065 |
| 93,3 | 132 | 1,7 | 15 | NMRW075 | 1,5/1400 | 3509 |
| 70 | 170 | 1,4 | 20 | NMRW075 | 1,5/1400 | 3862 |
| 56 | 207 | 1 | 25 | NMRW075 | 1,5/1400 | 4160 |
| 46,7 | 236 | 1 | 30 | NMRW075 | 1,5/1400 | 4421 |
| 35 | 299 | 0,8 | 40 | NMRW075 | 1,5/1400 | 4865 |
| 90 | 139 | 2,9 | 10 | NMRW090 | 1,5/900 | 3929 |
| 60 | 203 | 2,3 | 15 | NMRW090 | 1,5/900 | 4498 |
| 45 | 261 | 1,6 | 20 | NMRW090 | 1,5/900 | 4951 |
| 36 | 318 | 1,3 | 25 | NMRW090 | 1,5/900 | 5333 |
| 30 | 363 | 1,3 | 30 | NMRW090 | 1,5/900 | 5667 |
| 22,5 | 459 | 1 | 40 | NMRW090 | 1,5/900 | 6238 |
| 140 | 90 | 2,9 | 20 | NMRW090 | 1,5/2800 | 3391 |
| 112 | 110 | 2,3 | 25 | NMRW090 | 1,5/2800 | 3653 |
| 93,3 | 127 | 2,4 | 30 | NMRW090 | 1,5/2800 | 3882 |
| 70 | 164 | 1,7 | 40 | NMRW090 | 1,5/2800 | 4273 |
| 56 | 197 | 1,3 | 50 | NMRW090 | 1,5/2800 | 4603 |
| 46,7 | 230 | 1,1 | 60 | NMRW090 | 1,5/2800 | 4891 |
| 35 | 287 | 0,8 | 80 | NMRW090 | 1,5/2800 | 5383 |
| 93,3 | 134 | 3 | 15 | NMRW090 | 1,5/1400 | 3882 |
| 70 | 174 | 2,2 | 20 | NMRW090 | 1,5/1400 | 4273 |
| 56 | 212 | 1,8 | 25 | NMRW090 | 1,5/1400 | 4603 |
| 46,7 | 243 | 1,8 | 30 | NMRW090 | 1,5/1400 | 4891 |
| 35 | 311 | 1,3 | 40 | NMRW090 | 1,5/1400 | 5383 |
| 28 | 374 | 1 | 50 | NMRW090 | 1,5/1400 | 5799 |
| 23,3 | 430 | 0,8 | 60 | NMRW090 | 1,5/1400 | 6163 |
| 45 | 268 | 2,7 | 20 | NMRW110 | 1,5/900 | 6256 |
| 36 | 326 | 2,3 | 25 | NMRW110 | 1,5/900 | 6739 |
| 30 | 368 | 2,3 | 30 | NMRW110 | 1,5/900 | 7161 |
| 22,5 | 478 | 1,7 | 40 | NMRW110 | 1,5/900 | 7882 |
| 18 | 573 | 1,3 | 50 | NMRW110 | 1,5/900 | 8491 |
| 15 | 659 | 1 | 60 | NMRW110 | 1,5/900 | 9023 |
| 70 | 170 | 3,1 | 40 | NMRW110 | 1,5/2800 | 5399 |
| 56 | 205 | 2,4 | 50 | NMRW110 | 1,5/2800 | 5816 |
| 46,7 | 240 | 2 | 60 | NMRW110 | 1,5/2800 | 6181 |
| 35 | 303 | 1,3 | 80 | NMRW110 | 1,5/2800 | 6803 |
| 28 | 358 | 1 | 100 | NMRW110 | 1,5/2800 | 7328 |
| 56 | 218 | 3,1 | 25 | NMRW110 | 1,5/1400 | 5816 |
| 46,7 | 246 | 3 | 30 | NMRW110 | 1,5/1400 | 6181 |
| 35 | 323 | 2,2 | 40 | NMRW110 | 1,5/1400 | 6803 |
| 28 | 389 | 1,7 | 50 | NMRW110 | 1,5/1400 | 7328 |
| 23,3 | 455 | 1,4 | 60 | NMRW110 | 1,5/1400 | 7787 |
| 17,5 | 557 | 0,9 | 80 | NMRW110 | 1,5/1400 | 8571 |
| 14 | 655 | 0,7 | 100 | NMRW110 | 1,5/1400 | 9232 |
| 36 | 330 | 3,2 | 25 | NMRW130 | 1,5/900 | 8814 |
| 30 | 377 | 3,1 | 30 | NMRW130 | 1,5/900 | 9366 |
| 22,5 | 484 | 2,3 | 40 | NMRW130 | 1,5/900 | 10309 |
| 18 | 581 | 1,8 | 50 | NMRW130 | 1,5/900 | 11105 |
| 15 | 669 | 1,4 | 60 | NMRW130 | 1,5/900 | 11801 |
| 11,3 | 828 | 1 | 80 | NMRW130 | 1,5/900 | 12989 |
| 9 | 955 | 0,8 | 100 | NMRW130 | 1,5/900 | 13500 |
| 17,5 | 565 | 1,5 | 80 | NMRW130 | 1,5/1400 | 11210 |
| 14 | 665 | 1,1 | 100 | NMRW130 | 1,5/1400 | 12076 |
| 18 | 589 | 2,7 | 50 | NMRW150 | 1,5/1400 | 15182 |
| 15 | 678 | 2,1 | 60 | NMRW150 | 1,5/1400 | 16133 |
| 11,3 | 841 | 1,5 | 80 | NMRW150 | 1,5/1400 | 17757 |
| 9 | 971 | 1,2 | 100 | NMRW150 | 1,5/1400 | 18000 |
| 2,2 кВт | ||||||
| 373,3 | 51 | 1,8 | 7,5 | NMRW063 | 2,2/2800 | 1873 |
| 280 | 67 | 1,5 | 10 | NMRW063 | 2,2/2800 | 2061 |
| 186,7 | 98 | 1,1 | 15 | NMRW063 | 2,2/2800 | 2359 |
| 140 | 128 | 0,8 | 20 | NMRW063 | 2,2/2800 | 2597 |
| 186,7 | 100 | 1,8 | 7,5 | NMRW075 | 2,2/1400 | 2785 |
| 140 | 132 | 1,5 | 10 | NMRW075 | 2,2/1400 | 3065 |
| 93,3 | 194 | 1,2 | 15 | NMRW075 | 2,2/1400 | 3509 |
| 70 | 249 | 0,9 | 20 | NMRW075 | 2,2/1400 | 3862 |
| 56 | 304 | 0,7 | 25 | NMRW075 | 2,2/1400 | 4160 |
| 46,7 | 347 | 0,7 | 30 | NMRW075 | 2,2/1400 | 4421 |
| 120 | 154 | 1,4 | 7,5 | NMRW075 | 2,2/900 | 3227 |
| 90 | 201 | 1,1 | 10 | NMRW075 | 2,2/900 | 3551 |
| 60 | 291 | 0,9 | 15 | NMRW075 | 2,2/900 | 4065 |
| 45 | 374 | 0,7 | 20 | NMRW075 | 2,2/900 | 4474 |
| 373,3 | 51 | 2,6 | 7,5 | NMRW075 | 2,2/2800 | 2210 |
| 280 | 68 | 2,2 | 10 | NMRW075 | 2,2/2800 | 2433 |
| 186,7 | 99 | 1,7 | 15 | NMRW075 | 2,2/2800 | 2785 |
| 140 | 129 | 1,3 | 20 | NMRW075 | 2,2/2800 | 3065 |
| 112 | 158 | 1 | 25 | NMRW075 | 2,2/2800 | 3302 |
| 93,3 | 182 | 1 | 30 | NMRW075 | 2,2/2800 | 3509 |
| 70 | 234 | 0,8 | 40 | NMRW075 | 2,2/2800 | 3862 |
| 186,7 | 101 | 3,1 | 7,5 | NMRW090 | 2,2/1400 | 3081 |
| 140 | 134 | 2,6 | 10 | NMRW090 | 2,2/1400 | 3391 |
| 93,3 | 196 | 2 | 15 | NMRW090 | 2,2/1400 | 3882 |
| 70 | 255 | 1,5 | 20 | NMRW090 | 2,2/1400 | 4273 |
| 56 | 312 | 1,2 | 25 | NMRW090 | 2,2/1400 | 4603 |
| 46,7 | 356 | 1,2 | 30 | NMRW090 | 2,2/1400 | 4891 |
| 35 | 456 | 0,9 | 40 | NMRW090 | 2,2/1400 | 5383 |
| 120 | 156 | 2,4 | 7,5 | NMRW090 | 2,2/900 | 3570 |
| 90 | 203 | 2 | 10 | NMRW090 | 2,2/900 | 3929 |
| 60 | 298 | 1,6 | 15 | NMRW090 | 2,2/900 | 4498 |
| 45 | 383 | 1,1 | 20 | NMRW090 | 2,2/900 | 4951 |
| 36 | 467 | 0,9 | 25 | NMRW090 | 2,2/900 | 5333 |
| 30 | 532 | 0,9 | 30 | NMRW090 | 2,2/900 | 5667 |
| 280 | 68 | 3,5 | 10 | NMRW090 | 2,2/2800 | 2692 |
| 186,7 | 100 | 2,7 | 15 | NMRW090 | 2,2/2800 | 3081 |
| 140 | 132 | 2 | 20 | NMRW090 | 2,2/2800 | 3391 |
| 112 | 161 | 1,5 | 25 | NMRW090 | 2,2/2800 | 3653 |
| 93,3 | 187 | 1,7 | 30 | NMRW090 | 2,2/2800 | 3882 |
| 70 | 240 | 1,1 | 40 | NMRW090 | 2,2/2800 | 4273 |
| 56 | 289 | 0,9 | 50 | NMRW090 | 2,2/2800 | 4603 |
| 46,7 | 338 | 0,7 | 60 | NMRW090 | 2,2/2800 | 4891 |
| 93,3 | 196 | 3,3 | 15 | NMRW110 | 2,2/1400 | 4905 |
| 70 | 258 | 2,5 | 20 | NMRW110 | 2,2/1400 | 5399 |
| 56 | 319 | 2,1 | 25 | NMRW110 | 2,2/1400 | 5816 |
| 46,7 | 360 | 2 | 30 | NMRW110 | 2,2/1400 | 6181 |
| 35 | 474 | 1,5 | 40 | NMRW110 | 2,2/1400 | 6803 |
| 28 | 571 | 1,2 | 50 | NMRW110 | 2,2/1400 | 7328 |
| 23,3 | 667 | 0,9 | 60 | NMRW110 | 2,2/1400 | 7787 |
| 90 | 206 | 3,5 | 10 | NMRW110 | 2,2/900 | 4965 |
| 60 | 301 | 2,5 | 15 | NMRW110 | 2,2/900 | 5684 |
| 45 | 392 | 1,8 | 20 | NMRW110 | 2,2/900 | 6256 |
| 36 | 479 | 1,6 | 25 | NMRW110 | 2,2/900 | 6739 |
| 30 | 539 | 1,6 | 30 | NMRW110 | 2,2/900 | 7161 |
| 22,5 | 701 | 1,1 | 40 | NMRW110 | 2,2/900 | 7882 |
| 18 | 841 | 0,9 | 50 | NMRW110 | 2,2/900 | 8491 |
| 15 | 967 | 0,7 | 60 | NMRW110 | 2,2/900 | 9023 |
| 112 | 165 | 3,1 | 25 | NMRW110 | 2,2/2800 | 4616 |
| 93,3 | 189 | 2,9 | 30 | NMRW110 | 2,2/2800 | 4905 |
| 70 | 249 | 2,1 | 40 | NMRW110 | 2,2/2800 | 5399 |
| 56 | 300 | 1,6 | 50 | NMRW110 | 2,2/2800 | 5816 |
| 46,7 | 351 | 1,3 | 60 | NMRW110 | 2,2/2800 | 6181 |
| 35 | 444 | 0,9 | 80 | NMRW110 | 2,2/2800 | 6803 |
| 28 | 525 | 0,7 | 100 | NMRW110 | 2,2/2800 | 7328 |
| 56 | 319 | 2,9 | 25 | NMRW130 | 2,2/1400 | 7607 |
| 46,7 | 365 | 2,9 | 30 | NMRW130 | 2,2/1400 | 8084 |
| 35 | 474 | 2,2 | 40 | NMRW130 | 2,2/1400 | 8897 |
| 28 | 571 | 1,7 | 50 | NMRW130 | 2,2/1400 | 9584 |
| 23,3 | 658 | 1,4 | 60 | NMRW130 | 2,2/1400 | 10185 |
| 17,5 | 829 | 1 | 80 | NMRW130 | 2,2/1400 | 11210 |
| 14 | 976 | 0,8 | 100 | NMRW130 | 2,2/1400 | 12076 |
| 36 | 485 | 2,2 | 25 | NMRW130 | 2,2/900 | 8814 |
| 30 | 554 | 2,1 | 30 | NMRW130 | 2,2/900 | 9366 |
| 22,5 | 710 | 1,5 | 40 | NMRW130 | 2,2/900 | 10309 |
| 18 | 852 | 1,2 | 50 | NMRW130 | 2,2/900 | 11105 |
| 15 | 981 | 1 | 60 | NMRW130 | 2,2/900 | 11801 |
| 11,3 | 1214 | 0,7 | 80 | NMRW130 | 2,2/900 | 12989 |
| 28 | 578 | 2,4 | 50 | NMRW150 | 2,2/1400 | 13103 |
| 23,3 | 667 | 1,9 | 60 | NMRW150 | 2,2/1400 | 13924 |
| 17,5 | 829 | 1,4 | 80 | NMRW150 | 2,2/1400 | 15325 |
| 14 | 976 | 1 | 100 | NMRW150 | 2,2/1400 | 16508 |
| 18 | 864 | 1,9 | 50 | NMRW150 | 2,2/900 | 15182 |
| 15 | 995 | 1,4 | 60 | NMRW150 | 2,2/900 | 16133 |
| 11,3 | 1233 | 1,1 | 80 | NMRW150 | 2,2/900 | 17757 |
| 9 | 1425 | 0,8 | 100 | NMRW150 | 2,2/900 | 18000 |
| 3 кВт | ||||||
| 373,3 | 70 | 1,9 | 7,5 | NMRW075 | 3/2800 | 2210 |
| 280 | 92 | 1,6 | 10 | NMRW075 | 3/2800 | 2433 |
| 186,7 | 135 | 1,2 | 15 | NMRW075 | 3/2800 | 2785 |
| 140 | 176 | 1 | 20 | NMRW075 | 3/2800 | 3065 |
| 112 | 215 | 0,7 | 25 | NMRW075 | 3/2800 | 3302 |
| 93,3 | 249 | 0,7 | 30 | NMRW075 | 3/2800 | 3509 |
| 186,7 | 137 | 1,4 | 7,5 | NMRW075 | 3/1400 | 2785 |
| 140 | 180 | 1,1 | 10 | NMRW075 | 3/1400 | 3065 |
| 93,3 | 264 | 0,9 | 15 | NMRW075 | 3/1400 | 3509 |
| 120 | 210 | 1 | 7,5 | NMRW075 | 3/900 | 3227 |
| 90 | 274 | 0,8 | 10 | NMRW075 | 3/900 | 3551 |
| 373,3 | 71 | 3 | 7,5 | NMRW090 | 3/2800 | 2446 |
| 280 | 92 | 2,6 | 10 | NMRW090 | 3/2800 | 2692 |
| 186,7 | 137 | 2 | 15 | NMRW090 | 3/2800 | 3081 |
| 140 | 180 | 1,4 | 20 | NMRW090 | 3/2800 | 3391 |
| 112 | 220 | 1,1 | 25 | NMRW090 | 3/2800 | 3653 |
| 93,3 | 255 | 1,2 | 30 | NMRW090 | 3/2800 | 3882 |
| 70 | 328 | 0,8 | 40 | NMRW090 | 3/2800 | 4273 |
| 186,7 | 138 | 2,3 | 7,5 | NMRW090 | 3/1400 | 3081 |
| 140 | 182 | 1,9 | 10 | NMRW090 | 3/1400 | 3391 |
| 93,3 | 267 | 1,5 | 15 | NMRW090 | 3/1400 | 3882 |
| 70 | 348 | 1,1 | 20 | NMRW090 | 3/1400 | 4273 |
| 56 | 425 | 0,9 | 25 | NMRW090 | 3/1400 | 4603 |
| 46,7 | 485 | 0,9 | 30 | NMRW090 | 3/1400 | 4891 |
| 120 | 213 | 1,8 | 7,5 | NMRW090 | 3/900 | 3570 |
| 90 | 277 | 1,5 | 10 | NMRW090 | 3/900 | 3929 |
| 60 | 406 | 1,1 | 15 | NMRW090 | 3/900 | 4498 |
| 45 | 522 | 0,8 | 20 | NMRW090 | 3/900 | 4951 |
| 140 | 182 | 2,7 | 20 | NMRW110 | 3/2800 | 4285 |
| 112 | 225 | 2,2 | 25 | NMRW110 | 3/2800 | 4616 |
| 93,3 | 258 | 2,1 | 30 | NMRW110 | 3/2800 | 4905 |
| 70 | 340 | 1,6 | 40 | NMRW110 | 3/2800 | 5399 |
| 56 | 409 | 1,2 | 50 | NMRW110 | 3/2800 | 5816 |
| 46,7 | 479 | 1 | 60 | NMRW110 | 3/2800 | 6181 |
| 140 | 182 | 3,3 | 10 | NMRW110 | 3/1400 | 4285 |
| 93,3 | 267 | 2,5 | 15 | NMRW110 | 3/1400 | 4905 |
| 70 | 352 | 1,8 | 20 | NMRW110 | 3/1400 | 5399 |
| 56 | 435 | 1,6 | 25 | NMRW110 | 3/1400 | 5816 |
| 46,7 | 491 | 1,5 | 30 | NMRW110 | 3/1400 | 6181 |
| 35 | 647 | 1,1 | 40 | NMRW110 | 3/1400 | 6803 |
| 28 | 778 | 0,8 | 50 | NMRW110 | 3/1400 | 7328 |
| 120 | 213 | 3,1 | 7,5 | NMRW110 | 3/900 | 4511 |
| 90 | 280 | 2,5 | 10 | NMRW110 | 3/900 | 4965 |
| 60 | 411 | 1,8 | 15 | NMRW110 | 3/900 | 5684 |
| 45 | 535 | 1,4 | 20 | NMRW110 | 3/900 | 6256 |
| 36 | 653 | 1,2 | 25 | NMRW110 | 3/900 | 6739 |
| 30 | 736 | 1,1 | 30 | NMRW110 | 3/900 | 7161 |
| 22,5 | 955 | 0,8 | 40 | NMRW110 | 3/900 | 7882 |
| 56 | 435 | 2,1 | 25 | NMRW130 | 3/1400 | 7607 |
| 46,7 | 497 | 2,1 | 30 | NMRW130 | 3/1400 | 8084 |
| 35 | 647 | 1,6 | 40 | NMRW130 | 3/1400 | 8897 |
| 28 | 778 | 1,3 | 50 | NMRW130 | 3/1400 | 9584 |
| 23,3 | 897 | 1 | 60 | NMRW130 | 3/1400 | 10185 |
| 17,5 | 1130 | 0,7 | 80 | NMRW130 | 3/1400 | 11210 |
| 18 | 1162 | 0,9 | 50 | NMRW130 | 3/900 | 11105 |
| 15 | 1338 | 0,7 | 60 | NMRW130 | 3/900 | 11801 |
| 36 | 661 | 1,6 | 25 | NMRW130 | 3/900 | 8814 |
| 30 | 755 | 1,6 | 30 | NMRW130 | 3/900 | 9366 |
| 22,5 | 968 | 1,1 | 40 | NMRW130 | 3/900 | 10309 |
| 90 | 280 | 3,4 | 10 | NMRW130 | 3/900 | 6494 |
| 60 | 406 | 2,6 | 15 | NMRW130 | 3/900 | 7434 |
| 45 | 541 | 1,9 | 20 | NMRW130 | 3/900 | 8182 |
| 28 | 788 | 1,8 | 50 | NMRW150 | 3/1400 | 13103 |
| 23,3 | 909 | 1,4 | 60 | NMRW150 | 3/1400 | 13924 |
| 17,5 | 1130 | 1 | 80 | NMRW150 | 3/1400 | 15325 |
| 14 | 1331 | 0,8 | 100 | NMRW150 | 3/1400 | 16508 |
| 11,3 | 1682 | 0,8 | 80 | NMRW150 | 3/900 | 17757 |
| 18 | 1178 | 1,4 | 50 | NMRW150 | 3/900 | 15182 |
| 15 | 1357 | 1,1 | 60 | NMRW150 | 3/900 | 16133 |
| 45 | 541 | 2,8 | 20 | NMRW150 | 3/900 | 11186 |
| 36 | 669 | 2,1 | 25 | NMRW150 | 3/900 | 12050 |
| 30 | 783 | 1,8 | 30 | NMRW150 | 3/900 | 12805 |
| 22,5 | 968 | 1,9 | 40 | NMRW150 | 3/900 | 14094 |
| 4 кВт | ||||||
| 373,3 | 93 | 1,4 | 7,5 | NMRW075 | 4/2800 | 2210 |
| 280 | 123 | 1,2 | 10 | NMRW075 | 4/2800 | 2433 |
| 186,7 | 180 | 0,9 | 15 | NMRW075 | 4/2800 | 2785 |
| 140 | 235 | 0,7 | 20 | NMRW075 | 4/2800 | 3065 |
| 186,7 | 182 | 1 | 7,5 | NMRW075 | 4/1400 | 2785 |
| 140 | 240 | 0,8 | 10 | NMRW075 | 4/1400 | 3065 |
| 373,3 | 94 | 2,2 | 7,5 | NMRW090 | 4/2800 | 2446 |
| 280 | 123 | 1,9 | 10 | NMRW090 | 4/2800 | 2692 |
| 186,7 | 182 | 1,5 | 15 | NMRW090 | 4/2800 | 3081 |
| 140 | 240 | 1,1 | 20 | NMRW090 | 4/2800 | 3391 |
| 112 | 293 | 0,9 | 25 | NMRW090 | 4/2800 | 3653 |
| 93,3 | 340 | 0,9 | 30 | NMRW090 | 4/2800 | 3882 |
| 186,7 | 184 | 1,7 | 7,5 | NMRW090 | 4/1400 | 3081 |
| 140 | 243 | 1,4 | 10 | NMRW090 | 4/1400 | 3391 |
| 93,3 | 356 | 1,1 | 15 | NMRW090 | 4/1400 | 3882 |
| 70 | 464 | 0,8 | 20 | NMRW090 | 4/1400 | 4273 |
| 186,7 | 184 | 2,7 | 15 | NMRW110 | 4/2800 | 3893 |
| 140 | 243 | 2 | 20 | NMRW110 | 4/2800 | 4285 |
| 112 | 300 | 1,7 | 25 | NMRW110 | 4/2800 | 4616 |
| 93,3 | 344 | 1,6 | 30 | NMRW110 | 4/2800 | 4905 |
| 70 | 453 | 1,2 | 40 | NMRW110 | 4/2800 | 5399 |
| 56 | 546 | 0,9 | 50 | NMRW110 | 4/2800 | 5816 |
| 46,7 | 639 | 0,7 | 60 | NMRW110 | 4/2800 | 6181 |
| 186,7 | 184 | 3 | 7,5 | NMRW110 | 4/1400 | 3893 |
| 140 | 243 | 2,5 | 10 | NMRW110 | 4/1400 | 4285 |
| 93,3 | 356 | 1,8 | 15 | NMRW110 | 4/1400 | 4905 |
| 70 | 470 | 1,4 | 20 | NMRW110 | 4/1400 | 5399 |
| 56 | 580 | 1,2 | 25 | NMRW110 | 4/1400 | 5816 |
| 46,7 | 655 | 1,1 | 30 | NMRW110 | 4/1400 | 6181 |
| 35 | 863 | 0,8 | 40 | NMRW110 | 4/1400 | 6803 |
| 120 | 283 | 2,3 | 7,5 | NMRW110 | 4/900 | 4511 |
| 90 | 374 | 1,9 | 10 | NMRW110 | 4/900 | 4965 |
| 60 | 548 | 1,4 | 15 | NMRW110 | 4/900 | 5684 |
| 45 | 713 | 1 | 20 | NMRW110 | 4/900 | 6256 |
| 36 | 870 | 0,9 | 25 | NMRW110 | 4/900 | 6739 |
| 30 | 981 | 0,9 | 30 | NMRW110 | 4/900 | 7161 |
| 56 | 580 | 1,6 | 25 | NMRW130 | 4/1400 | 7607 |
| 46,7 | 663 | 1,6 | 30 | NMRW130 | 4/1400 | 8084 |
| 35 | 863 | 1,2 | 40 | NMRW130 | 4/1400 | 8897 |
| 28 | 1037 | 0,9 | 50 | NMRW130 | 4/1400 | 9584 |
| 23,3 | 1196 | 0,8 | 60 | NMRW130 | 4/1400 | 10185 |
| 120 | 287 | 3,1 | 7,5 | NMRW130 | 4/900 | 5901 |
| 90 | 374 | 2,6 | 10 | NMRW130 | 4/900 | 6494 |
| 60 | 541 | 2 | 15 | NMRW130 | 4/900 | 7434 |
| 45 | 722 | 1,4 | 20 | NMRW130 | 4/900 | 8182 |
| 36 | 881 | 1,2 | 25 | NMRW130 | 4/900 | 8814 |
| 30 | 1006 | 1,2 | 30 | NMRW130 | 4/900 | 9366 |
| 22,5 | 1291 | 0,9 | 40 | NMRW130 | 4/900 | 10309 |
| 28 | 1051 | 1,3 | 50 | NMRW150 | 4/1400 | 13103 |
| 23,3 | 1212 | 1 | 60 | NMRW150 | 4/1400 | 13924 |
| 17,5 | 1507 | 0,8 | 80 | NMRW150 | 4/1400 | 15325 |
| 45 | 722 | 2,1 | 20 | NMRW150 | 4/900 | 11186 |
| 36 | 892 | 1,5 | 25 | NMRW150 | 4/900 | 12050 |
| 30 | 1045 | 1,3 | 30 | NMRW150 | 4/900 | 12805 |
| 22,5 | 1291 | 1,4 | 40 | NMRW150 | 4/900 | 14094 |
| 18 | 1571 | 1 | 50 | NMRW150 | 4/900 | 15182 |
| 15 | 1809 | 0,8 | 60 | NMRW150 | 4/900 | 16133 |
| 5,5 кВт | ||||||
| 373,3 | 128 | 1 | 7,5 | NMRW075 | 5,5/2800 | 2210 |
| 280 | 169 | 0,9 | 10 | NMRW075 | 5,5/2800 | 2433 |
| 373,3 | 129 | 1,6 | 7,5 | NMRW090 | 5,5/2800 | 2446 |
| 280 | 169 | 1,4 | 10 | NMRW090 | 5,5/2800 | 2692 |
| 186,7 | 251 | 1,1 | 15 | NMRW090 | 5,5/2800 | 3081 |
| 140 | 330 | 0,8 | 20 | NMRW090 | 5,5/2800 | 3391 |
| 373,3 | 129 | 3 | 7,5 | NMRW110 | 5,5/2800 | 3090 |
| 280 | 171 | 2,6 | 10 | NMRW110 | 5,5/2800 | 3401 |
| 186,7 | 253 | 1,9 | 15 | NMRW110 | 5,5/2800 | 3893 |
| 140 | 334 | 1,4 | 20 | NMRW110 | 5,5/2800 | 4285 |
| 112 | 413 | 1,2 | 25 | NMRW110 | 5,5/2800 | 4616 |
| 93,3 | 473 | 1,2 | 30 | NMRW110 | 5,5/2800 | 4905 |
| 70 | 623 | 0,8 | 40 | NMRW110 | 5,5/2800 | 5399 |
| 120 | 390 | 1,7 | 7,5 | NMRW110 | 5,5/900 | 4511 |
| 90 | 514 | 1,4 | 10 | NMRW110 | 5,5/900 | 4965 |
| 60 | 753 | 1 | 15 | NMRW110 | 5,5/900 | 5684 |
| 45 | 981 | 0,7 | 20 | NMRW110 | 5,5/900 | 6256 |
| 186,7 | 253 | 2,2 | 7,5 | NMRW110 | 5,5/1400 | 3893 |
| 140 | 334 | 1,8 | 10 | NMRW110 | 5,5/1400 | 4285 |
| 93,3 | 490 | 1,3 | 15 | NMRW110 | 5,5/1400 | 4905 |
| 70 | 646 | 1 | 20 | NMRW110 | 5,5/1400 | 5399 |
| 56 | 798 | 0,9 | 25 | NMRW110 | 5,5/1400 | 5816 |
| 46,7 | 901 | 0,8 | 30 | NMRW110 | 5,5/1400 | 6181 |
| 120 | 394 | 2,2 | 7,5 | NMRW130 | 5,5/900 | 5901 |
| 90 | 514 | 1,9 | 10 | NMRW130 | 5,5/900 | 6494 |
| 60 | 744 | 1,4 | 15 | NMRW130 | 5,5/900 | 7434 |
| 45 | 993 | 1 | 20 | NMRW130 | 5,5/900 | 8182 |
| 36 | 1212 | 0,9 | 25 | NMRW130 | 5,5/900 | 8814 |
| 30 | 1384 | 0,8 | 30 | NMRW130 | 5,5/900 | 9366 |
| 186,7 | 256 | 2,9 | 7,5 | NMRW130 | 5,5/1400 | 5092 |
| 140 | 334 | 2,5 | 10 | NMRW130 | 5,5/1400 | 5605 |
| 93,3 | 490 | 1,9 | 15 | NMRW130 | 5,5/1400 | 6416 |
| 70 | 653 | 1,4 | 20 | NMRW130 | 5,5/1400 | 7062 |
| 56 | 798 | 1,2 | 25 | NMRW130 | 5,5/1400 | 7607 |
| 46,7 | 912 | 1,1 | 30 | NMRW130 | 5,5/1400 | 8084 |
| 35 | 1186 | 0,9 | 40 | NMRW130 | 5,5/1400 | 8897 |
| 45 | 993 | 1,5 | 20 | NMRW150 | 5,5/900 | 11186 |
| 36 | 1226 | 1,1 | 25 | NMRW150 | 5,5/900 | 12050 |
| 30 | 1436 | 1 | 30 | NMRW150 | 5,5/900 | 12805 |
| 22,5 | 1775 | 1 | 40 | NMRW150 | 5,5/900 | 14094 |
| 18 | 2160 | 0,7 | 50 | NMRW150 | 5,5/900 | 15182 |
| 70 | 653 | 2 | 20 | NMRW150 | 5,5/1400 | 9654 |
| 56 | 798 | 1,5 | 25 | NMRW150 | 5,5/1400 | 10400 |
| 46,7 | 946 | 1,3 | 30 | NMRW150 | 5,5/1400 | 11051 |
| 35 | 1186 | 1,3 | 40 | NMRW150 | 5,5/1400 | 12163 |
| 28 | 1445 | 1 | 50 | NMRW150 | 5,5/1400 | 13103 |
| 23,3 | 1667 | 0,8 | 60 | NMRW150 | 5,5/1400 | 13924 |
| 7,5 кВт | ||||||
| 186,7 | 345 | 1,6 | 7,5 | NMRW110 | 7,5/1400 | 3893 |
| 140 | 456 | 1,3 | 10 | NMRW110 | 7,5/1400 | 4285 |
| 93,3 | 668 | 1 | 15 | NMRW110 | 7,5/1400 | 4905 |
| 70 | 880 | 0,7 | 20 | NMRW110 | 7,5/1400 | 5399 |
| 373,3 | 177 | 2,2 | 7,5 | NMRW110 | 7,5/2800 | 3090 |
| 280 | 233 | 1,9 | 10 | NMRW110 | 7,5/2800 | 3401 |
| 186,7 | 345 | 1,4 | 15 | NMRW110 | 7,5/2800 | 3893 |
| 140 | 456 | 1,1 | 20 | NMRW110 | 7,5/2800 | 4285 |
| 186,7 | 349 | 2,1 | 7,5 | NMRW130 | 7,5/1400 | 5092 |
| 140 | 456 | 1,8 | 10 | NMRW130 | 7,5/1400 | 5605 |
| 93,3 | 668 | 1,4 | 15 | NMRW130 | 7,5/1400 | 6416 |
| 70 | 891 | 1 | 20 | NMRW130 | 7,5/1400 | 7062 |
| 56 | 1088 | 0,9 | 25 | NMRW130 | 7,5/1400 | 7607 |
| 46,7 | 1244 | 0,8 | 30 | NMRW130 | 7,5/1400 | 8084 |
| 70 | 891 | 1,5 | 20 | NMRW150 | 7,5/1400 | 9654 |
| 56 | 1088 | 1,1 | 25 | NMRW150 | 7,5/1400 | 10400 |
| 46,7 | 1290 | 0,9 | 30 | NMRW150 | 7,5/1400 | 11051 |
| 35 | 1617 | 1 | 40 | NMRW150 | 7,5/1400 | 12163 |
| 28 | 1971 | 0,7 | 50 | NMRW150 | 7,5/1400 | 13103 |
| 120 | 537 | 2,6 | 7,5 | NMRW150 | 7,5/900 | 8067 |
| 90 | 709 | 2,1 | 10 | NMRW150 | 7,5/900 | 8878 |
| 60 | 1039 | 1,4 | 15 | NMRW150 | 7,5/900 | 10163 |
| 45 | 1354 | 1,1 | 20 | NMRW150 | 7,5/900 | 11186 |
| 36 | 1672 | 0,8 | 25 | NMRW150 | 7,5/900 | 12050 |
| 11 кВт | ||||||
| 373,3 | 259 | 1,5 | 7,5 | NMRW110 | 11/2800 | 3090 |
| 280 | 342 | 1,3 | 10 | NMRW110 | 11/2800 | 3401 |
| 186,7 | 507 | 1,1 | 7,5 | NMRW110 | 11/1400 | 3893 |
| 140 | 668 | 0,9 | 10 | NMRW110 | 11/1400 | 4285 |
| 186,7 | 512 | 1,5 | 7,5 | NMRW130 | 11/1400 | 5092 |
| 140 | 668 | 1,2 | 10 | NMRW130 | 11/1400 | 5605 |
| 93,3 | 980 | 0,9 | 15 | NMRW130 | 11/1400 | 6416 |
| 70 | 1306 | 1 | 20 | NMRW150 | 11/1400 | 9654 |
| 56 | 1595 | 0,8 | 25 | NMRW150 | 11/1400 | 10400 |
| 120 | 788 | 1,8 | 7,5 | NMRW150 | 11/900 | 8067 |
| 90 | 1039 | 1,4 | 10 | NMRW150 | 11/900 | 8878 |
| 60 | 1524 | 1 | 15 | NMRW150 | 11/900 | 10163 |
| 45 | 1985 | 0,8 | 20 | NMRW150 | 11/900 | 11186 |
| 186,7 | 512 | 2,3 | 7,5 | NMRW150 | 11/1400 | 6962 |
| 140 | 676 | 1,8 | 10 | NMRW150 | 11/1400 | 7663 |
| 93,3 | 991 | 1,3 | 15 | NMRW150 | 11/1400 | 8771 |
| 15 кВт | ||||||
| 186,7 | 699 | 1,7 | 7,5 | NMRW150 | 15/1400 | 6962 |
| 140 | 921 | 1,3 | 10 | NMRW150 | 15/1400 | 7663 |
| 93,3 | 1351 | 0,9 | 15 | NMRW150 | 15/1400 | 8771 |
| 70 | 1781 | 0,7 | 20 | NMRW150 | 15/1400 | 9654 |
,
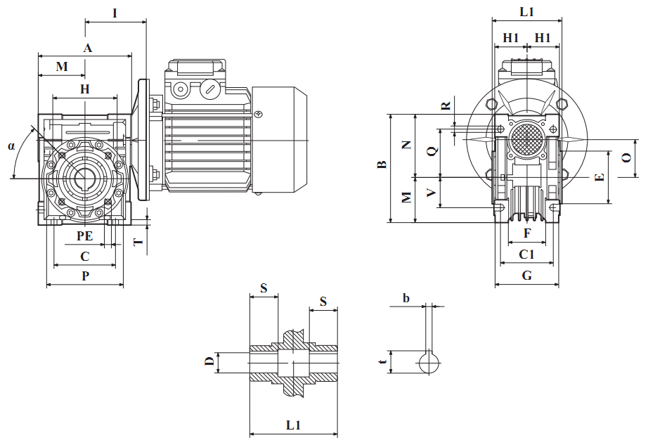
| NMRW | А | В | С | С1 | D(*) | Е | F | G | Н | Н1 | I | L1 | М | N | O |
|---|---|---|---|---|---|---|---|---|---|---|---|---|---|---|---|
| 030 | 80 | 97 | 54 | 44 | 14 | 55 | 32 | 56 | 65 | 29 | 55 | 63 | 40 | 57 | 30 |
| 040 | 100 | 121,5 | 70 | 60 | 18(19) | 60 | 43 | 71 | 75 | 36,5 | 70 | 78 | 50 | 71,5 | 40 |
| 050 | 120 | 144 | 80 | 70 | 25(24) | 70 | 49 | 85 | 85 | 43,5 | 80 | 92 | 60 | 84 | 50 |
| 063 | 144 | 174 | 100 | 85 | 25(28) | 80 | 67 | 103 | 95 | 53 | 95 | 112 | 72 | 102 | 63 |
| 075 | 172 | 205 | 120 | 90 | 28(35) | 95 | 72 | 112 | 115 | 57 | 112,5 | 120 | 86 | 119 | 75 |
| 090 | 206 | 238 | 140 | 100 | 35(38) | 110 | 74 | 130 | 130 | 67 | 129,5 | 140 | 103 | 135 | 90 |
| 110 | 255 | 295 | 170 | 115 | 42 | 130 | - | 144 | 165 | 74 | 160 | 155 | 127,5 | 167,5 | 110 |
| 130 | 293 | 335 | 200 | 120 | 45 | 180 | - | 155 | 215 | 81 | 179 | 170 | 146,5 | 187,5 | 130 |
| 150 | 340 | 400 | 240 | 145 | 50 | 180 | - | 185 | 215 | 96 | 210 | 200 | 170 | 230 | 150 |
| NMRW | Р | Q | R | S | Т | V | РЕ | b | t | α | Масса, кг |
|---|---|---|---|---|---|---|---|---|---|---|---|
| 030 | 75 | 44 | 6,5 | 21 | 5,5 | 27 | М6х11(n=4) | 5 | 16,3 | 0° | 1,2 |
| 040 | 87 | 55 | 6,5 | 26 | 6,5 | 35 | М6х8(n=4) | 6 | 20,8(21,8) | 45° | 2,3 |
| 050 | 100 | 64 | 8,5 | 30 | 7 | 40 | М8х10(n=4) | 8 | 28,3(27,3) | 45° | 3,8 |
| 063 | 110 | 80 | 8,5 | 36 | 8 | 50 | М8х14(n=8) | 8 | 28,3(31,3) | 45° | 6,2 |
| 075 | 140 | 93 | 11 | 40 | 10 | 60 | М8х14(n=8) | 8(10) | 31,3(38,3) | 45° | 9,0 |
| 090 | 160 | 102 | 13 | 45 | 11 | 70 | М10х18(n=8) | 10 | 38,3(41,3) | 45° | 13,0 |
| 110 | 200 | 125 | 14 | 50 | 14 | 85 | М10х18(n=8) | 12 | 45,3 | 45° | 42,5 |
| 130 | 250 | 140 | 16 | 60 | 15 | 100 | М12х21(n=8) | 14 | 48,8 | 45° | 59,0 |
| 150 | 250 | 180 | 18 | 72,5 | 18 | 120 | М12х21(n=8) | 14 | 53,8 | 45° | 87,0 |
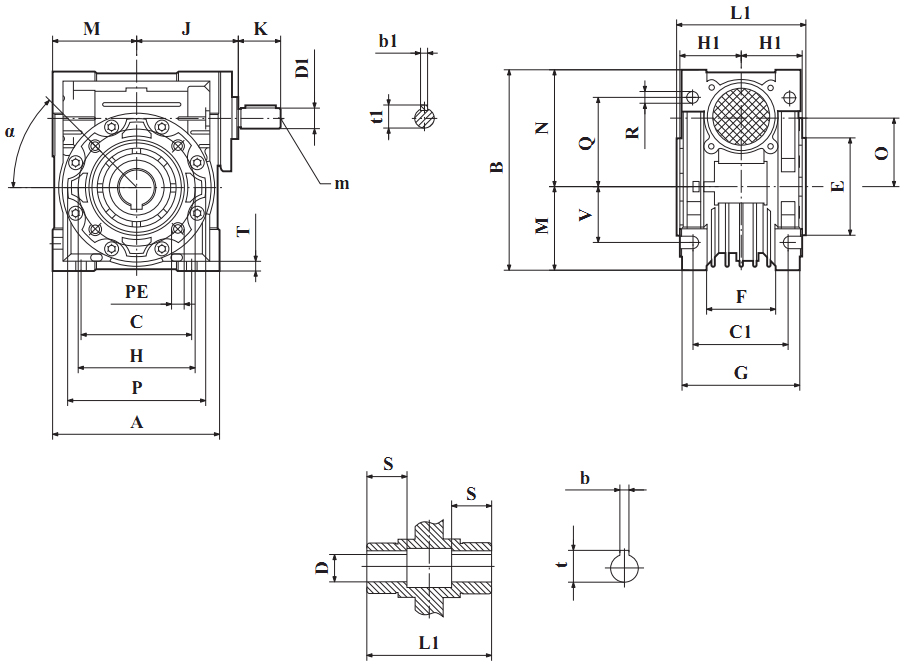
| NRW | А | В | С | С1 | D(*) | D1 | Е | F | G | Н | Н1 | J | К | L1 | М | N | O | Р |
|---|---|---|---|---|---|---|---|---|---|---|---|---|---|---|---|---|---|---|
| 030 | 80 | 97 | 54 | 44 | 14 | 9 | 55 | 32 | 56 | 65 | 29 | 51 | 20 | 63 | 40 | 57 | 30 | 75 |
| 040 | 100 | 121,5 | 70 | 60 | 18(19) | 11 | 60 | 43 | 71 | 75 | 36,5 | 60 | 23 | 78 | 50 | 71,5 | 40 | 87 |
| 050 | 120 | 144 | 80 | 70 | 25(24) | 14 | 70 | 49 | 85 | 85 | 43,5 | 74 | 30 | 92 | 60 | 84 | 50 | 100 |
| 063 | 144 | 174 | 100 | 85 | 25(28) | 19 | 80 | 67 | 103 | 95 | 53 | 90 | 40 | 112 | 72 | 102 | 63 | 110 |
| 075 | 172 | 205 | 120 | 90 | 28(35) | 24 | 95 | 72 | 112 | 115 | 57 | 105 | 50 | 120 | 86 | 119 | 75 | 140 |
| 090 | 206 | 238 | 140 | 100 | 35(38) | 24 | 110 | 74 | 130 | 130 | 67 | 125 | 50 | 140 | 103 | 135 | 90 | 160 |
| 110 | 255 | 295 | 170 | 115 | 42 | 28 | 130 | - | 144 | 165 | 74 | 142 | 60 | 155 | 127,5 | 167,5 | 110 | 200 |
| 130 | 293 | 335 | 200 | 120 | 45 | 30 | 180 | - | 155 | 215 | 81 | 162 | 80 | 170 | 146,5 | 188,5 | 130 | 250 |
| 150 | 340 | 400 | 240 | 145 | 50 | 35 | 180 | - | 185 | 215 | 96 | 195 | 80 | 200 | 170 | 230 | 150 | 250 |
| NRW | Q | R | S | Т | V | РЕ | b | b1 | t | t1 | m | α | Масса, кг |
|---|---|---|---|---|---|---|---|---|---|---|---|---|---|
| 030 | 44 | 6,5 | 21 | 5,5 | 27 | М6х11(n=4) | 5 | 3 | 16,3 | 10,2 | - | 0° | 1,2 |
| 040 | 55 | 6,5 | 26 | 6,5 | 35 | М6х8(n=4) | 6 | 4 | 20,8(21,8) | 12,5 | - | 45° | 2,3 |
| 050 | 64 | 8,5 | 30 | 7 | 40 | М8х10(n=4) | 8 | 5 | 28,3(27,3) | 16,0 | М6 | 45° | 3,8 |
| 063 | 80 | 8,5 | 36 | 8 | 50 | М8х14(n=8) | 8 | 6 | 28,3(31,3) | 21,5 | М6 | 45° | 6,2 |
| 075 | 93 | 11 | 40 | 10 | 60 | М8х14(n=8) | 8(10) | 8 | 31,1(38,3) | 27,0 | М8 | 45° | 9,0 |
| 090 | 102 | 13 | 45 | 11 | 70 | М10х18(n=8) | 10 | 8 | 38,3(41,3) | 27,0 | М8 | 45° | 13,0 |
| 110 | 125 | 14 | 50 | 14 | 85 | М10х18(n=8) | 12 | 8 | 45,3 | 31,0 | М10 | 45° | 42,5 |
| 130 | 140 | 16 | 60 | 15 | 100 | М12х21(n=8) | 14 | 8 | 48,8 | 33,0 | М10 | 45° | 59,0 |
| 150 | 180 | 18 | 72,5 | 18 | 120 | М12х21(n=8) | 14 | 10 | 53,8 | 38 | М12 | 45° | 87,0 |
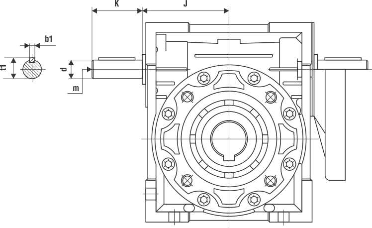
|
Габарит |
J |
D (j6) |
K |
m |
b1 |
t1 |
|---|---|---|---|---|---|---|
| 030 | 45 | 9 | 20 | - | 3 | 10,2 |
| 040 | 53 | 11 | 23 | - | 4 | 12,5 |
| 050 | 64 | 14 | 30 | М6 | 5 | 16 |
| 063 | 75 | 19 | 40 | М6 | 6 | 21,5 |
| 075 | 90 | 24 | 50 | М8 | 8 | 27 |
| 090 | 108 | 24 | 50 | М8 | 8 | 27 |
| 110 | 135 | 28 | 60 | М10 | 8 | 31 |
| 130 | 155 | 30 | 80 | М10 | 8 | 33 |
| 150 | 175 | 35 | 80 | М12 | 10 | 38 |
|
Габарит |
d (h6) |
T |
T1 |
L1 |
Z |
Z1 |
m |
b1 |
t1 |
|---|---|---|---|---|---|---|---|---|---|
| 030 | 14 | 30 | 32,5 | 63 | 102 | 128 | М6 | 5 | 16 |
| 040 | 18 | 40 | 43 | 78 | 128 | 164 | М6 | 6 | 20,5 |
| 050 | 25 | 50 | 53,5 | 92 | 153 | 199 | М10 | 8 | 28 |
| 063 | 25 | 50 | 53,5 | 112 | 173 | 219 | М10 | 8 | 28 |
| 075 | 28 | 60 | 63,5 | 120 | 192 | 247 | М10 | 8 | 31 |
| 090 | 35 | 80 | 84,5 | 140 | 234 | 309 | М12 | 10 | 38 |
| 110 | 42 | 80 | 84,5 | 155 | 249 | 324 | М16 | 12 | 45 |
| 130 | 45 | 80 | 85 | 170 | 265 | 340 | М16 | 14 | 48,5 |
| 150 | 50 | 82 | 87 | 200 | 297 | 374 | М16 | 14 | 53,5 |
| Габарит | L | H | K | D | R | B |
|---|---|---|---|---|---|---|
| 030 | 85 | 14 | 24 | 8 | 15 | 4 |
| 040 | 100 | 14 | 31,5 | 10 | 18 | 4 |
| 050 | 100 | 14 | 38,5 | 10 | 18 | 4 |
| 063 | 150 | 14 | 49 | 10 | 18 | 6 |
| 075 | 200 | 25 | 47,5 | 20 | 30 | 6 |
| 090 | 200 | 25 | 57,5 | 20 | 30 | 6 |
| 110 | 250 | 30 | 62 | 25 | 35 | 6 |
| 130 | 250 | 30 | 69 | 25 | 35 | 6 |
| 150 | 250 | 30 | 84 | 25 | 35 | 8 |

| Тип фланца | Размер | 30 | 40 | 50 | 63 | 75 | 90 | 110 | 130 | 150 |
|---|---|---|---|---|---|---|---|---|---|---|
| FA | КА | 54,5 | 67 | 90 | 82 | 111 | 111 | 131 | 140 | 155 |
| КВ | 6 | 7 | 9 | 10 | 13 | 13 | 15 | 15 | 15 | |
| КС | 4 | 4 | 5 | 6 | 6 | 6 | 6 | 6 | 6 | |
| КN | 50 | 60 | 70 | 115 | 130 | 152 | 170 | 180 | 180 | |
| КМ | 68 | 80 min | 90 min | 150 | 165 | 175 | 230 | 255 | 255 | |
| КО | 6,5 (n°4) | 9 (n°4) | 11 (n°4) | 11 (n°4) | 14 (n°4) | 14 (n°4) | 14 (n°4) | 16 (n°8) | 16 (n°8) | |
| КР | 80 | 110 | 125 | 180 | 200 | 210 | 280 | 320 | 320 | |
| КQ | 70 | 95 | 110 | 142 | 170 | 200 | 260 | 290 | 290 | |
| KW | 45° | 45° | 45° | 45° | 45° | 45° | 45° | 22.5° | 22.5° | |
| FB | КА | - | 97 | 120 | 112 | 90 | 122 | 180 | - | - |
| КВ | - | 7 | 9 | 10 | 13 | 18 | 15 | - | - | |
| КС | - | 4 | 5 | 6 | 6 | 6 | 6 | - | - | |
| KN | - | 60 | 70 | 115 | 110 | 180 | 170 | - | - | |
| КМ | - | 80 min | 90 min | 150 | 130 | 215 | 230 | - | - | |
| КО | - | 9 (n°4) | 11 (n°4) | 11 (n°4) | 11 (n°4) | 14 (n°4) | 14 (n°8) | - | - | |
| КР | - | 110 | 125 | 180 | 160 | 250 | 280 | - | - | |
| KQ | - | 95 | 110 | 142 | - | - | 260 | - | - | |
| КТ | - | - | - | - | - | 105 | - | - | - | |
| KW | - | 45° | 45° | 45° | 45° | 45° | 45° | - | - | |
| FC | КА | - | 80 | 89 | 98 | - | 110 | - | - | - |
| КВ | - | 9 | 10 | 10 | - | 17 | - | - | - | |
| КС | - | 5 | 5 | 5 | - | 6 | - | - | - | |
| KN | - | 95 | 110 | 130 | - | 130 | - | - | - | |
| КМ | - | 115 | 130 | 165 | - | 165 | - | - | - | |
| КО | - | 9,5 (n°4) | 9,5 (n°4) | 11 (n°4) | - | 11 (n°4) | - | - | - | |
| КР | - | 140 | 160 | 200 | - | 200 | - | - | - | |
| КТ | - | 56 | 66 | 80 | - | - | - | - | - | |
| KW | - | 45° | 45° | 45° | - | 45° | - | - | - | |
| FD | КА | - | 58 | 72 | 107 | - | 151 | - | - | - |
| КВ | - | 12 | 14,5 | 10 | - | 13 | - | - | - | |
| КС | - | 5 | 5 | 5 | - | 6 | - | - | - | |
| KN | - | 80 | 95 | 130 | - | 152 | - | - | - | |
| КМ | - | 100 | 115 | 165 | - | 175 | - | - | - | |
| КО | - | 9 (n°4) | 11 (n°4) | 11 (n°4) | - | 14 (n°4) | - | - | - | |
| КР | - | 120 | 140 | 200 | - | 210 | - | - | - | |
| KQ | - | - | - | - | - | 200 | - | - | - | |
| КТ | - | 50 | 60 | - | - | - | - | - | - | |
| KW | - | 45° | 45° | 45° | - | 45° | - | - | - | |
| FE | КА | - | - | - | 80,5 | - | - | - | - | - |
| КВ | - | - | - | 16,5 | - | - | - | - | - | |
| КС | - | - | - | 5 | - | - | - | - | - | |
| KN | - | - | - | 110 | - | - | - | - | - | |
| КМ | - | - | - | 130 | - | - | - | - | - | |
| КО | - | - | - | 11 (n°4) | - | - | - | - | - | |
| КР | - | - | - | 160 | - | - | - | - | - | |
| КW | - | - | - | 45° | - | - | - | - | - |

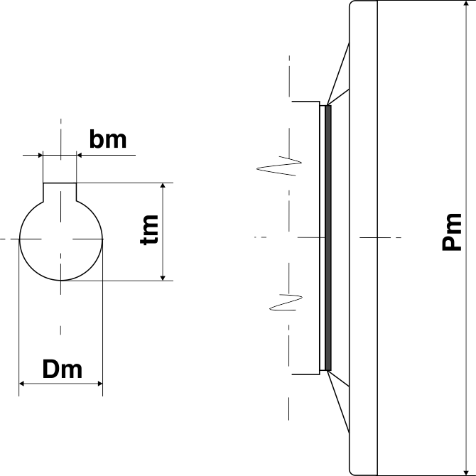
| В5 (большой фланец) | Габариты электродвигателя (серия АИС) | ||||||||
|---|---|---|---|---|---|---|---|---|---|
| 56 | 63 | 71 | 80 | 90 | 100 | 112 | 132 | 160 | |
| Pm | 120 | 140 | 160 | 200 | 200 | 250 | 250 | 300 | 350 |
| Dm | 9 | 11 | 14 | 19 | 24 | 28 | 28 | 38 | 42 |
| bm | 3 | 4 | 5 | 6 | 8 | 8 | 8 | 10 | 12 |
| tm | 10,4 | 12,8 | 16,3 | 21,8 | 27,3 | 31,3 | 31,3 | 41,3 | 45,3 |
|
В14 (малый фланец) |
Габариты электродвигателя (серия АИС) | ||||||
|---|---|---|---|---|---|---|---|
| 56 | 63 | 71 | 80 | 90 | 100 | 112 | |
| Pm | 80 | 90 | 105 | 120 | 140 | 160 | 160 |
| Dm | 9 | 11 | 14 | 19 | 24 | 28 | 28 |
| bm | 3 | 4 | 5 | 6 | 8 | 8 | 8 |
| tm | 10,4 | 12,8 | 16,3 | 21,8 | 27,3 | 31,3 | 31,3 |
| Габарит | РАМ АИС |
N |
M |
D | |||||||||||||||
|---|---|---|---|---|---|---|---|---|---|---|---|---|---|---|---|---|---|---|---|
| B5 |
B14 |
B5 |
B14 |
B5 |
B14 |
5 | 7,5 | 10 | 15 | 20 | 25 | 30 | 40 | 50 | 60 | 80 | 100 | ||
| 030 | 56B5/B14 | 80 | 50 | 100 | 65 | 120 | 80 | 9 | 9 | 9 | 9 | 9 | 9 | 9 | 9 | 9 | 9 | 9 | - |
| 63B5/B14 | 95 | 60 | 115 | 75 | 140 | 90 | 11 | 11 | 11 | 11 | 11 | 11 | 11 | 11 | 11 | - | - | - | |
| 040 | 56B5/B14 | 80 | 50 | 100 | 65 | 120 | 80 | - | - | - | - | - | - | - | - | 9 | 9 | 9 | 9 |
| 63B5/B14 | 95 | 60 | 115 | 75 | 140 | 90 | 11 | 11 | 11 | 11 | 11 | 11 | 11 | 11 | 11 | 11 | 11 | 11 | |
| 71B5/B14 | 110 | 70 | 130 | 85 | 160 | 105 | 14 | 14 | 14 | 14 | 14 | 14 | 14 | 14 | - | - | - | - | |
| 050 | 63B5/B14 | 95 | 60 | 115 | 75 | 140 | 90 | - | - | - | - | - | - | - | 11 | 11 | 11 | 11 | 11 |
| 71B5/B14 | 110 | 70 | 130 | 85 | 160 | 105 | 14 | 14 | 14 | 14 | 14 | 14 | 14 | 14 | 14 | 14 | 14 | - | |
| 80B5/B14 | 130 | 80 | 165 | 100 | 200 | 120 | 19 | 19 | 19 | 19 | 19 | 19 | 19 | 19 | - | - | - | - | |
| 063 | 71B5/B14 | 110 | 70 | 130 | 85 | 160 | 105 | - | - | - | - | - | - | - | 14 | 14 | 14 | 14 | 14 |
| 80B5/B14 | 130 | 80 | 165 | 100 | 200 | 120 | - | 19 | 19 | 19 | 19 | 19 | 19 | 19 | 19 | 19 | 19 | 19 | |
| 90B5/B14 | 130 | 95 | 165 | 115 | 200 | 138 | - | 24 | 24 | 24 | 24 | 24 | 24 | - | - | - | - | - | |
| 075 | 71B5 | 110 | - | 130 | - | 160 | - | - | - | - | - | - | - | - | - | 14 | 14 | 14 | 14 |
| 80B5/B14 | 130 | 80 | 165 | 100 | 200 | 120 | - | - | - | - | - | - | 19 | 19 | 19 | 19 | 19 | 19 | |
| 100B5/B14 | 130 | 95 | 165 | 115 | 200 | 138 | - | 24 | 24 | 24 | 24 | 24 | 24 | 24 | - | - | - | - | |
| 100B5/B14 | 180 | 110 | 215 | 130 | 250 | 160 | - | 28 | 28 | 28 | - | - | - | - | - | - | - | - | |
| 112B5/B14 | 180 | 110 | 215 | 130 | 250 | 160 | - | 28 | - | - | - | - | - | - | - | - | - | - | |
| 090 | 80B5/B14 | 130 | 80 | 165 | 100 | 200 | 120 | - | - | - | - | - | - | - | - | 19 | 19 | 19 | 19 |
| 90B5/B14 | 130 | 95 | 165 | 115 | 200 | 138 | - | - | - | - | - | 24 | 24 | 24 | 24 | 24 | - | - | |
| 100B5/B14 | 180 | 110 | 215 | 130 | 250 | 160 | - | 28 | 28 | 28 | 28 | 28 | 28 | - | - | - | - | - | |
| 112B5/B14 | 180 | 110 | 215 | 130 | 250 | 160 | - | 28 | 28 | 28 | 28 | - | - | - | - | - | - | - | |
| 110 | 90B5 | 130 | - | 165 | - | 200 | - | - | - | - | - | - | - | - | - | 24 | 24 | 24 | 24 |
| 100B5 | 180 | - | 215 | - | 250 | - | - | 28 | 28 | 28 | 28 | 28 | 28 | 28 | 28 | 28 | - | - | |
| 112B5 | 180 | - | 215 | - | 250 | - | - | 28 | 28 | 28 | 28 | 28 | 28 | - | - | - | - | - | |
| 132B5 | 230 | - | 265 | - | 300 | - | - | 38 | 38 | 38 | 38 | - | - | - | - | - | - | - | |
| 130 | 90B5 | 130 | - | 165 | - | 200 | - | - | - | - | - | - | - | - | - | - | - | 24 | 24 |
| 100B5 | 180 | - | 215 | - | 250 | - | - | - | - | - | - | - | - | 28 | 28 | 28 | 28 | 28 | |
| 112B5 | 180 | - | 215 | - | 250 | - | - | 28 | 28 | 28 | 28 | 28 | 28 | 28 | 28 | 28 | - | - | |
| 132B5 | 230 | - | 265 | - | 300 | - | - | 38 | 38 | 38 | 38 | 38 | 38 | 38 | - | - | - | - | |
| 150 | 100/112B5 | 180 | - | 215 | - | 250 | - | - | - | - | - | - | - | - | - | 28 | 28 | 28 | 28 |
| 132B5 | 230 | - | 265 | - | 300 | - | - | - | - | - | 38 | 38 | 38 | 38 | 38 | 38 | - | - | |
| 160B5 | 250 | - | 300 | - | 350 | - | - | 42 | 42 | 42 | 42 | 42 | - | - | - | - | - | - | |
| Габарит редуктора | 030 — 090 | 110 — 150 | |
|---|---|---|---|
|
Температура среды эксплуатации |
от -25°С до +50°С | от -5°С до +40°С | от -15°С до +25°С |
| Стандарт ISO | VG320 | VG460 | VG320 |
| Тип масла | Синтетическое | Минеральное | |
|
Рекомендуемые марки масла |
MOBIL GLYGOYLE 320 | MOBIL MOBILGEAR 634 | MOBIL MOBILGEAR 320 |
| BP ENERGOL SG-XP320 | BP ENERGOL GR-XP460 | BP ENERGOL GR-XP220 | |
| SHELL TIVELA OIL S320 | SHELL OMALA OIL 460 | SHELL OMALA OIL 220 | |
| CASTROL ALPHASYN PG320 | CASTROL ALPHAMAX 460 | CASTROL ALPHAMAX 220 | |
| ESSO SPARTAN EP 320 | ESSO SPARTAN EP 460 | ESSO SPARTAN EP 220 | |
| ЛУКОЙЛ И-Т-Д | ЛУКОЙЛ МС-20 | ЛУКОЙЛ МС-20 | |

