Червячно-цилиндрические редукторы
Цилиндро-червячные редукторы типа PCNMRW объединяют в себе две разные передачи: червячную (редуктор NMRW) и цилиндрическую (приставка РС). Поэтому в сравнении с одноступенчатыми редукторами NMRW отличаются более высоким значением КПД и передачи крутящего момента.
Конструктивно редукторы являются самостоятельным узлом. Мотор-редуктор представляет собой редуктор, агрегатированный с электродвигателем. Для изменения скорости вращения выходного вала мотор-редуктор может агрегатироваться с вариатором или эксплуатироваться с преобразователем частоты.
Редукторы ENERAL типа PCNMRW изготовлены в соответствии с ГОСТ 31592-2012. Климатическое исполнение: У, УХЛ и Т по ГОСТ 15150-69.
Подробнее о преимуществах червячных редукторов ENERAL
Гарантия - 12 месяцев с даты ввода в эксплуатацию, но не более 18 месяцев с даты продажи.
* - при отсутствии данного модуля или детали в условном обозначении редуктора ничего не указывается.

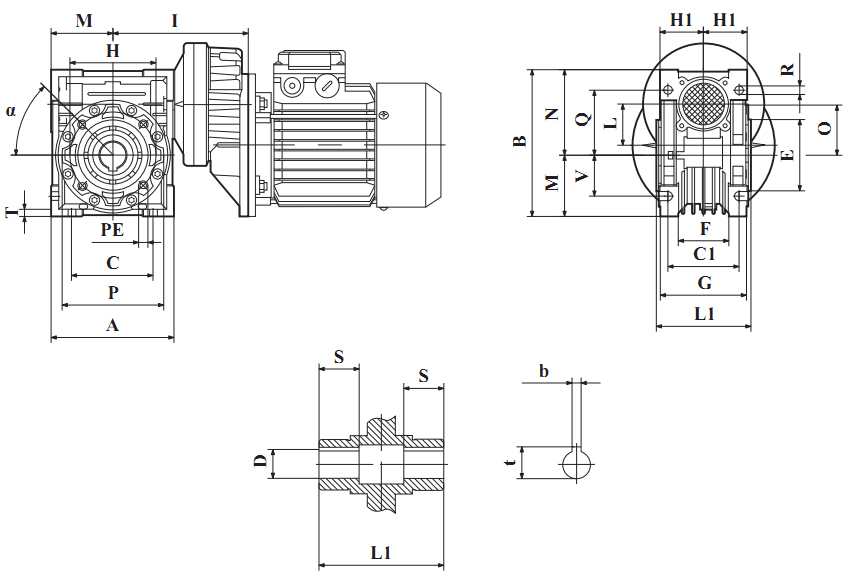
* - при отсутствии данного модуля или детали в условном обозначении мотор-редуктора ничего не указывается.
|
n2 (1/мин) |
M2 (Н/м) |
S.f. | i | Редуктор |
Мощность / обороты двигателя (кВт / об/мин) |
Fr (Н) |
|---|---|---|---|---|---|---|
| 0,9 кВт | ||||||
| 12 | 48 | 1,3 | 75 | PC063+NMRW040 | 0,09/900 | 3283 |
| 10 | 52 | 1,4 | 90 | PC063+NMRW040 | 0,09/900 | 3488 |
| 7,5 | 63 | 1,1 | 120 | PC063+NMRW040 | 0,09/900 | 3490 |
| 6 | 73 | 0,9 | 150 | PC063+NMRW040 | 0,09/900 | 3490 |
| 5 | 80 | 0,7 | 180 | PC063+NMRW040 | 0,09/900 | 3490 |
| 12 | 48 | 2,4 | 75 | PC063+NMRW050 | 0,09/900 | 4506 |
| 10 | 53 | 2,8 | 90 | PC063+NMRW050 | 0,09/900 | 4788 |
| 7,5 | 64 | 2 | 120 | PC063+NMRW050 | 0,09/900 | 4840 |
| 6 | 74 | 1,7 | 150 | PC063+NMRW050 | 0,09/900 | 4840 |
| 5 | 82 | 1,3 | 180 | PC063+NMRW050 | 0,09/900 | 4840 |
| 3,8 | 95 | 0,9 | 240 | PC063+NMRW050 | 0,09/900 | 4840 |
| 3 | 107 | 0,8 | 300 | PC063+NMRW050 | 0,09/900 | 4840 |
| 0,12 кВт | ||||||
| 18,7 | 42 | 1,2 | 75 | PC063+NMRW040 | 0,12/1400 | 2833 |
| 15,6 | 46 | 1,3 | 90 | PC063+NMRW040 | 0,12/1400 | 3011 |
| 11,7 | 57 | 1 | 120 | PC063+NMRW040 | 0,12/1400 | 3314 |
| 9,3 | 67 | 0,8 | 150 | PC063+NMRW040 | 0,12/1400 | 3490 |
| 12 | 63 | 1 | 75 | PC063+NMRW040 | 0,12/900 | 3283 |
| 10 | 69 | 1,1 | 90 | PC063+NMRW040 | 0,12/900 | 3488 |
| 7,5 | 84 | 0,8 | 120 | PC063+NMRW040 | 0,12/900 | 3490 |
| 18,7 | 42 | 2,2 | 75 | PC063+NMRW050 | 0,12/1400 | 3889 |
| 15,6 | 47 | 2,4 | 90 | PC063+NMRW050 | 0,12/1400 | 4132 |
| 11,7 | 58 | 1,8 | 120 | PC063+NMRW050 | 0,12/1400 | 4548 |
| 9,3 | 68 | 1,4 | 150 | PC063+NMRW050 | 0,12/1400 | 4840 |
| 7,8 | 75 | 1,2 | 180 | PC063+NMRW050 | 0,12/1400 | 4840 |
| 5,8 | 90 | 0,8 | 240 | PC063+NMRW050 | 0,12/1400 | 4840 |
| 12 | 63 | 1,8 | 75 | PC063+NMRW050 | 0,12/900 | 4506 |
| 10 | 70 | 2,1 | 90 | PC063+NMRW050 | 0,12/900 | 4788 |
| 7,5 | 85 | 1,5 | 120 | PC063+NMRW050 | 0,12/900 | 4840 |
| 6 | 99 | 1,3 | 150 | PC063+NMRW050 | 0,12/900 | 4840 |
| 5 | 109 | 1 | 180 | PC063+NMRW050 | 0,12/900 | 4840 |
| 0,18 кВт | ||||||
| 18,7 | 63 | 0,8 | 75 | PC063+NMRW040 | 0,18/1400 | 2833 |
| 15,6 | 69 | 0,9 | 90 | PC063+NMRW040 | 0,18/1400 | 3011 |
| 18,7 | 63 | 1,5 | 75 | PC063+NMRW050 | 0,18/1400 | 3889 |
| 15,6 | 71 | 1,6 | 90 | PC063+NMRW050 | 0,18/1400 | 4132 |
| 11,7 | 87 | 1,2 | 120 | PC063+NMRW050 | 0,18/1400 | 4548 |
| 9,3 | 102 | 0,9 | 150 | PC063+NMRW050 | 0,18/1400 | 4840 |
| 7,8 | 113 | 0,8 | 180 | PC063+NMRW050 | 0,18/1400 | 4840 |
| 12 | 95 | 1,2 | 75 | PC071+NMRW050 | 0,18/900 | 4506 |
| 10 | 105 | 1,4 | 90 | PC071+NMRW050 | 0,18/900 | 4788 |
| 7,5 | 128 | 1 | 120 | PC071+NMRW050 | 0,18/900 | 4840 |
| 6 | 148 | 0,8 | 150 | PC071+NMRW050 | 0,18/900 | 4840 |
| 0,25 кВт | ||||||
| 18,7 | 88 | 1 | 75 | PC063+NMRW050 | 0,25/1400 | 3889 |
| 15,6 | 98 | 1,2 | 90 | PC063+NMRW050 | 0,25/1400 | 4132 |
| 11,7 | 121 | 0,9 | 120 | PC063+NMRW050 | 0,25/1400 | 4548 |
| 18,7 | 88 | 1 | 75 | PC071+NMRW050 | 0,25/1400 | 3889 |
| 15,6 | 98 | 1,2 | 90 | PC071+NMRW050 | 0,25/1400 | 4132 |
| 11,7 | 121 | 0,9 | 120 | PC071+NMRW050 | 0,25/1400 | 4548 |
| 12 | 132 | 0,9 | 75 | PC071+NMRW050 | 0,25/900 | 4506 |
| 10 | 146 | 1 | 90 | PC071+NMRW050 | 0,25/900 | 4788 |
| 7,5 | 177 | 0,7 | 120 | PC071+NMRW050 | 0,25/900 | 4840 |
| 0,37 кВт | ||||||
| 18,7 | 130 | 0,7 | 75 | PC071+NMRW050 | 0,37/1400 | 3889 |
| 15,6 | 145 | 0,8 | 90 | PC071+NMRW050 | 0,37/1400 | 4132 |
| 5 | 422 | 3,4 | 180 | PC080+NMRW130 | 0,37/900 | 13500 |
| 3,8 | 509 | 2,5 | 240 | PC080+NMRW130 | 0,37/900 | 13500 |
| 3 | 586 | 2 | 300 | PC080+NMRW130 | 0,37/900 | 13500 |
| 0,55 кВт | ||||||
| 9,3 | 378 | 3,2 | 150 | PC080+NMRW130 | 0,55/1400 | 13500 |
| 7,8 | 425 | 2,5 | 180 | PC080+NMRW130 | 0,55/1400 | 13500 |
| 5,8 | 526 | 1,8 | 240 | PC080+NMRW130 | 0,55/1400 | 13500 |
| 4,7 | 594 | 1,4 | 300 | PC080+NMRW130 | 0,55/1400 | 13500 |
| 6 | 557 | 2,9 | 150 | PC080+NMRW130 | 0,55/900 | 13500 |
| 5 | 627 | 2,3 | 180 | PC080+NMRW130 | 0,55/900 | 13500 |
| 3,8 | 756 | 1,7 | 240 | PC080+NMRW130 | 0,55/900 | 13500 |
| 3 | 871 | 1,3 | 300 | PC080+NMRW130 | 0,55/900 | 13500 |
| 0,75 кВт | ||||||
| 11,7 | 428 | 3 | 120 | PC080+NMRW130 | 0,55/1400 | 12832 |
| 9,3 | 516 | 2,4 | 150 | PC080+NMRW130 | 0,55/1400 | 13500 |
| 7,8 | 579 | 1,8 | 180 | PC080+NMRW130 | 0,55/1400 | 13500 |
| 5,8 | 718 | 1,4 | 240 | PC080+NMRW130 | 0,55/1400 | 13500 |
| 4,7 | 811 | 1,1 | 300 | PC080+NMRW130 | 0,55/1400 | 13500 |
| 12 | 453 | 3,4 | 75 | PC080+NMRW130 | 0,75/900 | 12712 |
| 7,5 | 637 | 2,7 | 120 | PC080+NMRW130 | 0,75/900 | 13500 |
| 6 | 760 | 2,1 | 150 | PC080+NMRW130 | 0,75/900 | 13500 |
| 5 | 855 | 1,7 | 180 | PC080+NMRW130 | 0,75/900 | 13500 |
| 3,8 | 1031 | 1,2 | 240 | PC080+NMRW130 | 0,75/900 | 13500 |
| 3 | 1188 | 1 | 300 | PC080+NMRW130 | 0,75/900 | 13500 |
| 14,8 | 380 | 3,2 | 60,7 | PC090+NMRW130 | 0,75/900 | 11848 |
| 12,4 | 425 | 3,3 | 72,9 | PC090+NMRW130 | 0,75/900 | 12590 |
| 9,3 | 544 | 2,4 | 97,1 | PC090+NMRW130 | 0,75/900 | 13500 |
| 7,4 | 655 | 1,9 | 121,4 | PC090+NMRW130 | 0,75/900 | 13500 |
| 6,2 | 736 | 1,5 | 145,7 | PC090+NMRW130 | 0,75/900 | 13500 |
| 4,6 | 914 | 1,1 | 194,3 | PC090+NMRW130 | 0,75/900 | 13500 |
| 3,7 | 1040 | 0,8 | 242,9 | PC090+NMRW130 | 0,75/900 | 13500 |
| 1,1 кВт | ||||||
| 18,7 | 437 | 2,7 | 75 | PC080+NMRW130 | 1,1/1400 | 10971 |
| 15,6 | 491 | 2,9 | 90 | PC080+NMRW130 | 1,1/1400 | 11659 |
| 11,7 | 628 | 2,1 | 120 | PC080+NMRW130 | 1,1/1400 | 12832 |
| 9,3 | 757 | 1,6 | 150 | PC080+NMRW130 | 1,1/1400 | 13500 |
| 7,8 | 849 | 1,3 | 180 | PC080+NMRW130 | 1,1/1400 | 13500 |
| 5,8 | 1053 | 0,9 | 240 | PC080+NMRW130 | 1,1/1400 | 13500 |
| 4,7 | 1189 | 0,7 | 300 | PC080+NMRW130 | 1,1/1400 | 13500 |
| 14,8 | 558 | 2,2 | 60,7 | PC090+NMRW130 | 1,1/900 | 11848 |
| 12,4 | 624 | 2,2 | 72,9 | PC090+NMRW130 | 1,1/900 | 12590 |
| 9,3 | 798 | 1,6 | 97,1 | PC090+NMRW130 | 1,1/900 | 13500 |
| 7,4 | 960 | 1,3 | 121,4 | PC090+NMRW130 | 1,1/900 | 13500 |
| 6,2 | 1079 | 1 | 145,7 | PC090+NMRW130 | 1,1/900 | 13500 |
| 4,6 | 1341 | 0,7 | 194,3 | PC090+NMRW130 | 1,1/900 | 13500 |
| 23,1 | 354 | 3,4 | 60,7 | PC090+NMRW130 | 1,1/1400 | 10225 |
| 14,4 | 510 | 2,5 | 97,1 | PC090+NMRW130 | 1,1/1400 | 11959 |
| 11,5 | 612 | 2 | 121,4 | PC090+NMRW130 | 1,1/1400 | 12883 |
| 9,6 | 690 | 1,6 | 145,7 | PC090+NMRW130 | 1,1/1400 | 13500 |
| 7,2 | 848 | 1,1 | 194,3 | PC090+NMRW130 | 1,1/1400 | 13500 |
| 5,8 | 963 | 0,9 | 242,9 | PC090+NMRW130 | 1,1/1400 | 13500 |
| 1,5 кВт | ||||||
| 23,1 | 483 | 2,5 | 60,7 | PC090+NMRW130 | 1,5/1400 | 10225 |
| 19,2 | 544 | 2,6 | 72,9 | PC090+NMRW130 | 1,5/1400 | 10866 |
| 14,4 | 696 | 1,9 | 97,1 | PC090+NMRW130 | 1,5/1400 | 11959 |
| 11,5 | 834 | 1,5 | 121,4 | PC090+NMRW130 | 1,5/1400 | 12883 |
| 9,6 | 941 | 1,1 | 145,7 | PC090+NMRW130 | 1,5/1400 | 13500 |
| 7,2 | 1156 | 0,8 | 194,3 | PC090+NMRW130 | 1,5/1400 | 13500 |
| Тип | i | D | N | M | P2 | S | T | L | P1 |
|---|---|---|---|---|---|---|---|---|---|
| PC063 | 3 | 11(14) | 70 | 85 | 105 | M6 | 3 | 23 | 63B5 |
| PC071 | 3 | 14(19) | 80 | 100 | 120 | M6 | 3 | 30 | 71B5 |
| PC080 | 3 | 19(24/28) | 110 | 130 | 160 | M8 | 3 | 40 | 80B5 |
| PC090 | 2,43 | 24(19/28) | 110 | 130 | 160 | M8 | 3 | 50 | 90B5 |
| PCNMRW | А | В | С | С1 | D(*) | Е | F | G | Н | Н1 | I | L | L1 | М | N | O | Р | Q | R | S | Т | V | РЕ | b | t | α | Масса, кг |
|---|---|---|---|---|---|---|---|---|---|---|---|---|---|---|---|---|---|---|---|---|---|---|---|---|---|---|---|
| 063/040 | 100 | 121,5 | 70 | 60 | 18(19) | 60 | 43 | 71 | 75 | 36,5 | 123 | 40 | 78 | 50 | 71,5 | 40 | 87 | 55 | 6,5 | 26 | 6,5 | 35 | М6х8(n=4) | 6 | 20,8(21,8) | 45° | 3,9 |
| 063/050 | 120 | 144 | 80 | 70 | 25(24) | 70 | 49 | 85 | 85 | 43,5 | 133 | 40 | 92 | 60 | 84 | 50 | 100 | 64 | 8,5 | 30 | 7 | 40 | М8х10(n=4) | 8 | 28,3(27,3) | 45° | 5,2 |
| 071/050 | 120 | 144 | 80 | 70 | 25(24) | 70 | 49 | 85 | 85 | 43,5 | 143 | 50 | 92 | 60 | 84 | 50 | 100 | 64 | 8,5 | 30 | 7 | 40 | М8х10(n=4) | 8 | 28,3(27,3) | 45° | 5,8 |
| 063/063 | 144 | 174 | 100 | 85 | 25(28) | 80 | 67 | 103 | 95 | 53 | 148 | 40 | 112 | 72 | 102 | 63 | 110 | 80 | 8,5 | 36 | 8 | 50 | М8х14(n=8) | 8 | 28,3(31,3) | 45° | 7,9 |
| 071/063 | 144 | 174 | 100 | 85 | 25(28) | 80 | 67 | 103 | 95 | 53 | 158 | 50 | 112 | 72 | 102 | 63 | 110 | 80 | 8,5 | 36 | 8 | 50 | М8х14(n=8) | 8 | 28,3(31,3) | 45° | 8,5 |
| 071/075 | 172 | 205 | 120 | 90 | 28(35) | 95 | 72 | 112 | 115 | 57 | 176 | 50 | 120 | 86 | 119 | 75 | 140 | 93 | 11 | 40 | 10 | 60 | М8х14(n=8) | 8 | 31,3(38,3) | 45° | 11,3 |
| 080/075 | 172 | 205 | 120 | 90 | 28(35) | 95 | 72 | 112 | 115 | 57 | 186 | 63 | 120 | 86 | 119 | 75 | 140 | 93 | 11 | 40 | 10 | 60 | М8х14(n=8) | 8(10) | 31,3(38,3) | 45° | 13,1 |
| 071/090 | 206 | 238 | 140 | 100 | 35(38) | 110 | 74 | 130 | 130 | 67 | 193 | 50 | 140 | 103 | 135 | 90 | 160 | 102 | 13 | 45 | 11 | 70 | М10х18(n=8) | 10 | 38,3(41,3) | 45° | 15,3 |
| 080/090 | 206 | 238 | 140 | 100 | 35(38) | 110 | 74 | 130 | 130 | 67 | 203 | 63 | 140 | 103 | 135 | 90 | 160 | 102 | 13 | 45 | 11 | 70 | М10х18(n=8) | 10 | 38,3(41,3) | 45° | 17,2 |
| 080(090)/110 | 255 | 295 | 170 | 115 | 42 | 130 | - | 144 | 165 | 74 | 233 | 63 | 155 | 127,5 | 167,5 | 110 | 200 | 125 | 14 | 50 | 14 | 85 | М10х18(n=8) | 12 | 45,3 | 45° | 39,0 |
| 080(090)/130 | 293 | 335 | 200 | 120 | 45 | 180 | - | 155 | 215 | 81 | 253 | 63 | 170 | 147,5 | 187,5 | 130 | 250 | 140 | 16 | 60 | 15 | 100 | М12х21(n=8) | 14 | 48,8 | 45° | 52,2 |
| Габарит редуктора | 030 — 090 | 110 — 150 | |
|---|---|---|---|
|
Температура среды эксплуатации |
от -25°С до +50°С | от -5°С до +40°С | от -15°С до +25°С |
| Стандарт ISO | VG320 | VG460 | VG320 |
| Тип масла | Синтетическое | Минеральное | |
|
Рекомендуемые марки масла |
MOBIL GLYGOYLE 320 | MOBIL MOBILGEAR 634 | MOBIL MOBILGEAR 320 |
| BP ENERGOL SG-XP320 | BP ENERGOL GR-XP460 | BP ENERGOL GR-XP220 | |
| SHELL TIVELA OIL S320 | SHELL OMALA OIL 460 | SHELL OMALA OIL 220 | |
| CASTROL ALPHASYN PG320 | CASTROL ALPHAMAX 460 | CASTROL ALPHAMAX 220 | |
| ESSO SPARTAN EP 320 | ESSO SPARTAN EP 460 | ESSO SPARTAN EP 220 | |
| ЛУКОЙЛ И-Т-Д | ЛУКОЙЛ МС-20 | ЛУКОЙЛ МС-20 | |

