Насосы НМШ 32
Насос шестеренный типа НМШ32-10 и агрегаты на его основе предназначены для перекачивания нефтепродуктов (масло, нефть, мазут, дизельное топливо, в том числе для подачи мазута в котельных установках) обладающих смазывающей способностью без механических примесей.
Основные детали проточной части насоса изготавливаются из чугуна. Насос относится к видам изделия 1 (восстанавливаемые) по ГОСТ27.003-90. Выпускается в климатическом исполнении У (для эксплуатации в помещениях категории размещения 3) по ГОСТ 15150-69.
Гарантийный срок: 18 месяцев со дня продажи, но не более 24 месяцев со дня изготовления. Средний срок службы насоса: 15 лет.
По принципу действия шестеренный насос – объемный. При вращении ведущего и ведомого роторов на стороне входа создается разрежение, в результате жидкость под давлением атмосферы заполняет впадины между зубьями и в них перемещается со стороны входа на сторону выхода. На выходе при зацеплении зубьев происходит выдавливание жидкости в систему.
Направление вращения ведущего ротора насоса – правое (по часовой стрелке), если смотреть со стороны привода.
Насос состоит из основных деталей и узлов: рабочего механизма, корпуса с крышками, сальникового уплотнения и предохранительного клапана.
Рабочий механизм состоит из двух роторов – ведущего и ведомого и втулок (подшипников скольжения).
Ведущий ротор состоит из вала, на котором установлены по посадке с натягом две шестерни с косыми зубьями. Одна шестерня с левой, а другая с правой нарезкой. Шестерни установлены так, что образуют одну шестерню с шевронным зубом.
Ведомый ротор имеет на своем валу такие же шестерни, как и ведущий ротор, но одна шестерня установлена по посадке с натягом, а другая – свободно. Такая установка шестерни дает ей возможность при работе насоса самоустанавливаться относительно зубьев ведущей шестерни для компенсации неточности установки шестерен на валу ведущего ротора. Вращение ведомый ротор получает через шестерню, установленную по посадке с натягом, от ведущего ротора.
Ротора с подшипниками устанавливаются в специальные расточки корпуса. С торцов корпус закрывается крышками. Уплотнение ведущего вала насоса – графитовые уплотнители и армированная манжета.
Предохранительный клапан предназначен для кратковременного перепуска перекачиваемой жидкости из полости нагнетания в полость всасывания в случае повышения давления в напором трубопроводе выше допустимого.
| Показатель |
|
|
|---|---|---|
| Род среды | Масло, нефть, мазут | Масло, нефть, мазут |
| Кинематическая вязкость перекачиваемой среды м2/с (0ВУ) | 0,06*10-4…15,0*10-4(1,5-200) | 0,75*10-4…22,0*10-4(10-300) |
|
Температура, 0С (К), не более |
70 (343) | |
| Показатель | НМШ32-10-18/4 | НМШ32-10-18/6 | НМШ32-10-18/10 |
|---|---|---|---|
| Подача, м3/ч (л/с), не менее | 18 (5,0) | 18(5,0) | 18(5,0) |
| Давление на выходе из насоса, МПа (кгс/см2) | 0,4 (4,0) | 0,6(6,0) | 1,0(10) |
| Допустимая вакуумметрическая высота всасывания, м | 5 | ||
| Частота вращения, с-1(об/мин) | 16 (980) | 16 (980) | 16 (980) |
| Давление полного перепуска, МПа (кгс/м2), е более | 0,6(6,0) | 0,9(9,0) | 1,5(15) |
|
Масса насоса, кг, не более |
51 | 56 | 57 |
| Показатели электродвигателя | |||
| Мощность двигателя, кВт | 5,5 | 5,5 | 7,5 |
| Напряжение, В | 380* | ||
| Частота тока, Гц | 50* | ||
| Род тока | переменный | ||
|
Примечание: 1. Показатели указаны при работе на масле с кинематической вязкостью 0,75*10-4м2/с (100ВУ) *Допускается комплектация электродвигателем на другие напряжения, предусмотренные стандартами и частотой тока 60Гц. |
|||
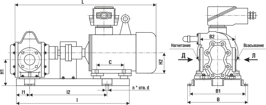
| Наименование | L* | l | l1 | l2 | H1 | H2 | B | B1 | B2 | Мощность, кВт |
|---|---|---|---|---|---|---|---|---|---|---|
| НМШ32-10-18/4 | 1000 | 695 | 100 | 470 | 200 | 132 | 380 | 214/325 | 140 | 5,5 |
| НМШ32-10-18/6 | 980 | 675 | 80 | 470 | 200 | 132 | 380 | 280/335 | 230 | 5,5 |
| НМШ32-10-18/10 | 1020 | 715 | 80 | 500 | 200 | 132 | 380 | 280/335 | 230 | 7,5 |
| Наименование | L* | l | l1 | l2 | H1 | H2 | B | B1 | B2 | Мощность, кВт |
|---|---|---|---|---|---|---|---|---|---|---|
| НМШ32-10-18/4 | 1000 | 680 | 120 | 470 | 200 | 132 | 380 | 340 | 140 | 5,5 |
| НМШ32-10-18/6 | 980 | 680 | 120 | 470 | 200 | 132 | 380 | 340 | 230 | 5,5 |
| НМШ32-10-18/10 | 1020 | 715 | 120 | 470 | 200 | 132 | 380 | 340 | 230 | 7,5 |
Размеры входных и выходных фланцев
| Наименование | D0 | D1 | D2 | D3 | D4 | D5 | d1 | d2 | n | ||
|---|---|---|---|---|---|---|---|---|---|---|---|
| НМШ 32-10-18/4 | 65 | 130 | 160 | 50 | 125 | 160 | 12 | 16 | 4 | ||
|
НМШ 32-10-18/6
|
|||||||||||
| НМШ 32-10-18/10 | |||||||||||



