Купить электродвигатель Электродвигатели А4 в Екатеринбурге | ЭНЕРАЛ.
Пн-Пт 08:00 – 16:00 (МСК)
Ваш город:

Электродвигатели А4

Электродвигатели асинхронные трехфазные с короткозамкнутым ротором серии А4 предназначены для привода механизмов, не требующих регулирования частоты вращения. Двигатели предназначены для работы от сети переменного тока частотой 50Гц напряжением 6000В. Вид климатического исполнения У3, номинальный режим работы S1 (продолжительный). Степень защиты двигателей IP23, коробки выводов IP55, класс нагревостойкости изоляции F.

Пуск двигателей прямой, допускается два пуска подряд из холодного состояния или один пуск из горячего состояния. 

По требованию заказчика электродвигатели могут быть укомплектованы подшипниками качения FAG/SKF.



Электродвигатели ENERAL асинхронные трехфазные с короткозамкнутым ротором высоковольтные предназначены для применения в промышленном оборудовании большой мощности, на различных установках, не предусматривающих возможности регулирования частоты вращения. Эти агрегаты необходимы в машиностроении, в металлургической, химической, горнодобывающей и других отраслях промышленности.

Высоковольтные двигатели ENERAL рассчитаны на работу от сети переменного тока частотой 50Гц напряжением 6000В. Пуск двигателей прямой, допустимы два пуска подряд из холодного состояния или один пуск из горячего состояния. Двигатели имеют правое и левое вращение, изменение направления вращения осуществляется из состояния покоя.

Для защиты при работе в аварийных режимах все двигатели ENERAL укомплектованы температурными датчиками. Дополнительно в двигателях установлен антиконденсатный нагреватель.

Вид климатического исполнения предусматривает эксплуатацию в умеренной и тропической климатических зонах. Номинальный режим работы S1 (продолжительный), класс нагревостойкости изоляции F.

Высоковольтные электродвигатели получают свое применение в самых различных областях. Например, в составе насосов водонапорных станций или теплостанций, вентиляторов или дымососов котельных в ЖКХ, на производстве в приводах механизмов транспортеров и иных машин, в химической промышленности, а также в газо- и нефтеперекачивающем оборудовании ТЭК в составе турбонасосов и компрессоров.

Печать
Тип   Мощность, кВт Ток статора, А Частота вращения,
об/мин*
Напряжение, В КПД, % cosф Mst, Mn Ist, In Mmax, Mn Масса, кг**
А4-400ХК-4МУ3
400 47,6 1500 6000 94,0 0,86 1,2
6,5 2,3
2610
А4-400Х-4МУ3 500 72,5 1500 6000 95,2 0,88 1,2 5,7 2,3 2290
А4-400У-4МУ3 630 83,5 1500 6000 94,8 0,87 1,2
6,5 2,3 2900
А4-450Х-4МУ3 800 93,1 1500 6000 95,1 0,87 0,7 6,5 2,3
3550
А4-450У-4МУ3 1000 116,1 1500 6000 95,3 0,87 0,7 6,5 2,3
3800
А4-400Х-6МУ3 400 49,3 1000 6000 94,0 0,83 1,2
6,0 2,3
2800
А4-450Х-6МУ3 630 75,2 1000 6000 94,8 0,85 0,7 6,0 2,3
3400
А4-450У-4МУ3 800 95,2 1000 6000 95,1 0,85 0,7 6,0 2,3
3600
А4-400Х-8МУ3 250 32,7 750 6000 93,0 0,79 0,7 6,0 2,3
2450
А4-450Х-8МУ3 400 51,3 750 6000 93,7 0,80 0,7 6,0 2,3
3200
А4-450УК-8МУ3 500 63,0 750 6000 94,3 0,81 0,7 6,0 2,3
3350
А4-450У-8МУ3 630 78,2 750 6000 94,5 0,82 0,7 6,0 2,3
3400

* Указанная частота вращения (синхронная частота) является справочной характеристикой. Принимая во внимание принцип работы асинхронного электродвигателя, в результате механических потерь номинальная частота вращения всегда ниже синхронной. Данные отличия не влияют на эксплуатационные характеристики оборудования. 


** Указанная масса электродвигателя является справочной характеристикой. Точная масса указана на паспортной табличке электродвигателя. Данные отличия не влияют на эксплуатационные характеристики оборудования.


Печать

09-01-А4.jpg

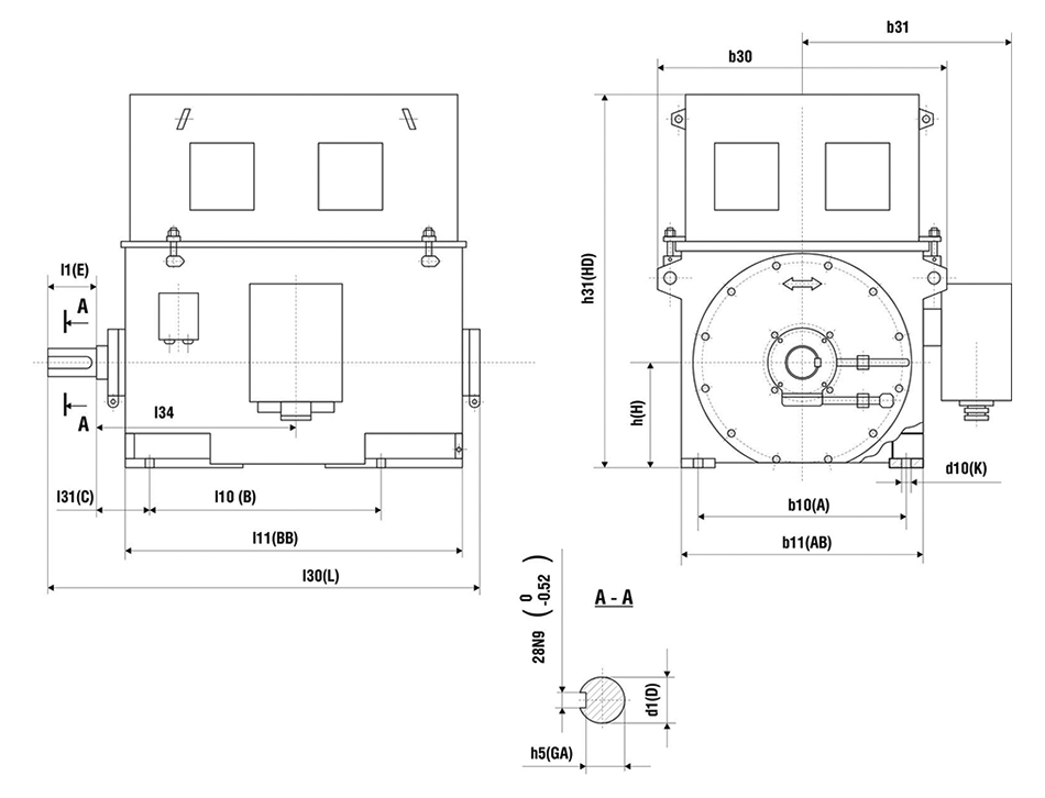
Тип Габаритные размеры Установочные и присоединительные размеры
l30 h31 b30 b31 d1 l10 l11 b10 l31 h h5 b11 l34 l1 d10
L HD D B BB A C H GA AB E K
А4-400ХК-4МУ3 1820 1470 1130 810 100 900 1460 800 200 400 90 920 815 210 35
А4-400Х-4МУ3 1650 1300 1320 710 100 1000 1240 800 210 400 90 940 840 210 35
А4-400У-4МУ3 1820 1470 1130 810 100 1000 1460 800 200 400 90 920 815 210 35
А4-450Х-4МУ3 1850 1530 1250 870 110 900 1460 900 224 450 100 1040 854 210 35
А4-450У-4МУ3 1850 1530 1250 870 110 1000 1460 900 224 450 100 1040 854 210 35
А4-400Х-6МУ3 1820 1470 1130 810 100 900 1460 800 200 400 90 920 815 210 35
А4-450Х-6МУ3 1850 1530 1250 870 110 900 1460 900 224 450 100 1040 854 210 35
А4-450У-6МУ3 1850 1530 1250 870 110 1000 1460 900 224 450 100 1040 854 210 35
А4-400Х-8МУ3 1820 1470 1130 810 100 900 1460 800 200 400 90 920 815 210 35
А4-450Х-8МУ3 1850 1530 1250 870 110 900 1460 900 224 450 100 1040 854 210 35
А4-450УК-8МУ3 1850 1530 1250 870 110 1000 1460 900 224 450 100 1040 854 210 35
А4-450У-8МУ3 1850 1530 1250 870 110 1000 1460 900 224 450 100 1040 854 210 35

ВАЖНО: указанные размеры являются справочной характеристикой. Производственная группа ЭНЕРАЛ имеет право вносить изменения в конструкцию электродвигателя, в результате чего фактические габаритные и присоединительные размеры могут отличаться от значений в каталоге или на сайте. Данные отличия не влияют на эксплуатационные характеристики оборудования.



Оставьте заявку и мы свяжемся с вами

CAPTCHA